Глюки датчиков (климат, круиз, АБС)

Модераторы: Бармаглот, тах, Анатолий Васильев, Gamlet

Аватара пользователя
fidonet
Капитан
Сообщения: 127
Зарегистрирован: 04 апр 2011 14:08
Автомобиль: Maxima QX (A33) 3.0 SE, 2005, A/T
Откуда: Moscow

Глюки датчиков (климат, круиз, АБС)

Сообщение fidonet »

Добрый день, коллеги!
Извиняюсь, если уже пробегало...
Этой зимой повылазило сразу несколько проблем с электроникой.
1. После резких перепадов температуры, на табло БК (который на приборке) вместо показания забортной температуры начинает мигать четыре прочерка: "----", причем не сразу, а постепенно уменьшаясь в отрицательную сторону от текущих показаний (к примеру, на улице ноль, он начинает как-бы отсчитывать в сторону минуса, через 10-15 минут показывает -30 градусов и после этого сваливается в прочерки "----"). Само собой климат начинает работать в соответствии с этими показателями (когда падает в прочерки, начинает топить салон на максимальной температуре на максимальных же оборотах вентилятора - приходится ставить скорость вручную на один лепесток). Через несколько дней датчик сам собой начинает вновь показывать актуальные значения температуры, а ещё через несколько - опять то-же самое. И так уже пару месяцев. Грешу на датчик...
2. В мороз была проблема с АБС. Запускаешь мотор, и как только нажимаешь на тормоз - раздается шипение в течение 7-10 секунд и загорается значок ABS. После этого он продолжает гореть и ABS после этого уже не работает. Подобное переставало проявляться, если перед запуском двигателя несколько раз качнуть педаль тормоза и удерживая её, запустить двигатель. Было два или три раза за зиму, но последнее время больше не проявлялось.
3. И наконец, было пару эпизодов с круиз-контролем. Запускаешь двигатель, ставишь на "D", и как только трогаешься, начинает непрерывно мигать надпись"SET" на приборке в области индикации состояния круиза. Потом тоже как-то всё само собой исправилось.
На данный момент сохраняется только проблема с датчиком забортной температуры. У кого какие мнения по данным проблемам?
Keep on moving!
gavrilov
Генерал-майор
Сообщения: 1036
Зарегистрирован: 18 янв 2008 11:51
Автомобиль: Maxima 3.0 SE. 2005г.
Откуда: Иркутск
Контактная информация:

Re: Глюки датчиков (климат, круиз, АБС)

Сообщение gavrilov »

Проверь напряжение в бортовой сети, на ХХ без/под нагрузкой(фары и пр)
Аватара пользователя
fidonet
Капитан
Сообщения: 127
Зарегистрирован: 04 апр 2011 14:08
Автомобиль: Maxima QX (A33) 3.0 SE, 2005, A/T
Откуда: Moscow

Re: Глюки датчиков (климат, круиз, АБС)

Сообщение fidonet »

gavrilov писал(а):Проверь напряжение в бортовой сети, на ХХ без/под нагрузкой(фары и пр)
Мерить прямо с клемм АКБ ?
Keep on moving!
misa54
Новичок
Сообщения: 7
Зарегистрирован: 31 май 2014 07:55
Автомобиль: A33 2001 2.0 АКПП
Откуда: Люберцы

Re: Глюки датчиков (климат, круиз, АБС)

Сообщение misa54 »

Подергайте провода датчика наружной температуры (рядом со звук.сигналом).
Аватара пользователя
fidonet
Капитан
Сообщения: 127
Зарегистрирован: 04 апр 2011 14:08
Автомобиль: Maxima QX (A33) 3.0 SE, 2005, A/T
Откуда: Moscow

Re: Глюки датчиков (климат, круиз, АБС)

Сообщение fidonet »

Завтра попробую физически оценить сам датчик и сигнал на него с БК.
Пока только успел снять данные по напруге с бортовой сети, как рекомендовал наш уважаемый коллега Gavrilov.
Результаты: https://b.radikal.ru/b01/1902/a6/6f2231171d4a.jpg - это с включенной печкой на полную, ближний и дальний свет, обогрев заднего стекла и аудиосистема;
Тут - https://d.radikal.ru/d04/1902/30/d56a7234fa7b.jpg - с отключенными потребителями.
Keep on moving!
gavrilov
Генерал-майор
Сообщения: 1036
Зарегистрирован: 18 янв 2008 11:51
Автомобиль: Maxima 3.0 SE. 2005г.
Откуда: Иркутск
Контактная информация:

Re: Глюки датчиков (климат, круиз, АБС)

Сообщение gavrilov »

fidonet писал(а):З
Результаты: https://b.radikal.ru/b01/1902/a6/6f2231171d4a.jpg - это с включенной печкой на полную, ближний и дальний свет, обогрев заднего стекла и аудиосистема;
Тут - https://d.radikal.ru/d04/1902/30/d56a7234fa7b.jpg - с отключенными потребителями.
С напряжением всё в порядке.
"На всякий", сделай замер когда появится неисправность.
Аватара пользователя
fidonet
Капитан
Сообщения: 127
Зарегистрирован: 04 апр 2011 14:08
Автомобиль: Maxima QX (A33) 3.0 SE, 2005, A/T
Откуда: Moscow

Re: Глюки датчиков (климат, круиз, АБС)

Сообщение fidonet »

Это очень смешно, до не нашел, где находится сам датчик. В сервисном мануале указано, что он должен быть на кронштейне со звуковыми сигналами, однако его там нет. Кстати, сегодня показания температуры вышли из "----" и плавно переместились к значению в -6 градусов, на котором и остановились, при том, что на улице +3. Похоже, что глючит именно сам датчик. Осталось только его найти 8)
Keep on moving!
Аватара пользователя
fidonet
Капитан
Сообщения: 127
Зарегистрирован: 04 апр 2011 14:08
Автомобиль: Maxima QX (A33) 3.0 SE, 2005, A/T
Откуда: Moscow

Re: Глюки датчиков (климат, круиз, АБС)

Сообщение fidonet »

gavrilov писал(а): С напряжением всё в порядке.
"На всякий", сделай замер когда появится неисправность.
Эти замеры были сделаны как-раз в период присутствия неисправности....
Keep on moving!
gavrilov
Генерал-майор
Сообщения: 1036
Зарегистрирован: 18 янв 2008 11:51
Автомобиль: Maxima 3.0 SE. 2005г.
Откуда: Иркутск
Контактная информация:

Re: Глюки датчиков (климат, круиз, АБС)

Сообщение gavrilov »

Датчик внешней температуры
Датчик1.jpg
Датчик_2.jpg

Зависимость сопротивление/температура

Проверка.
Вместо датчика резистор соответствующего сопротивления, на БК смотрим температуру
Например 4кОм = 10гр.
Табл.jpg
Аватара пользователя
fidonet
Капитан
Сообщения: 127
Зарегистрирован: 04 апр 2011 14:08
Автомобиль: Maxima QX (A33) 3.0 SE, 2005, A/T
Откуда: Moscow

Re: Глюки датчиков (климат, круиз, АБС)

Сообщение fidonet »

gavrilov писал(а):Датчик внешней температуры
Зависимость сопротивление/температура
Проверка.
Вместо датчика резистор соответствующего сопротивления, на БК смотрим температуру
Например 4кОм = 10гр.
Спасибо, обнаружил датчик! Видимо, мой сервисный мануал какой-то другой... Вот страница EL-144, где про датчик и у меня картинка иная: https://c.radikal.ru/c28/1902/34/023da5b6f76a.jpg
В общем, датчик снял и, похоже, он исправен. При +6 на улице он давал ~4.25кОм. Отнёс его домой, в помещении при +26 показывает около 1,95кОм.
Подключаю обратно к разъему на машину - на БК -17.
Напруга на самом разъёме, который подключается к датчику, 5В при включенном зажигании и 1.5В при выключенном.
Навыпаивал из старого АОНа несколько резисторов разного номинала в диапазоне (2-10кОм), попробую завтра повключать их вместо датчика... Если и такой тест покажет хреновые результаты, что можно ещё проверить?
Keep on moving!
gavrilov
Генерал-майор
Сообщения: 1036
Зарегистрирован: 18 янв 2008 11:51
Автомобиль: Maxima 3.0 SE. 2005г.
Откуда: Иркутск
Контактная информация:

Re: Глюки датчиков (климат, круиз, АБС)

Сообщение gavrilov »

Осмотреть/почистить "фишку".
Если "не оно", то подключить резистор "на прямую" к климат контролю, для проверки эл/проводки от датчика.
Заодно поменять лампочки в нём и задействовать клавишу "температура" :wink: .
санек 1982
Капитан
Сообщения: 153
Зарегистрирован: 27 апр 2014 09:07
Автомобиль: Maxima

Re: Глюки датчиков (климат, круиз, АБС)

Сообщение санек 1982 »

gavrilov писал(а):Осмотреть/почистить "фишку".
Если "не оно", то подключить резистор "на прямую" к климат контролю, для проверки эл/проводки от датчика.
Заодно поменять лампочки в нём и задействовать клавишу "температура" :wink: .
что значит задействовать клавишу температура?
Аватара пользователя
fidonet
Капитан
Сообщения: 127
Зарегистрирован: 04 апр 2011 14:08
Автомобиль: Maxima QX (A33) 3.0 SE, 2005, A/T
Откуда: Moscow

Re: Глюки датчиков (климат, круиз, АБС)

Сообщение fidonet »

gavrilov писал(а):Осмотреть/почистить "фишку".
Если "не оно", то подключить резистор "на прямую" к климат контролю, для проверки эл/проводки от датчика.
Заодно поменять лампочки в нём и задействовать клавишу "температура" :wink: .
Фишку проверил - контакты в порядке.
Подключил резистор на 9,8 кОм в фишку вместо датчика - БК занижает показания примерно в два раза (показал -20 градусов при этом сопротивлении). Как-будто что-то увеличивает сопротивление...
А как подключить резистор напрямую к климат-контролю? Я правильно понимаю, нужно разбирать саму панель управления климатом? Т.е. проводка от фишки с датчиком терминируется на панель климата?
Keep on moving!
gavrilov
Генерал-майор
Сообщения: 1036
Зарегистрирован: 18 янв 2008 11:51
Автомобиль: Maxima 3.0 SE. 2005г.
Откуда: Иркутск
Контактная информация:

Re: Глюки датчиков (климат, круиз, АБС)

Сообщение gavrilov »

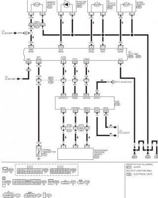
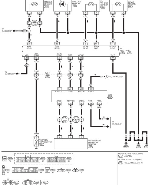
Сигнал с датчика приходит и на климат-контроль, и на приборку.
Климат_схема.jpg

Клавиша есть, справа от дисплея.
Сама кнопка на плате.
Когда разберёшь, поймешь, что и как нужно сделать

Климат_кнопка2.jpg
Климат_кнопка2.jpg (37.1 КБ) 38608 просмотров
Аватара пользователя
fidonet
Капитан
Сообщения: 127
Зарегистрирован: 04 апр 2011 14:08
Автомобиль: Maxima QX (A33) 3.0 SE, 2005, A/T
Откуда: Moscow

Re: Глюки датчиков (климат, круиз, АБС)

Сообщение fidonet »

gavrilov писал(а):Сигнал с датчика приходит и на климат-контроль, и на приборку.
Клавиша есть, справа от дисплея.
Сама кнопка на плате.
Когда разберёшь, поймешь, что и как нужно сделать
Ясно. Получается, согласно схеме, для проверки резистор нужно ставить между разъемами 2 и 11 на климате?
Keep on moving!
Ответить