Расположение сенсоров подушек безопасности.

Модераторы: Бармаглот, тах, Анатолий Васильев, Gamlet

Ответить
Bear_sm
Новичок
Сообщения: 8
Зарегистрирован: 06 апр 2010 14:36
Автомобиль: Mazda Xedos 6/ 1993/ 2.0 акпп

Расположение сенсоров подушек безопасности.

Сообщение Bear_sm »

Подскажите, может быть кто знает условия срабатывания подушек безопасности, и где располагаются сенсоры от блока srs? какого типа датчики инерционные или какие?
нашел на экзисте схему, но там только блок под подлокотником и боковые сенсоры от шторок.
http://www.japancats.ru/nissan/Parts.as ... 3%20из%205
так же нашел статью, но конкретных условий срабатывания там нет
http://automn.ru/nissan-maxima-qx/nissa ... d-777.html
maxima a32 1997г.
Аватара пользователя
allert
Маршал
Сообщения: 9285
Зарегистрирован: 04 апр 2006 23:24
Автомобиль: 32 QX 99г. мкпп vq20 ,Teana J32 vq25 11г., Almera B10 акпп 06г.,Teana J32 vq25 13г.
Откуда: Москва
Контактная информация:

Re: Расположение сенсоров подушек безопасности.

Сообщение allert »

Датчик ускорения в самом блоке,причем не одноразовый, раз блок восстанавливается, насколько помню, инерционный - типа шарик в ямке... А зачем тебе условия срабатывания то?
Жизнь покажет...
gavrilov
Генерал-майор
Сообщения: 1036
Зарегистрирован: 18 янв 2008 11:51
Автомобиль: Maxima 3.0 SE. 2005г.
Откуда: Иркутск
Контактная информация:

Re: Расположение сенсоров подушек безопасности.

Сообщение gavrilov »

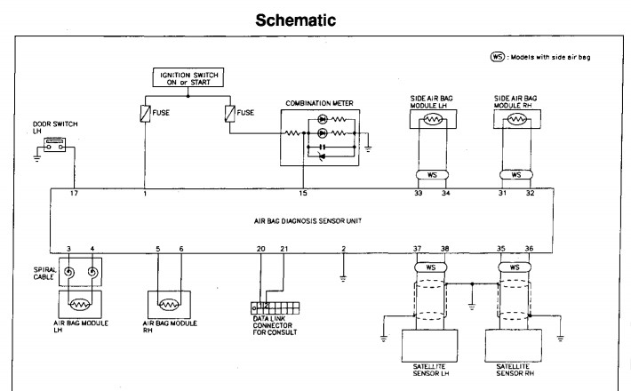
Один датчик в самом блоке и два боковых( Satellite Sensor). Боковые, не на всех комплектациях.

SRS_A32.jpg

Здесь есть мануал
http://www.nicoclub.com/FSM/Maxima/1998/
Аватара пользователя
allert
Маршал
Сообщения: 9285
Зарегистрирован: 04 апр 2006 23:24
Автомобиль: 32 QX 99г. мкпп vq20 ,Teana J32 vq25 11г., Almera B10 акпп 06г.,Teana J32 vq25 13г.
Откуда: Москва
Контактная информация:

Re: Расположение сенсоров подушек безопасности.

Сообщение allert »

боковые пошли с 97-года, вместе с 4-мя подушками. какого они принципа действия - хз, в живую не видал.
Жизнь покажет...
Ответить