не работают стопы (стоп сигналы) А32

Модераторы: Бармаглот, тах, Анатолий Васильев, Gamlet

Ответить
Fau
Новичок
Сообщения: 2
Зарегистрирован: 14 окт 2008 18:14
Автомобиль: Nissan Maxima 1995 3.0 AKKП

не работают стопы (стоп сигналы) А32

Сообщение Fau »

вдруг сдохли стопы. :( до кучи: включаю задние противотуманки (как гордо звучит при наличие всего одной :) )тутже горит предохранитель. Не включая габариты, при заведенной машине горит один правый, если включить габариты, то загораеться еще и левый, подскажите пожалйста с чего хотябы начать.
Думаю посмотреть преды и лягушку тормозную. Но вдруг у кого есть еще советы какие, и если есть коротыш как его найти чтоли :(
Заранее спасибо за ответы!
Аватара пользователя
DAKalimov
Генерал-полковник
Сообщения: 3166
Зарегистрирован: 08 окт 2007 15:57
Автомобиль: Nissan Maxima A33 2000 VQ2.0DE АКПП Серебристая
Откуда: Москва(Канаш Чувашской Республики)

Re: не работают стопы а 32

Сообщение DAKalimov »

Мультиметр в руки, схему с сайта скачать и вперед. Если лень все это делать, или недостаточно умений - то к электрику.
Слишком грустно быть бессмертным
Те же лица день за днем
Те же глупые ответы
На вопрос - "Зачем живем?".
Fau
Новичок
Сообщения: 2
Зарегистрирован: 14 окт 2008 18:14
Автомобиль: Nissan Maxima 1995 3.0 AKKП

Re: не работают стопы а 32

Сообщение Fau »

вопрос: а сколько примерно будет стоить диагностика электрики и диагностика климата (фреон убегает) ?
анатоль
Лейтенант
Сообщения: 59
Зарегистрирован: 20 ноя 2009 11:12
Автомобиль: nissan maxima A 32, 1997, 3.0, мех кпп, европеец

Re: не работают стопы а 32

Сообщение анатоль »

Всем привет.
При нажатии на педаль тормоза не горят все задние стопы включая салонный и противотуманный фонарь. Остальной свет (повороты, габариты......) весь работает.
Подскажите плиз, что это м. быть - может предохранитель какой?
Спс.
тах
Маршал
Сообщения: 9743
Зарегистрирован: 21 сен 2008 12:12
Автомобиль: А32 ЦЕФИРО 1998г 2.0 АКПП
Откуда: НОВОСИБИРСК

Re: не работают стопы (стоп сигналы) А32

Сообщение тах »

анатоль писал(а):Подскажите плиз, что это м. быть - может предохранитель какой?
да предохранители смотреть в первую очередь, массу во вторую, но вероятная причина лягушка,(Nissan 25320-75A00) под педалью тормоза, там два похожих концевых выключателя, при нажатии педали тормоза, из них должен шток выдвигаться, вот и смотри их, (бывает залипает в нажатом положении) шток не выдвигается
5. Stop lamp switch.JPG

ПТФ не горит, задняя - скорее всего своя причина:
- нет массы
- перегорела лампа
пиши в тему Противотуманка на А32 сзади только одна с левой стороны?
противотуманные фары. противотуманка.
по этой ссылке можно найти: темы, мануал и другие вопросы Вас интересующие
КРАТКОЕ ОГЛАВЛЕНИЕ ФОРУМА. СПИСОК ОСНОВНЫХ ТЕМ
анатоль
Лейтенант
Сообщения: 59
Зарегистрирован: 20 ноя 2009 11:12
Автомобиль: nissan maxima A 32, 1997, 3.0, мех кпп, европеец

Re: не работают стопы (стоп сигналы) А32

Сообщение анатоль »

- проблема решена заменой лампочек
Замена 3 (2 - стопы и 1 в салоне) лампочек решила вопрос.
В 2-контактных лампочках перегорел 1 контакт (нитка) и лампочки работали только с одной ниткой , т.е. как габариты.
Аватара пользователя
ZERG
Рядовой
Сообщения: 12
Зарегистрирован: 29 апр 2016 19:49
Автомобиль: Nissan Cefiro A32, 1997, АКПП, VIN CAUA32-A42774, ДВС VQ20-051511A, ГБО ZAVOLI
Откуда: Thailand, Hua Hin

Re: не работают стопы (стоп сигналы) А32

Сообщение ZERG »

borec писал(а):Всем здравствовать! Подходящей темы не нашел.. Недавно, правый стоп-сигнал перестал гореть, вернее горит, но тускло. Когда включены габариты при нажатии педали тормоза правый габарит гаснет. Грешу на плохую массу, Подскажите где крепится масса на кузов в задней части автомобиля?
Есть похожая проблема, но только более запутанная.
На моей Цефире (Азия) тускло горит левый стоп в крышке багажника. Точнее там включается габарит вместо стопа, а те стопы что в крыльях не горят вообще никогда. Если включить габариты, то всё выглядит прилично (горят везде), пока тормоз не нажмёшь. Тогда все габариты гаснут, а стопы горят только в центре и справа в крышке. С проводами вроде всё нормально, размотал почти всю изоленту от лампочек до блока под торпедой, местами не стал, поскольку там всё гладко.
Отключал все разъёмы во всех возможных комбинациях, в том числе разъём в области антенны - та же картина.
Проверил напругу - всё везде как надо. Втыкаешь лампочку - работает как раньше неправильно.
Есть подозрение на реле, или может на диод. Хотел ещё разъём из блока вынуть и прозвонить жгут, но силёнок не хватило разобраться после нескольких часов на солнце в +35.
Изначально я туда полез поменять лампочку после покупки машины (купил пару недель назад). Ту самую лампочку в левом блоке крышки, которая теперь не горит при нажатии на тормоз. Лампочка испортилась очень занятным образом - вольфрамовая нить габарита (та что выше) оторвалась на одном конце и приварилась к нити стоп сигнала. И так она работала, тускловато. В каких режимах и как, уже точно не помню, кажется картинка не отличалась от нынешней. Одно ясно, что это было неправильно.
Помогите, плиз, разобраться.
тах
Маршал
Сообщения: 9743
Зарегистрирован: 21 сен 2008 12:12
Автомобиль: А32 ЦЕФИРО 1998г 2.0 АКПП
Откуда: НОВОСИБИРСК

Re: не работают стопы (стоп сигналы) А32

Сообщение тах »

для начала проверь, те ли лампочки стоят, двух и однанитевая во всех стопах панели, далее контакты массы, далее чистоту цоколей внутри
по этой ссылке можно найти: темы, мануал и другие вопросы Вас интересующие
КРАТКОЕ ОГЛАВЛЕНИЕ ФОРУМА. СПИСОК ОСНОВНЫХ ТЕМ
Аватара пользователя
ZERG
Рядовой
Сообщения: 12
Зарегистрирован: 29 апр 2016 19:49
Автомобиль: Nissan Cefiro A32, 1997, АКПП, VIN CAUA32-A42774, ДВС VQ20-051511A, ГБО ZAVOLI
Откуда: Thailand, Hua Hin

Re: не работают стопы (стоп сигналы) А32

Сообщение ZERG »

Тах, спасибо за наводку!

Лампочки везде стояли правильные (двухнитевые), масса тоже в порядке - я уже писал, что проверял напругу мультиметром при всех (и на всех) скинутых коннекторах.

А вот с патронами какие-то чудеса - тот что изначально глючил, левый в крышке, и правый в крыле не звонились по массе. Причём до самого входа в патрон всё звонится (закусывал крокодилом через изоляцию) а на металлической части патрона тишина. Визуально всё ОК. Минусовые провода еле выдрал из патронов, следов окисления не обнаружил. Прочистил отверстие под провод тонкой отвёрткой, просунул туда провод, временно защемил его между патроном и цоколем лампочки - всё работает. Со вторым патроном то же самое. Глюк исчез. Потом подпаяю.

Я так и не понял, что это за фича такая - когда где-то земля от лампочки отвалилась, начинается светомузыка. Или это такой аварийный режим работы? Разобрать патрон и доподлинно изучить физику проблемы не удалось, чуть не раскурочил и бросил это дело. Но всё равно интересно :-o
gavrilov
Генерал-майор
Сообщения: 1036
Зарегистрирован: 18 янв 2008 11:51
Автомобиль: Maxima 3.0 SE. 2005г.
Откуда: Иркутск
Контактная информация:

Re: не работают стопы (стоп сигналы) А32

Сообщение gavrilov »

"когда где-то земля от лампочки отвалилась, начинается светомузыка"
Аватара пользователя
ZERG
Рядовой
Сообщения: 12
Зарегистрирован: 29 апр 2016 19:49
Автомобиль: Nissan Cefiro A32, 1997, АКПП, VIN CAUA32-A42774, ДВС VQ20-051511A, ГБО ZAVOLI
Откуда: Thailand, Hua Hin

Re: не работают стопы (стоп сигналы) А32

Сообщение ZERG »

Gavrilov, мне непонятно почему "светомузыка". Вроде два плюса в воздухе повисли, а значит, на первый взгляд, ничего не должно происходить. Я не схемотехник, админ я, по Булевой логике рассуждаю :)

Если бы кто-нибудь на картошках объяснил, что "там" происходит, то многим будет легче диагностировать проблему. Я же пол-машины вскрыл не потому, что лень думать было. Просто непонятно :shock:
gavrilov
Генерал-майор
Сообщения: 1036
Зарегистрирован: 18 янв 2008 11:51
Автомобиль: Maxima 3.0 SE. 2005г.
Откуда: Иркутск
Контактная информация:

Re: не работают стопы (стоп сигналы) А32

Сообщение gavrilov »

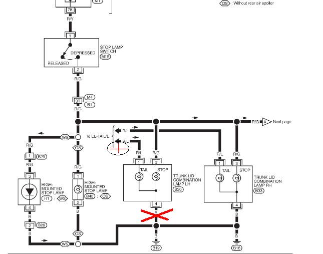
"Крестом" обозначил оборванную массу.
Включаешь габариты. Путь тока Лампочка габарита(левого) - лампочка "стопа" (левого) - Лампочка второго "стопа" - масса.
Т.к. лампочки стопов намного мощней габаритных(сопротивление меньше) горит габарит. Хотя и на лампочках стопов будет накал, едва заметный.

Если при включенных габаритах нажать тормоз, то левый габарит гаснет, левый стоп стоп не горит, а правый работает штатно.

Как-то так


Стоп+габар.jpg
Аватара пользователя
ZERG
Рядовой
Сообщения: 12
Зарегистрирован: 29 апр 2016 19:49
Автомобиль: Nissan Cefiro A32, 1997, АКПП, VIN CAUA32-A42774, ДВС VQ20-051511A, ГБО ZAVOLI
Откуда: Thailand, Hua Hin

Re: не работают стопы (стоп сигналы) А32

Сообщение ZERG »

Gavrilov, благодарю за ликбез. +1
Я совсем не учел слабый накал более толстой нити, а дальше мысль уже не пошла. Оказывается не всё так очевидно с лампочками :)
Ответить