А33 МАФ (MAF-датчик массового расхода воздуха)

Модераторы: Бармаглот, тах, Анатолий Васильев, Gamlet

тах
Маршал
Сообщения: 9743
Зарегистрирован: 21 сен 2008 12:12
Автомобиль: А32 ЦЕФИРО 1998г 2.0 АКПП
Откуда: НОВОСИБИРСК

Re: А33 МАФ (MAF-датчик массового расхода воздуха)

Сообщение тах »

artem893 писал(а):....для чего она там нужна?

не знаю, но японо мастер прикрутил, а хрен что просто так сделают
прикрутить стоит хотя бы потому, что б знать - проблема в другом.
по этой ссылке можно найти: темы, мануал и другие вопросы Вас интересующие
КРАТКОЕ ОГЛАВЛЕНИЕ ФОРУМА. СПИСОК ОСНОВНЫХ ТЕМ
alex2405
Лейтенант
Сообщения: 71
Зарегистрирован: 10 ноя 2013 06:16
Автомобиль: Nissan Maxima A33, VQ-20de, МКПП, ГБО DiGitronic

Re: А33 МАФ (MAF-датчик массового расхода воздуха)

Сообщение alex2405 »

Ребят, так все - таки подскажите, что за деталь под воздуховодом находится? Интересно может ли глючить маф из за ее отсутствия? еще обратил внимание, что машина лучше работает, когда на улице холодней, или когда двигатель прогрет градусов на 75-80. Отсюда закрадывается мысль, что либо не работает систем какая-нибудь (evap или vias) или я не знаю, уже, вроде все чистое, все новое и отрегулированное, единтсвенное куда не лазил-вакуумные шланги
тах
Маршал
Сообщения: 9743
Зарегистрирован: 21 сен 2008 12:12
Автомобиль: А32 ЦЕФИРО 1998г 2.0 АКПП
Откуда: НОВОСИБИРСК

Re: А33 МАФ (MAF-датчик массового расхода воздуха)

Сообщение тах »

alex2405 писал(а):Ребят, так все - таки подскажите, что за деталь под воздуховодом находится? .........
фото выложи, чево там нет
по этой ссылке можно найти: темы, мануал и другие вопросы Вас интересующие
КРАТКОЕ ОГЛАВЛЕНИЕ ФОРУМА. СПИСОК ОСНОВНЫХ ТЕМ
alex2405
Лейтенант
Сообщения: 71
Зарегистрирован: 10 ноя 2013 06:16
Автомобиль: Nissan Maxima A33, VQ-20de, МКПП, ГБО DiGitronic

Re: А33 МАФ (MAF-датчик массового расхода воздуха)

Сообщение alex2405 »

Ребят, скажите, кто знает, что должно здесь быть?
https://yadi.sk/i/3uwqxoGChmEHp
воздуховод.jpg
А если скажете отчего этот шланг, так вообще замечательно)))
https://yadi.sk/i/kZ6GM-x9hmEFY
что за шланг.jpg
тах
Маршал
Сообщения: 9743
Зарегистрирован: 21 сен 2008 12:12
Автомобиль: А32 ЦЕФИРО 1998г 2.0 АКПП
Откуда: НОВОСИБИРСК

Re: А33 МАФ (MAF-датчик массового расхода воздуха)

Сообщение тах »

alex2405 писал(а):....
А если скажете отчего этот шланг, так вообще замечательно)))....
viewtopic.php?f=9&t=19666&start=75#p237728
по этой ссылке можно найти: темы, мануал и другие вопросы Вас интересующие
КРАТКОЕ ОГЛАВЛЕНИЕ ФОРУМА. СПИСОК ОСНОВНЫХ ТЕМ
alex2405
Лейтенант
Сообщения: 71
Зарегистрирован: 10 ноя 2013 06:16
Автомобиль: Nissan Maxima A33, VQ-20de, МКПП, ГБО DiGitronic

Re: А33 МАФ (MAF-датчик массового расхода воздуха)

Сообщение alex2405 »

Спасибо, понял :D А по первой фотке нет экспертного мнения?)
Аватара пользователя
allert
Маршал
Сообщения: 9285
Зарегистрирован: 04 апр 2006 23:24
Автомобиль: 32 QX 99г. мкпп vq20 ,Teana J32 vq25 11г., Almera B10 акпп 06г.,Teana J32 vq25 13г.
Откуда: Москва
Контактная информация:

Re: А33 МАФ (MAF-датчик массового расхода воздуха)

Сообщение allert »

alex2405 писал(а):Спасибо, понял :D А по первой фотке нет экспертного мнения?)
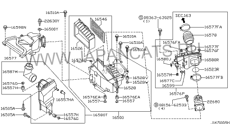
Судя по всему тебя нет "штуцера резонатора", - согнутого углом переходного воздуховода к резонатору, может и самого резонатора - не видно на фотке. Эта хреновина есть в деталировке в екзисте в главе "воздуховод"
Вложения
CImage.ashx.png
Жизнь покажет...
alex2405
Лейтенант
Сообщения: 71
Зарегистрирован: 10 ноя 2013 06:16
Автомобиль: Nissan Maxima A33, VQ-20de, МКПП, ГБО DiGitronic

Re: А33 МАФ (MAF-датчик массового расхода воздуха)

Сообщение alex2405 »

Все правильно - нет ни штуцера, ни резонатора, в экзисте видел эти запчасти. Непонятно только какую функцию они выполняют, и насколько печально их отсутствие?
Аватара пользователя
allert
Маршал
Сообщения: 9285
Зарегистрирован: 04 апр 2006 23:24
Автомобиль: 32 QX 99г. мкпп vq20 ,Teana J32 vq25 11г., Almera B10 акпп 06г.,Teana J32 vq25 13г.
Откуда: Москва
Контактная информация:

Re: А33 МАФ (MAF-датчик массового расхода воздуха)

Сообщение allert »

Резонируют :mrgreen: В теории некий успокоитель колебаний давления во впускном тракте. Думаю что если его отсутствие и можно заметить - то на каких-нибудь переходных режимах. Но никак не постоянно. Дырку заткни вниз - чтобы с улицы воздух шел, и хватит... Или на разборке найди - по идее они от каждой машины остаются - что им будет...
Жизнь покажет...
Ответить