Не загорается лампа разряда аккума при включении зажигания

Модераторы: Бармаглот, тах, Анатолий Васильев, Gamlet

Ответить
Аватара пользователя
Likefire
Соавтор сайта
Сообщения: 171
Зарегистрирован: 11 май 2007 09:50
Автомобиль: Maxima A32-D California Sedan 1996г. 3л АКПП
Откуда: Москва

Не загорается лампа разряда аккума при включении зажигания

Сообщение Likefire »

Сразу скажу, что подобных тем в форуме нету.
Предыстория такова, что старый генератор у меня накрылся. Пришлось купить новый неоригинальный. Новый генератор я установил, всё соединил как и было раньше, включаю зажигание - все приборы загораются как положено, а лампа разряда аккумулятора - не загорается. Попытался запустить двигатель - тоже безуспешно: стартер крутит как бы вхолостую. По всему видно, что не срабатывает втягивающее.
Вопрос: о чём говорит негорящая лампа разряда при включенном зажигании?
In Ded Moroz we trust!
Аватара пользователя
Анатолий Васильев
Соавтор сайта
Сообщения: 6500
Зарегистрирован: 16 ноя 2004 11:40
Автомобиль: KIA Sorento 2.2 CRDi
Откуда: Москва
Контактная информация:

Re: Не загорается лампа разряда аккума при включении зажигания

Сообщение Анатолий Васильев »

правда про стартер - но из одной оперы... viewtopic.php?f=9&t=11630&p=125233&hili ... B9#p125233
Stasmaxima писал(а):Очень интересная тема.
А Вы когда ни будь пробовали лечиться не оригинальными лекарствами. Поверьте, результат очень похож на описываемый случай… -- купил новый, красивый, КИТАЙСКИЙ стартер…. Всё хорошо. Вот только ставлю, а он не работает….
Ps вот помню как то , по острой необходимости (других не было) пытался использовать по назначению китайский презерватив…. Всё хорошо, и упаковка красивая, и смазка там внутри была… вот только оделся он на одну треть и кончился!!!! Да всё на этом, в тот вечер, кончилось…..
Не трожь технику - она не подведет!
Аватара пользователя
Likefire
Соавтор сайта
Сообщения: 171
Зарегистрирован: 11 май 2007 09:50
Автомобиль: Maxima A32-D California Sedan 1996г. 3л АКПП
Откуда: Москва

Re: Не загорается лампа разряда аккума при включении зажигания

Сообщение Likefire »

[quote="Анатолий Васильев"]правда про стартер - но из одной оперы... [/quote]
Тема знакомая, но всё же: о чём говорит тот факт, что лампа не горит? Вполне возможно, что просто лампа сгорела, но буквально перед тем, как снимать старый ген (неделю назад) - она горела. И моргала тогда, когда мотор работал.
In Ded Moroz we trust!
gavrilov
Генерал-майор
Сообщения: 1036
Зарегистрирован: 18 янв 2008 11:51
Автомобиль: Maxima 3.0 SE. 2005г.
Откуда: Иркутск
Контактная информация:

Re: Не загорается лампа разряда аккума при включении зажигания

Сообщение gavrilov »

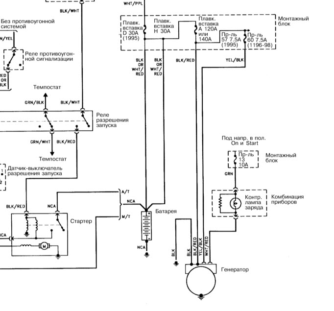
Предохранитель
Лампа
Цепь контроля заряда
Вложения
.jpg
.jpg (16.53 КБ) 3827 просмотров
Аватара пользователя
Asket
Лейтенант
Сообщения: 54
Зарегистрирован: 24 фев 2008 07:47
Автомобиль: A32, 1995, VQ20DE, МКПП
Откуда: Чебоксары, Поволжье
Контактная информация:

Re: Не загорается лампа разряда аккума при включении зажигания

Сообщение Asket »

gavrilov писал(а):Предохранитель
Лампа
Цепь контроля заряда
gavrilov, можно картинку почетче, а то разобрал только слово генератор. Такая же проблемка. Лампочка в панели рабочая, проверял. Предохранитель тоже.
На скорость не влияет, но все же хотца чтобы работало все как положено
gavrilov
Генерал-майор
Сообщения: 1036
Зарегистрирован: 18 янв 2008 11:51
Автомобиль: Maxima 3.0 SE. 2005г.
Откуда: Иркутск
Контактная информация:

Re: Не загорается лампа разряда аккума при включении зажигания

Сообщение gavrilov »

Попытка №2 :D
Вложения
.jpg
Аватара пользователя
Asket
Лейтенант
Сообщения: 54
Зарегистрирован: 24 фев 2008 07:47
Автомобиль: A32, 1995, VQ20DE, МКПП
Откуда: Чебоксары, Поволжье
Контактная информация:

Re: Не загорается лампа разряда аккума при включении зажигания

Сообщение Asket »

Спасибо большое!
Ответить