Геометричесике размеры А32

Модераторы: Бармаглот, тах, Анатолий Васильев, Gamlet

Ответить
BERG
Рядовой
Сообщения: 12
Зарегистрирован: 20 мар 2008 09:23
Автомобиль: Maxima 1997 г/в, 3 л. , автомат
Откуда: Россия

Геометричесике размеры А32

Сообщение BERG »

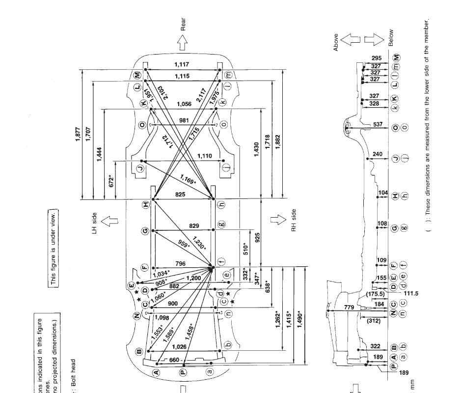
Господа помогите пожалуйста! У кого есть геометрические размеры на 32-ой кузов.... может кто сможет отсканить с книжки
Аватара пользователя
CrazyJapanCar
Генерал-майор
Сообщения: 1485
Зарегистрирован: 28 ноя 2007 11:14
Автомобиль: Maxima A32
Откуда: Люберцы

Сообщение CrazyJapanCar »

Это?
Вложения
размеры.JPG
размеры 2.JPG
BERG
Рядовой
Сообщения: 12
Зарегистрирован: 20 мар 2008 09:23
Автомобиль: Maxima 1997 г/в, 3 л. , автомат
Откуда: Россия

Сообщение BERG »

Ага ...это !!! Отписал в личку
Ответить