стеклоподъемник

Модераторы: Бармаглот, тах, Анатолий Васильев, Gamlet

Tomas
Новичок
Сообщения: 9
Зарегистрирован: 29 дек 2008 15:37
Автомобиль: Nissan Cefiro

стеклоподъемник

Сообщение Tomas »

После мороза (или после того как акум поменял-точно не запомнил) перестал правильно работать стеклоподьемник водительской двери на Цефиро. А именно в режиме авто когда нажимаешь закрыть- стекло доходит до верха а потом на треть оопускается, и так постоянно. А вниз нормально открывает. Да если просто самому держать ( не в режиме авто) то закрывает нормально.. Вроде бы мелочь, а неприятно.
Аватара пользователя
oleg custom
Генерал-майор
Сообщения: 1555
Зарегистрирован: 20 ноя 2008 05:57
Автомобиль: Nissan Maxima J30, 1989, 5MT + Nissan 100NX GTi, 1991, 5MT.
Откуда: Екатеринбург
Контактная информация:

Re: Может кто подскажет?

Сообщение oleg custom »

На форуме Цефиро есть процесс прописывания автоматического подъёма стекла.
Аватара пользователя
g@mer
Генерал-майор
Сообщения: 1540
Зарегистрирован: 08 авг 2008 23:01
Автомобиль: MaximaQX33 3.0акпп,ваз2107-88го и 96го,Мурано 2004
Откуда: Одесса

Кнопка стеклоподъемника(ремонт своими силами)

Сообщение g@mer »

Как обычно я все что могу делаю сам.
вчера замкнула кнопка стеклоподъемника,быстро вырвал,внутри все заплавилось,дым попер из под деревянной панели в двери.оказалось слетел шарик с пружинки и застрял на контакте.
обзвонив магазины по поводу кнопки -А...УЕЛ от цен,другого слова нет. на 32ю спросил,думал будет дешевле-1024гривны(130$),на 33ю оказалось дешевле 508гривен(60$),согласитесь цены пипец!
плюнув на это дело взял в руки паяльник,набор для маникюра(электо с насадками шлифовок)спасибо жене :lol: и решил восстанавливать кнопку.в кнопке есть 3 шарика,первый в кнопке,который возвращает ее в постоянное положение,и два на контактах.ну из 3 шариков остался один,так как в суматохе потерял.эти шарики по размеру один в один с шариками которые есть на цепочках для душа на пробке резиновой или на брелках или у кого есть бра или люстра с вентилятором там тоже на выключателях висят.вобщем можно исползовать их,но пройдя уже эту картину решил с шариками больше не играться.
берете эти 2 пружинки и паяльником с большим количеством олова капаете на пружинку,она берется как раз шариком и входит на 1мм внутрь пружины.закруглять не надо.сообираете и пользуетесь.в моем случае сломались крепяжи для лампочки,опять же на олово.
работает как новая!может данная история кому-то пригодится :D
IN GOD WE TRUST!
NikkolaS
Лейтенант
Сообщения: 74
Зарегистрирован: 19 май 2009 13:30
Автомобиль: Nissan Maxima QX33 3.0
Откуда: Москва, Пушкино

Водительский стеклоподъемник

Сообщение NikkolaS »

Всем привет))

Помогите советом. Не работает водительский стеклоподъемник.Предыдущий хозяин грит что скорее всего проблема с реле (у него незадолго до продажи перегорала релюшка, и он вроде как менял - толи релюшку, толи весь блок который отвечает за стеклоподъемники).

В викенд попробую разобрать блок, посмотреть что за реле там используется. Если не поможет - подскажите плз где искать блок управления стеклоподъемниками? Может, разборки какие- нибудь посоветуете?

PS старый хозяин сказал , что Цифировская релюшка не подходит. Странно однако. Неужели действительно реле разные используются в Максимках и Цифирах?
Аватара пользователя
alekom777
Майор
Сообщения: 251
Зарегистрирован: 15 апр 2009 15:04
Автомобиль: Cefiro A33 2.0 AT 2002
Откуда: Иркутск

Re: Водительский стеклоподъемник

Сообщение alekom777 »

Разбирай дверь,думаю разгадка именно там.Проводка,контакты,кнопки...смотри
77 раз подумай,7 раз прочитай и один раз разбери.
Lucifer09
Рядовой
Сообщения: 16
Зарегистрирован: 08 сен 2009 13:09
Автомобиль: Maxima J30 VG30E A/T 170Hp
Откуда: Калининград

Re: Водительский стеклоподъемник

Сообщение Lucifer09 »

Братцы, подскажите мне... плиззз!
У меня такая проблема как не работает автоматический режим водительского стеклоподъемника. Что самое интересное, иногда он сробатывает, но крайне редко. По началу, когда взял машину, работал нормально, но потом... сдох бедняга.
Разбирал блок, там все нормуль, питание есть контакты нормальные. Не хочется из-за етого менять весь блок...
Может у кого было что подобное? Подскажите!
Аватара пользователя
армик
Полковник
Сообщения: 622
Зарегистрирован: 12 янв 2008 12:28
Автомобиль: Мaxima 2003г. CА33, АКПП
Откуда: Туркменистан

Re: Водительский стеклоподъемник

Сообщение армик »

Lucifer09 писал(а):Братцы, подскажите мне... плиззз!
У меня такая проблема как не работает автоматический режим водительского стеклоподъемника. Что самое интересное, иногда он сробатывает, но крайне редко. По началу, когда взял машину, работал нормально, но потом... сдох бедняга.
Разбирал блок, там все нормуль, питание есть контакты нормальные. Не хочется из-за етого менять весь блок...
Может у кого было что подобное? Подскажите!
У меня иногда тоже не срабатывает, но это после того, когда долго не пользуешься " автоматом". Несколько раз поиграешь и всё приходит в норму. Я думаю дело в контактах на самой кнопке.
Lucifer09
Рядовой
Сообщения: 16
Зарегистрирован: 08 сен 2009 13:09
Автомобиль: Maxima J30 VG30E A/T 170Hp
Откуда: Калининград

Re: Водительский стеклоподъемник

Сообщение Lucifer09 »

В том то и дело, что контакты нормальные!
Он работает, но только как в ручном режиме, а в авто, не работает.
У меня отбельная кнопка на авто режим и она у меня сейчас работает как обычная кнопка. Пока держишь подымает или опускает, а отпускаешь - остонавливается. :(
Аватара пользователя
Dj Devil
Полковник
Сообщения: 992
Зарегистрирован: 12 июн 2009 18:45
Автомобиль: 300ZX Z32, SL500 R230
Откуда: Ставрополь-Геленджик
Контактная информация:

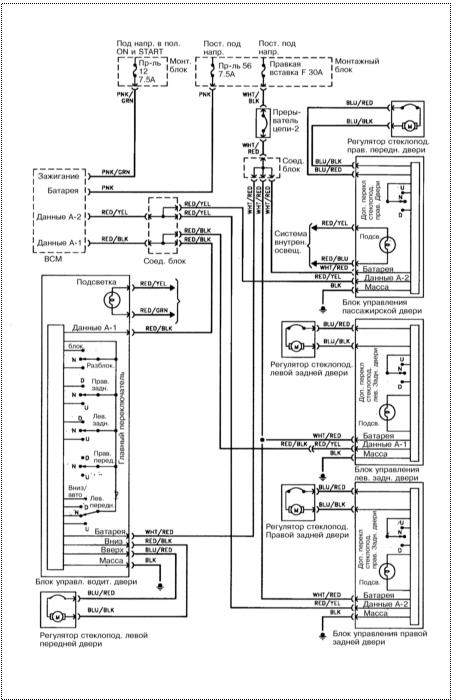
есть у кого схема блоков стеклоподъемников?

Сообщение Dj Devil »

Ребят выручайте. Дайте схему)))сняли прозвонили-одна куёвинка не прозванивается. не можем понять что это, толи просто перемычка, толи резистор какой-то....а надо бы сделать. на плате написано ZNR1 а что это за фигня понять не можем...
"… Нельзя считаться настоящим фанатом автомобилей, если у тебя не было Альфы…это божественные машины…" (с) Д.Кларксон, Топ Гир.
gavrilov
Генерал-майор
Сообщения: 1036
Зарегистрирован: 18 янв 2008 11:51
Автомобиль: Maxima 3.0 SE. 2005г.
Откуда: Иркутск
Контактная информация:

Re: есть у кого схема блоков стеклоподъемников?

Сообщение gavrilov »

Dj Devil писал(а):никто не поможет?
Вложения
.jpg
Аватара пользователя
Dj Devil
Полковник
Сообщения: 992
Зарегистрирован: 12 июн 2009 18:45
Автомобиль: 300ZX Z32, SL500 R230
Откуда: Ставрополь-Геленджик
Контактная информация:

Re: есть у кого схема блоков стеклоподъемников?

Сообщение Dj Devil »

спасибо огромное!
попытка намбер ту!
нужна электро схема БЛОКА УПРАВЛЕНИЯ стеклоподъемниками...а не схема системы в целом...
"… Нельзя считаться настоящим фанатом автомобилей, если у тебя не было Альфы…это божественные машины…" (с) Д.Кларксон, Топ Гир.
Аватара пользователя
Nik0lay
Лейтенант
Сообщения: 60
Зарегистрирован: 11 авг 2009 17:10
Автомобиль: Nissan Maxima А33 2002г.в. 3 л. АКПП 200 л.с.
Откуда: Ханты-Мансийск

стеклоподъемник

Сообщение Nik0lay »

Доброго времени суток.
Беда. Перестал работать стеклоподъемник водительской двери. Стекло опустилось полностью, а подниматься не хочет. К авто электрику ехать - на улице -30. Обморожусь блин. Ну и собственно вопрос. Как поднять стекло. Машина сейчас стоит в теплом гараже. Снял обшивку двери, но как поднять стекло ума не приложу.
В общем подняли стекло. Мастер сказал, что моторчику приходит пипец =( Он его как смог реанимировал, но сколько он еще про работает - хз... Сказал стерлись щетки, покупать новый и менять. Посмотрел цены. ППЦ. Новый стоит около 10 килорублей. Не плохая цена... Может кто прокомментирует? Кто-нить уже попадал на замену?
тах
Маршал
Сообщения: 9743
Зарегистрирован: 21 сен 2008 12:12
Автомобиль: А32 ЦЕФИРО 1998г 2.0 АКПП
Откуда: НОВОСИБИРСК

Re: стеклоподъемник

Сообщение тах »

так наверное самое простое щётки, или контрактный.
по этой ссылке можно найти: темы, мануал и другие вопросы Вас интересующие
КРАТКОЕ ОГЛАВЛЕНИЕ ФОРУМА. СПИСОК ОСНОВНЫХ ТЕМ
александр52
Новичок
Сообщения: 9
Зарегистрирован: 08 фев 2009 22:19
Автомобиль: Ниссан Максима: была А-32, потом А33, теперь Инфинити А33 ;-)))
Откуда: Нижний Новгород

Re: стеклоподъемник

Сообщение александр52 »

если руки растут правильно то можешь сам перемотать моторчик.
я на своей максимке А32 перематывал.
разбираешь моторчик и покупаешь такой же провод как на обмотке, затем разматываешь провод с обмотки и зарисовываешь очередность намотки на якорь. затем припаяешь выводы на контакты и все...... моторчик готов.
займет час времени и 100руб денег(на обмоточный провод)

если пришлешь моторчик в Н.Новгород то смогу перемотать)))))))) но уже не за сто рублей ;))))
Lucifer09
Рядовой
Сообщения: 16
Зарегистрирован: 08 сен 2009 13:09
Автомобиль: Maxima J30 VG30E A/T 170Hp
Откуда: Калининград

Re: Водительский стеклоподъемник

Сообщение Lucifer09 »

Оказалось все просто. Вытикли электролиты в блоке кнопок. Поменял все кондеры (стоимость всех 12 рублей и пол часа работы) и, о чудо, все заработало! :)
Ответить