Подскажите по j30

Модераторы: Бармаглот, тах, Анатолий Васильев, Gamlet

Андрей Сергеевич
Рядовой
Сообщения: 21
Зарегистрирован: 05 окт 2009 21:08
Автомобиль: AUDI, NISSAN MAXiMA j30

Подскажите по j30

Сообщение Андрей Сергеевич »

Добрый день. Проблема следующая: не работает ближний с габаритами и подсветка приборки... Если есть на русском языке обозначения предохранителей и реле, то буду благодарен, если подкините.
А также вопрос по вакууму: там куча всяких шлангов и патрубков, а какой куда не знаю*(( Если есть у кого схема, то выложите пожалуйста.
Заранее огромное СПАСИБО!
fizik
Майор
Сообщения: 219
Зарегистрирован: 13 фев 2008 07:21
Автомобиль: Maxima J30 manual
Откуда: cikaginsk

Re: Подскажите по j30

Сообщение fizik »

предохраны! делай проще - см. все! (пол левой ногой водителя) По релюшкам - стоят на кромке капотного отсека и под аккумом, в каждой релюшке вкорячен предохранитель-чаще всего они горят ,советую проверить все и част проблемы решится.
по опыту скажу: подсветка приборов габариты дверей магнитола пепельница на одном предохр висят, врятли у тебя дело в нем.
дальний свет тоже както терял, также все релье проверил , поэтому и незапомнил где какая!
greisic
Майор
Сообщения: 272
Зарегистрирован: 28 июн 2009 09:34
Автомобиль: ниссан-максима j30,92 год,3 литра,механика
Откуда: Москва
Контактная информация:

Re: Подскажите по j30

Сообщение greisic »

А где эта кромка подкапотного отсека? И нужно каждую релюшку вскрыть?
Андрей Сергеевич
Рядовой
Сообщения: 21
Зарегистрирован: 05 окт 2009 21:08
Автомобиль: AUDI, NISSAN MAXiMA j30

Re: Подскажите по j30

Сообщение Андрей Сергеевич »

Спасибо за советы.
И так, начал смотреть предохранители и обнаружил, что не хватает одного: по левой стороне четвертого снизу*))(Называется чего-там ...BAT) на 10 А. Вставил туда и приборка загорелась... :!: НО!!! Теперь она и всякие кнопочки в салоне горят постоянно вместе с задним левым габаритом.!!! - вся эта иллюминация происходит при невключенном положении выключателя света. Когда включаешь габариты,либо ближний на подрулевом, то загарается и второй габаритный фанарь сзади. Вопрос: где может так коротить?? Может сам переключатель света под рулем?? Заранее огромное спасибо.
Андрей Сергеевич
Рядовой
Сообщения: 21
Зарегистрирован: 05 окт 2009 21:08
Автомобиль: AUDI, NISSAN MAXiMA j30

Re: Подскажите по j30

Сообщение Андрей Сергеевич »

И вот еще вопросец: На радиаторе охлаждения снизу есть два шланга (маленького диаметра), судя по их изгибам они подходят к патрубкам АКПП. Я так понимаю, что в радиаторе находятся еще трубки для охлаждения масла в АКПП или я путаю??
Аватара пользователя
Анатолий Васильев
Соавтор сайта
Сообщения: 6500
Зарегистрирован: 16 ноя 2004 11:40
Автомобиль: KIA Sorento 2.2 CRDi
Откуда: Москва
Контактная информация:

Re: Подскажите по j30

Сообщение Анатолий Васильев »

Андрей Сергеевич писал(а): Я так понимаю, что в радиаторе находятся еще трубки для охлаждения масла в АКПП или я путаю??
все верно
Не трожь технику - она не подведет!
Андрей Сергеевич
Рядовой
Сообщения: 21
Зарегистрирован: 05 окт 2009 21:08
Автомобиль: AUDI, NISSAN MAXiMA j30

Re: Подскажите по j30

Сообщение Андрей Сергеевич »

Спасибо, один вопрос решен.
А количество масла в АКПП??
Аватара пользователя
Gamlet
Соавтор сайта
Сообщения: 3121
Зарегистрирован: 01 сен 2005 08:53
Автомобиль: Volvo S80 II, 2,5T
Откуда: Кисловодск - Краснодар
Контактная информация:

Re: Подскажите по j30

Сообщение Gamlet »

Андрей Сергеевич , качни мануал на машину с нашего сайта. На стартовой странице сайта (не форума!) есть ссылка. Там хоть на английском, но мануал очень толковый. Схемы кайфовые, все понятно. Показаны местоположения всех реле, выключателей, колодок и т.п.
Там же есть рисунки-схемы по вакуумным всем трубкам.
Мануал состоит из разделов в pdf-формате. Запускаешь файл с названием fwd.pdf а дальше выбираешь желаемый раздел. Например схема с трубками будет в разделе EF & EC лист 9, а страница 189. Всего страниц в мануале под 2000, так что, информацию найдешь.
Причины неисправности могут быть разными - от непрофессиональной установки сигнализации (музыки и т.п.), до непрофессионального ремонта. Электрика в этой машине весьма надежная и выходы ее из строя крайне редкое явление, если этим процессам не помогать извне, разве что контакты могут сами по себе окисляться.
С уважением, Геннадий.
Андрей Сергеевич
Рядовой
Сообщения: 21
Зарегистрирован: 05 окт 2009 21:08
Автомобиль: AUDI, NISSAN MAXiMA j30

Re: Подскажите по j30

Сообщение Андрей Сергеевич »

Ого, спасибо большое. Скачал мануалку, весьма расширенное описание всего*))
Аватара пользователя
dimon-dvs
Полковник
Сообщения: 703
Зарегистрирован: 18 ноя 2011 19:03
Автомобиль: nissan maxima j30.европейка. 1993г.в. v6. 3литра.VG30E 5 кп.мех.синий
Откуда: ижевск

Re: Подскажите по j30

Сообщение dimon-dvs »

Описание предохранителей j30 на русском,на а32 нашёл, а на свою нет.Кто ссылку даст.
Аватара пользователя
aleksj30
Подполковник
Сообщения: 467
Зарегистрирован: 23 ноя 2011 19:42
Автомобиль: Nissan Maxima j30 декабрь 1988 г. VG30E 170 л.с. ---ВАЗ 2107 реэкспорт
Откуда: Санкт-Петербург

Re: Подскажите по j30

Сообщение aleksj30 »

вопрос не работают
Поворотники в крыльях
NISSAN -НАШЕ ВСЕ!!!
тах
Маршал
Сообщения: 9743
Зарегистрирован: 21 сен 2008 12:12
Автомобиль: А32 ЦЕФИРО 1998г 2.0 АКПП
Откуда: НОВОСИБИРСК

Re: Подскажите по j30

Сообщение тах »

dimon-dvs и aleksj30 мануал по машине пробовали скачивать? там всё есть
по этой ссылке можно найти: темы, мануал и другие вопросы Вас интересующие
КРАТКОЕ ОГЛАВЛЕНИЕ ФОРУМА. СПИСОК ОСНОВНЫХ ТЕМ
Аватара пользователя
aleksj30
Подполковник
Сообщения: 467
Зарегистрирован: 23 ноя 2011 19:42
Автомобиль: Nissan Maxima j30 декабрь 1988 г. VG30E 170 л.с. ---ВАЗ 2107 реэкспорт
Откуда: Санкт-Петербург

Re: Подскажите по j30

Сообщение aleksj30 »

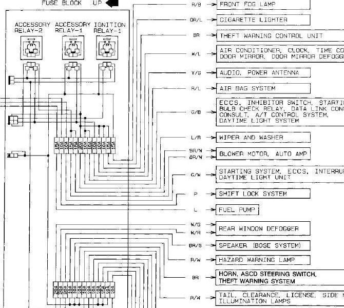
я так понимаю это и есть?где нужно смотреть :roll: :^o
Вложения
Безымянный.JPG
NISSAN -НАШЕ ВСЕ!!!
Аватара пользователя
dimon-dvs
Полковник
Сообщения: 703
Зарегистрирован: 18 ноя 2011 19:03
Автомобиль: nissan maxima j30.европейка. 1993г.в. v6. 3литра.VG30E 5 кп.мех.синий
Откуда: ижевск

Re: Подскажите по j30

Сообщение dimon-dvs »

Давно скачан только в этих схемах нечё не ясно,не спрашивал бы,для чего же тогда форум создавали
Аватара пользователя
aleksj30
Подполковник
Сообщения: 467
Зарегистрирован: 23 ноя 2011 19:42
Автомобиль: Nissan Maxima j30 декабрь 1988 г. VG30E 170 л.с. ---ВАЗ 2107 реэкспорт
Откуда: Санкт-Петербург

Re: Подскажите по j30

Сообщение aleksj30 »

давно бы собрались -скинулись и послали бы на перевод в какую-нибудь контору

я бы за штуку купил бы =D> :twisted:
NISSAN -НАШЕ ВСЕ!!!
Ответить