Доводчик стёкол, нужна помощь по подключению.
Модераторы: Бармаглот, тах, Анатолий Васильев, Gamlet
Доводчик стёкол, нужна помощь по подключению.
Незнаю понятно или нет объяснил. Может кто-то сам ставил, подскажите пожалуста как мне быть?
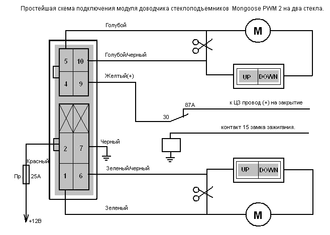
На фото инструкция по подключению....
- CrazyJapanCar
- Генерал-майор
- Сообщения: 1485
- Зарегистрирован: 28 ноя 2007 11:14
- Автомобиль: Maxima A32
- Откуда: Люберцы
Re: Доводчик стёкол, нужна помощь по подключению.
Re: Доводчик стёкол, нужна помощь по подключению.
Блин, ну как то же люди это обходят...CrazyJapanCar писал(а):на водительской двери доводчик работать не будет из-за авоматического режима!

- CrazyJapanCar
- Генерал-майор
- Сообщения: 1485
- Зарегистрирован: 28 ноя 2007 11:14
- Автомобиль: Maxima A32
- Откуда: Люберцы
Re: Доводчик стёкол, нужна помощь по подключению.
- Mazay
- Генерал-лейтенант
- Сообщения: 2084
- Зарегистрирован: 12 янв 2005 10:30
- Автомобиль: Красывый
- Откуда: Москва
- Контактная информация:
Re: Доводчик стёкол, нужна помощь по подключению.
Примером могу поставиль LX470 Lexus у него все стекла с авто.
и доводчик работает) Надо его только немного усовершенствовать)))) доработать так сказать.
Re: Доводчик стёкол, нужна помощь по подключению.
- Mazay
- Генерал-лейтенант
- Сообщения: 2084
- Зарегистрирован: 12 янв 2005 10:30
- Автомобиль: Красывый
- Откуда: Москва
- Контактная информация:
Re: Доводчик стёкол, нужна помощь по подключению.

-
- Рядовой
- Сообщения: 15
- Зарегистрирован: 14 июн 2008 23:12
- Автомобиль: NISAN MAXIMA 1997г 2,0v6
-
- Рядовой
- Сообщения: 15
- Зарегистрирован: 14 июн 2008 23:12
- Автомобиль: NISAN MAXIMA 1997г 2,0v6
Re: Доводчик стёкол, нужна помощь по подключению.
Re: Доводчик стёкол, нужна помощь по подключению.
Блин, ну если можно сделать самому, то зачем платить 1.5 штуки за это?Mazay писал(а):Обратись к грамотным установщикам доп оборудования которые ставили такие доводчики у себя в городе
Re: Доводчик стёкол, нужна помощь по подключению.
Моторчик работает когда к нему идёт и плюс и минус, плюс понятное дело взять и разрезать... ну минус можно на корпус и т.д. Но когда будешь опускать стекло будет короткое замыкание, т.к на минус уже пойдёт плюс...-Виталик-Украина писал(а):Я протяну с каждой двери кабель и разрезал + возле моторчика и подключил по схеме . И работает год.

Что делать то?
- -=CRAZY=-
- Майор
- Сообщения: 268
- Зарегистрирован: 28 сен 2006 20:47
- Автомобиль: Infiniti i30 1996 black, Maxima SE3.5 2004 silver
- Откуда: Кыргызстан
- Контактная информация:
Re: Доводчик стёкол, нужна помощь по подключению.

-
- Рядовой
- Сообщения: 15
- Зарегистрирован: 14 июн 2008 23:12
- Автомобиль: NISAN MAXIMA 1997г 2,0v6
Re: Доводчик стёкол, нужна помощь по подключению.
Re: Доводчик стёкол, нужна помощь по подключению.
Попробую сегодня, отпишу что получилось...-Виталик-Украина писал(а):Зачем отрезать -, на схеме он не режется. Еще раз подымаем стекло разрезаешь + , - не трогаем ,подключаем доводчик ( кагда подключили довотчик и еще незапитали то стекло должно работать с кнопки. подымать и опускать )
-
- Рядовой
- Сообщения: 15
- Зарегистрирован: 14 июн 2008 23:12
- Автомобиль: NISAN MAXIMA 1997г 2,0v6