Проблема с салонным светом

Модераторы: Бармаглот, тах, Анатолий Васильев, Gamlet

shadow_taifun
Капитан
Сообщения: 147
Зарегистрирован: 18 май 2010 20:00
Автомобиль: Nissan Maxima 2004 151л.с ручная и т.д

Re: Проблема с салонным светом

Сообщение shadow_taifun »

Ребят не знаю кто виноват и в чем причина. В салоне вообще ничего не работает, ни свет, ни приборная панель ни часы... Машина заводится, противотуманки работают. Ничего не переипаивал простов ставили назад этот блок на котором сгорел транзистор. Куда копать? этот транзистор отвечает за всю электрику салона?
Аватара пользователя
allert
Маршал
Сообщения: 9285
Зарегистрирован: 04 апр 2006 23:24
Автомобиль: 32 QX 99г. мкпп vq20 ,Teana J32 vq25 11г., Almera B10 акпп 06г.,Teana J32 vq25 13г.
Откуда: Москва
Контактная информация:

Re: Проблема с салонным светом

Сообщение allert »

shadow_taifun писал(а): В салоне вообще ничего не работает, ни свет, ни приборная панель ни часы...? этот транзистор отвечает за всю электрику салона?
ну это уже точно предохранитель - ищи по схеме
а транзистор управляет плавным погасанием света, я полагаю...
Жизнь покажет...
shadow_taifun
Капитан
Сообщения: 147
Зарегистрирован: 18 май 2010 20:00
Автомобиль: Nissan Maxima 2004 151л.с ручная и т.д

Re: Проблема с салонным светом

Сообщение shadow_taifun »

Все предохранители целые
shadow_taifun
Капитан
Сообщения: 147
Зарегистрирован: 18 май 2010 20:00
Автомобиль: Nissan Maxima 2004 151л.с ручная и т.д

Re: Проблема с салонным светом

Сообщение shadow_taifun »

Ребят кто нибудь помогите! Дело же не в транзисторе правильно? что делать? пробовать вторым ключом ее на охрану ставить открывать проверять? не моргает лампочка Security
gavrilov
Генерал-майор
Сообщения: 1036
Зарегистрирован: 18 янв 2008 11:51
Автомобиль: Maxima 3.0 SE. 2005г.
Откуда: Иркутск
Контактная информация:

Re: Проблема с салонным светом

Сообщение gavrilov »

Предохранитель №12 и его цепи.
На цефировском форуме подробно написал.
S.t.a.l.k.e.r.
Генерал-майор
Сообщения: 1146
Зарегистрирован: 03 июл 2011 15:06
Автомобиль: Maxima А32 3л МКПП 1997 г.в. араб ГБО
Откуда: Волгоград

Re: Проблема с салонным светом

Сообщение S.t.a.l.k.e.r. »

Ещё раз проверь все предохранители и в салоне и под капотом, если не поможет, то по цепям, как gavrilov написал.
shadow_taifun
Капитан
Сообщения: 147
Зарегистрирован: 18 май 2010 20:00
Автомобиль: Nissan Maxima 2004 151л.с ручная и т.д

Re: Проблема с салонным светом

Сообщение shadow_taifun »

Не могу н айти подробности с цефирского форума
Тебе на максимовском форуме ссылку дал - "что-как-где".

Открываем мануал.

1. Иммо преды №12 и №20

2. "Вежливая" подсветка №10, №12 и №13

3. Панель приборов №12, №14 и №30
Во всех трёх узлах "участвует" предохранитель №12.
Проверить сам предохранитель(заменой) и цепи "до и после".
Там "собака порылась".
Остальные преды также проверить.

Можно ссылку на мануал что-как-где

Лампочка Security так и не должна моргать? машина глохнет минуты через 2 после как завелась.. Типо угон чтоль
gavrilov
Генерал-майор
Сообщения: 1036
Зарегистрирован: 18 янв 2008 11:51
Автомобиль: Maxima 3.0 SE. 2005г.
Откуда: Иркутск
Контактная информация:

Re: Проблема с салонным светом

Сообщение gavrilov »

Лови

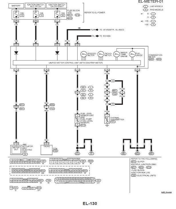
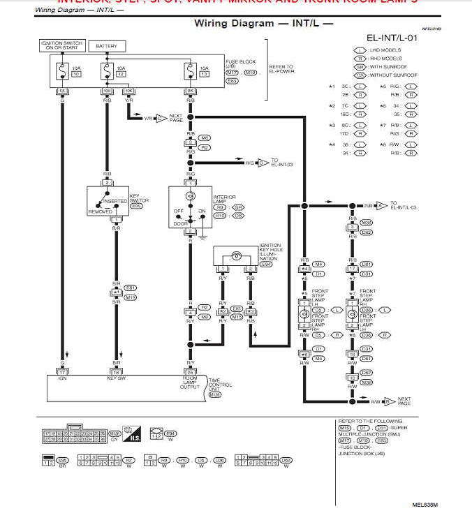
Приборка.jpg
Вложения
Подсветка.jpg
Иммо.jpg
shadow_taifun
Капитан
Сообщения: 147
Зарегистрирован: 18 май 2010 20:00
Автомобиль: Nissan Maxima 2004 151л.с ручная и т.д

Re: Проблема с салонным светом

Сообщение shadow_taifun »

Я смотрю на схему и не понимаю с чего мне вообще начать и что делать? Может кто нибудь по действия сказать что надо сделать? Вот я пришел в гараж. Клеммы сейчас скинуты.
1) Проверяю 12 предохранитель
2) Подключаю блок иммобилайзера на место
3) Подключаю клеммы аккумуляторы

Не моргает лампочка Security, не горят часы. Что дальше делать?
shadow_taifun
Капитан
Сообщения: 147
Зарегистрирован: 18 май 2010 20:00
Автомобиль: Nissan Maxima 2004 151л.с ручная и т.д

Re: Проблема с салонным светом

Сообщение shadow_taifun »

Если мультиметров в режиме ампертметра ставить щупы в гнезда предохранителя я проверю силу тока в цепи и есть ли она вообще там, это не критично?
gavrilov
Генерал-майор
Сообщения: 1036
Зарегистрирован: 18 янв 2008 11:51
Автомобиль: Maxima 3.0 SE. 2005г.
Откуда: Иркутск
Контактная информация:

Re: Проблема с салонным светом

Сообщение gavrilov »

Мой совет, найди товарища, который умеет пользоваться тестером, умеет читать схемы, покажи ему схемы и расскажи про проблему.
Затем с ним вместе в гараж.
Иначе, всё это добром не закончится
shadow_taifun
Капитан
Сообщения: 147
Зарегистрирован: 18 май 2010 20:00
Автомобиль: Nissan Maxima 2004 151л.с ручная и т.д

Re: Проблема с салонным светом

Сообщение shadow_taifun »

Мультиметром я пользоваться умею. Схемы мелкие и информации на них мало. Идут провода и что? Что это дает? Ничего толком. По сути сначала нужно проверить сами гнезда куда предохранители идут. Может ли такое вообще быть что машина ключи обнулила? Из за вытаскивания иммобилайзера без снятия клеммы?
shadow_taifun
Капитан
Сообщения: 147
Зарегистрирован: 18 май 2010 20:00
Автомобиль: Nissan Maxima 2004 151л.с ручная и т.д

Re: Проблема с салонным светом

Сообщение shadow_taifun »

Как найти 12 предохранитель как называется он? и на каком блоке предохранителей
У меня по счету 12 предохранитель AirCon получается вентилятор кондиционера! Что я не правильно считаю?
gavrilov
Генерал-майор
Сообщения: 1036
Зарегистрирован: 18 янв 2008 11:51
Автомобиль: Maxima 3.0 SE. 2005г.
Откуда: Иркутск
Контактная информация:

Re: Проблема с салонным светом

Сообщение gavrilov »

Скачай мануал(ссылку я тебе дал)
Открой раздел EL (электрика), там все преды указаны/расписаны.

Предохранители2.pdf
(40.24 КБ) 409 скачиваний
shadow_taifun
Капитан
Сообщения: 147
Зарегистрирован: 18 май 2010 20:00
Автомобиль: Nissan Maxima 2004 151л.с ручная и т.д

Re: Проблема с салонным светом

Сообщение shadow_taifun »

Все разобрались. Нашел 12 предодхранитель, загвоздка была в нем... Всем спасибо. Предохранители считаются слева направо называется этот предохранитель Electronic Parts. При счете пустые места также просчитываются
Ответить