Вопрос по стеклоочистителям

Модераторы: Бармаглот, тах, Анатолий Васильев, Gamlet

Ответить
Аватара пользователя
Павлян
Майор
Сообщения: 246
Зарегистрирован: 14 окт 2006 09:45
Автомобиль: Maxima QX А33, 2.0, 01 г.р. серебро МКПП
Откуда: Республика Коми, Сыктывкар
Контактная информация:

Вопрос по стеклоочистителям

Сообщение Павлян »

Здравствуйте, господа!
Еще с лета, с момента покупки автомобиля бесит следующий момент:
в первом режиме стеклоочистители, т.н. "дворники" из горизонтального положения принимают вертикальное, и тупо маячат перед глазами тот интервал времени, который задается на правом рулевом переключателе. Во втором и третьем режиме работают нормально. Приходится постоянно включать-выключать второй режим, а его скорость не регулируется, и он не всегда удобен. В моем понимании, (если не так - поправьте) нормальная работа дворников и в первом режиме такая же: поднялись-опустились, только с определённым интервалом... Правильно ведь?
Внимание вопрос: в чем попад? В моторчике/переключателе/реле каком-нить?
Где-то была похожая тема, но другая по сути, и там предлагали скидыванием клеммы с аккума лечить, кому-то помогло, а у меня не прокатывает :(
Intelligent Jungle, D'n'B - Rulezzz 4Ever!
Listen.....
Аватара пользователя
Соломатин Сергей
Полковник
Сообщения: 766
Зарегистрирован: 24 янв 2005 08:45
Откуда: МО г.Реутов

Сообщение Соломатин Сергей »

у меня тоже самое. Регулеровка частоты работы дворников нужна для первого режима. Во втором интенсино, ну а в третем - взлетаем
Maxima QX 2.0 1999, АКПП, Honda Accord 2.0 SE
Аватара пользователя
Korych
Генерал-полковник
Сообщения: 4159
Зарегистрирован: 23 июн 2005 10:14
Автомобиль: A33 с 3 литрами на ручке
Откуда: Пермь

Сообщение Korych »

в первом режиме стеклоочистители, т.н. "дворники" из горизонтального положения принимают вертикальное, и тупо маячат перед глазами тот интервал времени, который задается на правом рулевом переключателе
а при следующем движении они идут вниз и опять вверх, или остаются внизу?
Тренд из май френд
Аватара пользователя
Старый
Капитан
Сообщения: 156
Зарегистрирован: 25 сен 2006 09:49
Откуда: Москва, Чертаново

Сообщение Старый »

А вообще жаль, что нет функции однократного срабатывания, ну типа, чуть качнул так слегка вниз рычажок, дворники проехались по стеклу когда тебе нужно, а то обязательно приходится переключать в прерывистый режим и регулировать их частоту... Или может это у меня только так? :D
Аватара пользователя
Юрич
Генерал-майор
Сообщения: 1302
Зарегистрирован: 15 май 2006 21:56
Автомобиль: A32 1997г 3.0 MКПП&CA33 2004г АКПП
Откуда: Москва
Контактная информация:

Сообщение Юрич »

Стеклочистители всегда должны ложиться горизонтально.
Жизнь после 30 круто меняется!
Аватара пользователя
MadMax
Соавтор сайта
Сообщения: 1461
Зарегистрирован: 27 авг 2005 17:59
Откуда: Е-бург

Сообщение MadMax »

Или может это у меня только так?
Старый, ты не одинок, нет на А32 такого(((, когда езжу на мазде6 - переключатель дернул - махнут щетки, потом сяду на максиму и по привычке переключатель пытаюсь сломать :wink:
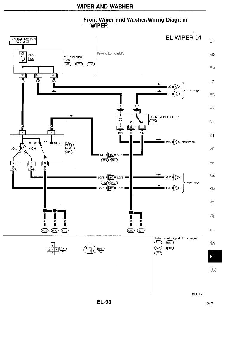
Павлян, если надо могу тебе электрическую схемку из мануала кинуть
Аватара пользователя
Korych
Генерал-полковник
Сообщения: 4159
Зарегистрирован: 23 июн 2005 10:14
Автомобиль: A33 с 3 литрами на ручке
Откуда: Пермь

Сообщение Korych »

ты не одинок, нет на А32 такого
о..... а я думал это только на арабах такого нет, а оказывается у всех :(
а вообще весчь удобная
Тренд из май френд
Аватара пользователя
Павлян
Майор
Сообщения: 246
Зарегистрирован: 14 окт 2006 09:45
Автомобиль: Maxima QX А33, 2.0, 01 г.р. серебро МКПП
Откуда: Республика Коми, Сыктывкар
Контактная информация:

Сообщение Павлян »

Спасибо всем кто откликнулся!
Наверное неправильно оьяснил суть проблемы, щас попробую вторую попытку :wink:
То Андрей:
а при следующем движении они идут вниз и опять вверх, или остаются внизу?
Просто идут вниз и там остаются...
В том-то все и дело, что включаю первый режим - дворники поднялись вертикально, так стоят какое-то время, а потом опускаются, полежали, через небольшой интервал тоже самое, поднялись-постояли-опустились :evil:
Вот какая незадача! Чего смотреть-то?
Intelligent Jungle, D'n'B - Rulezzz 4Ever!
Listen.....
Аватара пользователя
Павлян
Майор
Сообщения: 246
Зарегистрирован: 14 окт 2006 09:45
Автомобиль: Maxima QX А33, 2.0, 01 г.р. серебро МКПП
Откуда: Республика Коми, Сыктывкар
Контактная информация:

Сообщение Павлян »

То MadMax:
Павлян, если надо могу тебе электрическую схемку из мануала кинуть
Буду очень признателен, чувствую, здесь без пол-литры не разобраться :wink: И ни книги, ни диска...
Я после тойоты также долго пытался шею переключателю свернуть, потом привык, что однократного режима нету, но первый режим со своим приколом меня несколько нервирует, хотя уже и к этому привык...
Intelligent Jungle, D'n'B - Rulezzz 4Ever!
Listen.....
Аватара пользователя
Korych
Генерал-полковник
Сообщения: 4159
Зарегистрирован: 23 июн 2005 10:14
Автомобиль: A33 с 3 литрами на ручке
Откуда: Пермь

Сообщение Korych »

Павлян, имхо, дело в реле.... хотя я в электрике не спец :(
Тренд из май френд
Аватара пользователя
MadMax
Соавтор сайта
Сообщения: 1461
Зарегистрирован: 27 авг 2005 17:59
Откуда: Е-бург

Сообщение MadMax »

вот
Вложения
washer_2.JPG
washer_1.JPG
Аватара пользователя
Павлян
Майор
Сообщения: 246
Зарегистрирован: 14 окт 2006 09:45
Автомобиль: Maxima QX А33, 2.0, 01 г.р. серебро МКПП
Откуда: Республика Коми, Сыктывкар
Контактная информация:

Сообщение Павлян »

Спасибо всем. Я тоже предполагаю, что либо релюха, либо предохранитель какой-то :!: , а значит быть ехать на сервис и проверяться по полной...
Странная закономерность: почему-то в бочке меда никогда не обходится без ложки дёгтя :(
Intelligent Jungle, D'n'B - Rulezzz 4Ever!
Listen.....
LOFT
Новичок
Сообщения: 6
Зарегистрирован: 17 окт 2011 16:33
Автомобиль: Nissan Maxima32(QX),1998г.в.,3 литра,автомат
Откуда: Владимирская обл. г.Муром

Сообщение LOFT »

Ситуация следующая: Еду по трассе из Москвы во Владимир(ш.Энтузиастов)... Ночь плюс дождь,на неосвещенных участках трассы,видимость никакая... Вдруг, на втором положении работы стеклоочистителей(у меня сейчас арабка,на них просто три положения) они останавливаються... Ситуация жесткая... Никому не пожелаю... Поток оживленный,фуры,темень,лобовое забрызгало моментально,скорость 100... Сразу врубил аварийку,начал притормаживать,кое как вырулил на обочину... Короче страху натерпелся,мама не горюй... Ладно бы один,а то рядом же жена и сын... Остановился,дух перевел,думаю что делать... Не успел додумать... Стеклооочистители,бац и заработали... До Владимира добирался со скоростью 60-70,в первом положении включенных стеклоочистителей,не глючили... Из Владимира в Муром дорогу знаю как свои пять пальцев...трасса свободна...решил проверить... включаю 2 положение,через минут 5 работы опять вырубаються...не останавливаюсь... щелкаю переключатель... секунд через 30-40 начинают работать...отключение происходит во 2 положении,в 1 все нормально,а в 3 даже не пробовал... У кого нибудь было такое? Что делать?
тах
Маршал
Сообщения: 9743
Зарегистрирован: 21 сен 2008 12:12
Автомобиль: А32 ЦЕФИРО 1998г 2.0 АКПП
Откуда: НОВОСИБИРСК

Re:

Сообщение тах »

LOFT писал(а):.. Что делать?
скорее вопрос по эжлектрике, где то идет нагрев контактов, проверь массы и предохранитель
http://clubmaxima.ru/forum/search.php?s ... =titleonly
по этой ссылке можно найти: темы, мануал и другие вопросы Вас интересующие
КРАТКОЕ ОГЛАВЛЕНИЕ ФОРУМА. СПИСОК ОСНОВНЫХ ТЕМ
Varero
Новичок
Сообщения: 2
Зарегистрирован: 18 апр 2016 13:03
Автомобиль: Nissan Maxima QX 2.0 a33 2001 мкпп

Re: Вопрос по стеклоочистителям

Сообщение Varero »

Ребята у меня такой вопрос. При включении зажигания дворники делают 2-3 взмаха непрерывно. Надоело, постоянно скребут по сухому стеклу. При вытаскивании предохранителя под рулем перестают( то есть не работают совсем). Но при этом не разжигается ксенон на левой фаре(габаритки горят). Помогите!!!
Ответить