Замена двигателя 2 л. на 3 л. и АКПП на МКПП
Модераторы: Бармаглот, тах, Анатолий Васильев, Gamlet
-
ivy_68@mail.ru
- Капитан
- Сообщения: 100
- Зарегистрирован: 13 сен 2010 15:11
- Автомобиль: nissan maxima 2006г А33 3.0 мкпп.
- Откуда: Татарстан
Замена двигателя 2 л. на 3 л. и АКПП на МКПП
В двух словах есть два "максима" один 02г ударенный в зад и другой 06г ударенный в морду
06г 2-х литровый автомат 02г араб 3-х литровый механика
Вопрос можно ли на 06г "максим" перекинуть 3-х литровый движок с каробасом от 02г араба
без особых заморочек или это всё геморно
- skay
- Майор
- Сообщения: 204
- Зарегистрирован: 23 июн 2006 18:54
- Автомобиль: nissan-maxima QX 3L АКПП 2004 год ,Была А32 3л МКПП арабка
- Откуда: Москва
Re: Перекидка
- Stasmaxima
- Администрация клуба
- Сообщения: 3259
- Зарегистрирован: 29 июл 2004 09:28
- Автомобиль: Были все максимы. Сейчас Z51 и !!!M109R!!!!
- Откуда: Москва
- Контактная информация:
Re: Перекидка
Часы работы: с 10 до 19 часов.

-
ivy_68@mail.ru
- Капитан
- Сообщения: 100
- Зарегистрирован: 13 сен 2010 15:11
- Автомобиль: nissan maxima 2006г А33 3.0 мкпп.
- Откуда: Татарстан
Re: Замена двигателя 2 л. на 3 л. и АКПП на МКПП
Re: Замена двигателя 2 л. на 3 л. и АКПП на МКПП
-
gavrilov
- Генерал-майор
- Сообщения: 1036
- Зарегистрирован: 18 янв 2008 11:51
- Автомобиль: Maxima 3.0 SE. 2005г.
- Откуда: Иркутск
- Контактная информация:
Re: Замена двигателя 2 л. на 3 л. и АКПП на МКПП
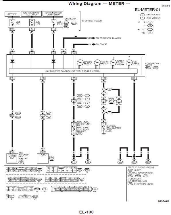
С датчиков ABS берётся сигнал для тахометра на А33
Для "ivy_68@mail.ru"
Вот схема приборки. Начни с предохранителей
Re: Замена двигателя 2 л. на 3 л. и АКПП на МКПП
-
ivy_68@mail.ru
- Капитан
- Сообщения: 100
- Зарегистрирован: 13 сен 2010 15:11
- Автомобиль: nissan maxima 2006г А33 3.0 мкпп.
- Откуда: Татарстан
Re: Замена двигателя 2 л. на 3 л. и АКПП на МКПП
gavrilov писал(а):Для "sogd"
С датчиков ABS берётся сигнал для тахометра на А33
Для "ivy_68@mail.ru"
Вот схема приборки. Начни с предохранителей
Благодарю за схему отдам электрику
Замена 2.0АТ на 3.0МТ
что делать с NATSом и иммобилайзером, не будет ли потом проблем с электрикой, выслушаю все ваши мысли по поводу данного свапа! всем откликнувшимся заранее спасибо!
-
тах
- Маршал
- Сообщения: 9743
- Зарегистрирован: 21 сен 2008 12:12
- Автомобиль: А32 ЦЕФИРО 1998г 2.0 АКПП
- Откуда: НОВОСИБИРСК
Re: Замена 2.0АТ на 3.0МТ
вот темы по двигателю search.php?st=0&sk=t&sd=d&sr=posts&keyw ... =titleonlyNismax32 писал(а):всем привет! имеется Макс 97 года 2.0 АТ европеец и донор араб 3.0 механика 96 год, какие могут возникнуть проблемы при свапе, с араба забираем двиг и коробку!
что делать с NATSом и иммобилайзером, не будет ли потом проблем с электрикой, выслушаю все ваши мысли по поводу данного свапа! всем откликнувшимся заранее спасибо!
вот замена коробок search.php?keywords=%D0%B7%D0%B0%D0%BC% ... 1%81%D0%BA
а ещё обратись к Стасу, он уже не раз проделывал, такой свап, например zlo777
КРАТКОЕ ОГЛАВЛЕНИЕ ФОРУМА. СПИСОК ОСНОВНЫХ ТЕМ