Датчик скорости!?!

Модераторы: Бармаглот, тах, Анатолий Васильев, Gamlet

SQX
Новичок
Сообщения: 1
Зарегистрирован: 13 апр 2008 19:53
Откуда: Москва

Датчик скорости!?!

Сообщение SQX »

перестал работать спидометр и одометр! то показывает то нет!покапался в поиске люди пишут что скорее всего датчик скорости неисправен! нашел этот датчик на коробке,открутил ,почистил контакты,попытался разобрать - не получилось!(кто нибудь пробывал его разбирать?)поставил на место ,никакого эффекта,вопрос как лучше поступить купить новый или взять на разборе? вообще нового почемуто нигде не могу найти, а брать на разборе(1500р)? страшно вдруг окажеться таким же как у меня.
Аватара пользователя
kadr
Лейтенант
Сообщения: 55
Зарегистрирован: 12 апр 2008 20:57
Автомобиль: Максима А32QX Автомат 97г
Откуда: mscw kuzminki
Контактная информация:

Сообщение kadr »

таже ситуация . спидометр не работает. то включается то неправильно скорость показывает. насчет одометра все норм, километры считает как надо.
Аватара пользователя
esl
Генерал-майор
Сообщения: 1503
Зарегистрирован: 01 мар 2007 20:55
Автомобиль: А33 2002 3.0 мех.
Откуда: Москва

Сообщение esl »

Аватара пользователя
allert
Маршал
Сообщения: 9285
Зарегистрирован: 04 апр 2006 23:24
Автомобиль: 32 QX 99г. мкпп vq20 ,Teana J32 vq25 11г., Almera B10 акпп 06г.,Teana J32 vq25 13г.
Откуда: Москва
Контактная информация:

Сообщение allert »

kadr, а тебе - искать темы про пропайку платы спидометра, многим помогает - неконтакы на плате - видимо порок этого приборчика.
Жизнь покажет...
Аватара пользователя
kadr
Лейтенант
Сообщения: 55
Зарегистрирован: 12 апр 2008 20:57
Автомобиль: Максима А32QX Автомат 97г
Откуда: mscw kuzminki
Контактная информация:

Сообщение kadr »

allert писал(а):kadr, а тебе - искать темы про пропайку платы спидометра, многим помогает - неконтакы на плате - видимо порок этого приборчика.
хм, ясно. будем разбирать приборку. Спасибо отпишусь по окончании
Ник_нск
Новичок
Сообщения: 9
Зарегистрирован: 28 мар 2008 13:33
Откуда: Новомосковск, Тульская обл

Сообщение Ник_нск »

allert писал(а):kadr, а тебе - искать темы про пропайку платы спидометра, многим помогает - неконтакы на плате - видимо порок этого приборчика.
Я с таким безобразием сталкивался-пропаял плату комбинации приборов и все в норму пришло :D только смотри внимательне и при хорошем освещении.Удачи!
Аватара пользователя
армик
Полковник
Сообщения: 622
Зарегистрирован: 12 янв 2008 12:28
Автомобиль: Мaxima 2003г. CА33, АКПП
Откуда: Туркменистан

Сообщение армик »

На сколько я знаю, "датчик скорости" отвечает за переключение передач в АКПП, а показание спидометр идёт через АБС.
Аватара пользователя
Анатолий Васильев
Соавтор сайта
Сообщения: 6500
Зарегистрирован: 16 ноя 2004 11:40
Автомобиль: KIA Sorento 2.2 CRDi
Откуда: Москва
Контактная информация:

Сообщение Анатолий Васильев »

армик,
показание спидометр идёт через АБС
никому больше не говори..... это будет твоя эксклюзивная тайна.....
Не трожь технику - она не подведет!
Аватара пользователя
toweroff
Подполковник
Сообщения: 360
Зарегистрирован: 31 мар 2006 11:44
Автомобиль: Maxima 2000г.р. A33 3л АКПП, Teana 2011г.р. 3.5 CVT
Откуда: Москва

Сообщение toweroff »

армик писал(а):На сколько я знаю, "датчик скорости" отвечает за переключение передач в АКПП, а показание спидометр идёт через АБС.
когда абс срабатывает, увеличивается точность показания датчика скорости. Актуально, когда въезжаешь в жопу кому-нибудь
Аватара пользователя
армик
Полковник
Сообщения: 622
Зарегистрирован: 12 янв 2008 12:28
Автомобиль: Мaxima 2003г. CА33, АКПП
Откуда: Туркменистан

Сообщение армик »

не знаю как, но когда летит АБС, то почему то перестаёт работать спидометр. А если я ошибаюсь, то вместо по..ёбок лучше бы показали на мою ошибки и научили. Несмешно!!!! :(
Аватара пользователя
Анатолий Васильев
Соавтор сайта
Сообщения: 6500
Зарегистрирован: 16 ноя 2004 11:40
Автомобиль: KIA Sorento 2.2 CRDi
Откуда: Москва
Контактная информация:

Сообщение Анатолий Васильев »

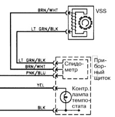
Вот схема. VSS - это и есть датчик скороти. Третий провод идет на "мозги - чтоб они знали скорость. АБС на спидометр вообще не завязан....
Вложения
спидометр.jpg
Не трожь технику - она не подведет!
moLoDoi
Рядовой
Сообщения: 26
Зарегистрирован: 18 сен 2007 18:39
Откуда: M.City

Сообщение moLoDoi »

это не датчик а заглушка которая рядом стоит, датчик стоит порядка 4000 рублей...и отвечает за переключение коробки а не за спидометр
Пермяк
Лейтенант
Сообщения: 92
Зарегистрирован: 03 окт 2007 23:51
Автомобиль: Максима А32. 2 литра, МКПП, 1997
Контактная информация:

Сообщение Пермяк »

kadr,
таже ситуация . спидометр не работает. то включается то неправильно скорость показывает. насчет одометра все норм, километры считает как надо.
такая же история - одометр работает нормально, спидометр же - редиска, начинает показывать со 140.... причем реальная скорость в этот момент составляет 120..... потом при увеличении скорости, показания так же увеличиваются, но как только стрелка достигнет 160, все писец.... дальше ни в какую.... тахометр идет.... спидометр стоит....... плату комбинации смотрел чуть ли не под микроскопом - ничего не увидел, и пришел к такому мнению что паять не стоит....... надо было пропаять, может помогло бы. Сам спидометр пытался разобрать.... , не смог снять плату с самого приборчика, слазит где то 5...7 мм и дальше ни в какую, побоялся сломать..... если пропайка платы поможет, или другую какую причину найдешь - ты обязательно напиши - у нас с тобой похоже одинаковая поломка.... а тоя уже всю голову сломал, или это датчик или сам приборчик....ох чует мой карман - прибор это....

SQX,
попытался разобрать - не получилось!(кто нибудь пробывал его разбирать?)
разбирал, ничего там не увидишь ну если хочешь можешь разобрать - там верхняя крышечка на 4 зубчиках - защелках держиться, осторожно если поддддевать её с помощью отвертки или ножа. то разбирается легко..... только нет ничего - магнитик один и увидишь в виде колесика, да катушку в корпусе запаяную, даже не катушку, а сердечник её........


moLoDoi, чета как то я недопонимаю: как датчик, может отвечать за переключение коробки? ну всяко думал....ну не бывает так, ужо мое КИПовское образование ну никак не может допеткать как так бывает.... #-o #-o #-o
Аватара пользователя
Анатолий Васильев
Соавтор сайта
Сообщения: 6500
Зарегистрирован: 16 ноя 2004 11:40
Автомобиль: KIA Sorento 2.2 CRDi
Откуда: Москва
Контактная информация:

Сообщение Анатолий Васильев »

Умные Вы ребята, только строем не ходите! Еще раз! Датчик скорости завязан на спидометр! Напрямую! Со спидометра (вернее с платы) сигнал идет на "мозги" для различных целей. Одна из которых - переключение коробки - но только в совокупности с сигналом от датчика положения дроссельной заслонки (плюс температуры масла, ....).
Не трожь технику - она не подведет!
Пермяк
Лейтенант
Сообщения: 92
Зарегистрирован: 03 окт 2007 23:51
Автомобиль: Максима А32. 2 литра, МКПП, 1997
Контактная информация:

Сообщение Пермяк »

Анатолий Васильев,
Датчик скорости завязан на спидометр! Напрямую! Со спидометра (вернее с платы) сигнал идет на "мозги" для различных целей. Одна из которых - переключение коробки - но только в совокупности с сигналом от датчика положения дроссельной заслонки (плюс температуры масла, ....).
ну вот так бывает, даже не бывает, а так ЕСТЬ, а то некоторые светлые головы пытаются втемяшить, что если довольно долго раскачивать березу руками, то подует ветер....
Ответить