Как я восстановил клапан EVAP Nissan Maxima A33

Модераторы: Бармаглот, тах, Анатолий Васильев, Gamlet

Яков
Лейтенант
Сообщения: 67
Зарегистрирован: 28 мар 2012 22:15
Автомобиль: Ниссан Максима А32 1996г. 2.0 л. МКПП

Re: Как я восстановил клапан EVAP Nissan Maxima A33

Сообщение Яков »

Holodoc, или менять клапан или менять авто. :mrgreen:
Спасибо!!! Огромное!
Клапан с тремя отводами нашел...остались трубки разветвительные...

Звонил предыдущему хозяину, говорит, когда менял двигатель, один клапан не подключил - не знал как... Но ему мастера сказали, всеравно этот клапан ни на что не повлияет...
Аватара пользователя
Holodoc
Капитан
Сообщения: 140
Зарегистрирован: 26 дек 2010 20:39
Автомобиль: Nissan Maxima A32 1995 VQ25DE MКПП 2.0
Откуда: Москва, ЮВАО

Re: Как я восстановил клапан EVAP Nissan Maxima A33

Сообщение Holodoc »

Яков писал(а):Holodoc, или менять клапан или менять авто. :mrgreen:
Спасибо!!! Огромное!
Клапан с тремя отводами нашел...остались трубки разветвительные...

Звонил предыдущему хозяину, говорит, когда менял двигатель, один клапан не подключил - не знал как... Но ему мастера сказали, всеравно этот клапан ни на что не повлияет...
Пожалуйста.
Не, ну если хочешь, можешь и авто поменять, я имел в виду чтоб посмотреть)))
Самый гимор это трубки менять - как головоломка ежик в клетке :D .
А клапан (клапана) влияет, и даже очень, и на расход, и на приемистость...
Яков
Лейтенант
Сообщения: 67
Зарегистрирован: 28 мар 2012 22:15
Автомобиль: Ниссан Максима А32 1996г. 2.0 л. МКПП

Re: Как я восстановил клапан EVAP Nissan Maxima A33

Сообщение Яков »

Holodoc писал(а): В общем проблемы были такими: машина упорно не хотела нормально ехать и разгоняться в диапазоне оборотов от 1800 до 3500. Также присутствовала детонация, 2-3 секунды когда едешь на второй передаче (прим.1800 об/мин) и нажатии на газ. А езда в пробках на 1-2 передачах вообще выглядела смешно - машина постоянно дергалась как при сбросе газа, так и нажатии на него. Расход также оставлял желать лучшего - в режиме пенсионер он был в районе 13,5-14 литров.
Такие же симптомы.

А про трубочки - главное есть реальная схема подключения, а там - разберемся... :wink:
Egor 789
Майор
Сообщения: 220
Зарегистрирован: 27 сен 2011 19:01
Автомобиль: Nissan Maxima A33 2003 3.0
Откуда: Москва

Re: Как я восстановил клапан EVAP Nissan Maxima A33

Сообщение Egor 789 »

Постараюсь еще раз попробовать объяснить почему эта система вакуумных примочек достаточно сильно влияет на работу двигателя.... Дело в том что все эти примочки типа EGR, VIAS, EVAP и т.д. работают используя конструктивное наличие вакуума в впускном коллекторе бензинового двигателя. Но по тем же конструктивным особенностям расходомер воздуха MAF стоит до дроссельной заслонки, т.е. до зоны вакуума. Он способен считать достаточно точно только воздух, прошедший мимо него; и он понятия не имеет сколько там байпасными путями в коллектор попадает еще неучтенного воздуха.
Так вот программа управления двигателем имеет таблицы впрыска топлива, которые строго экспериментально получены с учетом работы всех систем (egr vias evap) которые снабжают двигатель неучтенным воздухом. Формула работы примерно такая что ЭБУ знает что за столько-то открытий клапана evap при таких-то оборотах и нагрузке попадет столько-то грамм неучтенного воздуха. Или при стольких-та шагах открытия клапана egr при таких-та оборотах и нагрузке попадет столько-то грамм инертных газов. Так вот, если по каким-то причинам одна из этих систем подключена не верно или какой-нибудь клапан не работает или удельный расход газов изменен по причине забитости трубок двигатель на мощностных режимах будет либо переливать либо недоливать топливо. Причем лямбда зонды на ХХ (при погрешности впрыска от номинала не более 25%) поймают правильную смесь, но именно в переходных и мощностных режимах смесь будет не оптимальна. Отсюда детонация, гул, повышенный расход и т.д.
К большому сожалению при больших пробегах эти системы на наших авто просто изнашиваются даже при правильном подсоединении. Например клапан EGR со временем при фиксированном кол-ве шагов имеет повышенный удельный расход (или пониженный если забит). Абсорбер топливных паров также забивается грязью и т.д. Профилактика раз в 5 лет тут конечно не помешает.
Судя по этой ветке, при замене двигателя на контрактный из японии имеем небольшое отличие этих систем, вплоть до наличия или отсутствия клапана egr. Выходит что данная тема должна быть очень актуальна для владельцев именно "контрактников".
Аватара пользователя
Holodoc
Капитан
Сообщения: 140
Зарегистрирован: 26 дек 2010 20:39
Автомобиль: Nissan Maxima A32 1995 VQ25DE MКПП 2.0
Откуда: Москва, ЮВАО

Re: Как я восстановил клапан EVAP Nissan Maxima A33

Сообщение Holodoc »

Egor 789 писал(а):Судя по этой ветке, при замене двигателя на контрактный из японии имеем небольшое отличие этих систем, вплоть до наличия или отсутствия клапана egr. Выходит что данная тема должна быть очень актуальна для владельцев именно "контрактников".
Так и есть, еще раз большое спасибо за то что поднял эту тему.
Яков
Лейтенант
Сообщения: 67
Зарегистрирован: 28 мар 2012 22:15
Автомобиль: Ниссан Максима А32 1996г. 2.0 л. МКПП

Re: Как я восстановил клапан EVAP Nissan Maxima A33

Сообщение Яков »

Egor 789, Holodoc, спасибо.
Буду складывать схему в реальность. Возникнут вопросы, ответы - отпишусь.
Аватара пользователя
allert
Маршал
Сообщения: 9285
Зарегистрирован: 04 апр 2006 23:24
Автомобиль: 32 QX 99г. мкпп vq20 ,Teana J32 vq25 11г., Almera B10 акпп 06г.,Teana J32 vq25 13г.
Откуда: Москва
Контактная информация:

Re: Как я восстановил клапан EVAP Nissan Maxima A33

Сообщение allert »

Holodoc писал(а):
Egor 789 писал(а):Судя по этой ветке, при замене двигателя на контрактный из японии имеем небольшое отличие этих систем, вплоть до наличия или отсутствия клапана egr. Выходит что данная тема должна быть очень актуальна для владельцев именно "контрактников".
Так и есть, еще раз большое спасибо за то что поднял эту тему.
мотор у меня переставлен целиком, еgr в нем нет вовсе, клапан экономайзера с ДВУМЯ трубочками... а мозги то свои -европейские. и что? коррекции в норме, угол опережения тоже. расход штатный, динамика на месте. я бы не преувеличивал влияния этих систем... только конечно не должно быть лишних дырок в вакуум системе.
Жизнь покажет...
Аватара пользователя
Holodoc
Капитан
Сообщения: 140
Зарегистрирован: 26 дек 2010 20:39
Автомобиль: Nissan Maxima A32 1995 VQ25DE MКПП 2.0
Откуда: Москва, ЮВАО

Re: Как я восстановил клапан EVAP Nissan Maxima A33

Сообщение Holodoc »

Было бы здорово если бы ты тоже выложил схему для клапана с двумя выводами. А то вот уже двоим приходится из-за недостатка информации огород городить с заменой клапана.
А системы влияют, еще как. Если отключить VIAS, разницу колоссальную при интенсивном разгоне почувствуешь. Тоже и с EVAP - без него авто дергается на 1-2 передачах в диапазоне 750-1500 об.мин. ИМХО.
Аватара пользователя
rulik
Генерал-лейтенант
Сообщения: 2312
Зарегистрирован: 09 дек 2007 23:46
Автомобиль: А32, 1997, 3 литра, автомат (в багажнике)
Откуда: Берлин

Re: Как я восстановил клапан EVAP Nissan Maxima A33

Сообщение rulik »

Я два месяца ездил с заглушенным EVAP. Разницы вообще никакой не заметил.
Вкус — это способность оценить не пробуя...
Чем позже тормозишь - тем дольше остаешься быстрым...
Я настолько хорошо воспитан, что даже когда посылаю naher, всегда перезваниваю и спрашиваю, как добрался...
Аватара пользователя
dimon-dvs
Полковник
Сообщения: 703
Зарегистрирован: 18 ноя 2011 19:03
Автомобиль: nissan maxima j30.европейка. 1993г.в. v6. 3литра.VG30E 5 кп.мех.синий
Откуда: ижевск

Re: Как я восстановил клапан EVAP Nissan Maxima A33

Сообщение dimon-dvs »

Ребят,а на 30-ке актуальны все эти манипуляции или у нас по другому?,у себя мельком глянул тоже есть клапан с 3-мя трубками
Аватара пользователя
allert
Маршал
Сообщения: 9285
Зарегистрирован: 04 апр 2006 23:24
Автомобиль: 32 QX 99г. мкпп vq20 ,Teana J32 vq25 11г., Almera B10 акпп 06г.,Teana J32 vq25 13г.
Откуда: Москва
Контактная информация:

Re: Как я восстановил клапан EVAP Nissan Maxima A33

Сообщение allert »

Holodoc писал(а):Было бы здорово если бы ты тоже выложил схему для клапана с двумя выводами. А то вот уже двоим приходится из-за недостатка информации огород городить с заменой клапана.
А системы влияют, еще как. Если отключить VIAS, разницу колоссальную при интенсивном разгоне почувствуешь. Тоже и с EVAP - без него авто дергается на 1-2 передачах в диапазоне 750-1500 об.мин. ИМХО.

по VIAS походу у меня нету трубочки которая идет на впускной тракт за фильтр. зачем она нужна - сказать сложно - возможно обеспечивает пневмопривод чистым воздухом. а в моем варианте - берем с улицы (когда клапан закрывается - в пневмопривод откуда то должен вернуться воздух.).

по EVAP - ну-ка - если можно поподробнее про дерганье на малых оборотах расскажи - что то подобное у меня бывает иногда!
Жизнь покажет...
Аватара пользователя
Holodoc
Капитан
Сообщения: 140
Зарегистрирован: 26 дек 2010 20:39
Автомобиль: Nissan Maxima A32 1995 VQ25DE MКПП 2.0
Откуда: Москва, ЮВАО

Re: Как я восстановил клапан EVAP Nissan Maxima A33

Сообщение Holodoc »

У меня было все напутано-перепутано в подключениях клапанов. Были ООчень сильные дергания если равномерно ехать на 1-2 передаче, поддерживая постоянные низкие обороты двигателя. Дергалась так, что было ощущение что двигатель то выключался, то включался. Помню на шестерке когда бенз заканчивался также колбасило :lol: . После восстановления правильного подключения дергания пропали.
PS. Ждем схему в студию )))

И еще, возможно не в эту тему, но все же....
На нейтралке при плавном-плавном увеличении оборотов наблюдается такая ситуация: с 700 до 1000 оборты поднимаются плавно, "идут за педалью", затем резко прыгают до 1500 об/мин, и далее в течение 7-8 секунд поднимаются до 1800. Тросик не закусывает, тоже самое наблюдается если дозировать за сектор ДЗ. Напряжение на ДПДЗ возрастает плавно, без скачков от 0.45 до 4 В. Может это как то связано именно с тем что описал Егор - система Egr отсутствует, а мозги на нее рассчитывают.
Яков
Лейтенант
Сообщения: 67
Зарегистрирован: 28 мар 2012 22:15
Автомобиль: Ниссан Максима А32 1996г. 2.0 л. МКПП

Re: Как я восстановил клапан EVAP Nissan Maxima A33

Сообщение Яков »

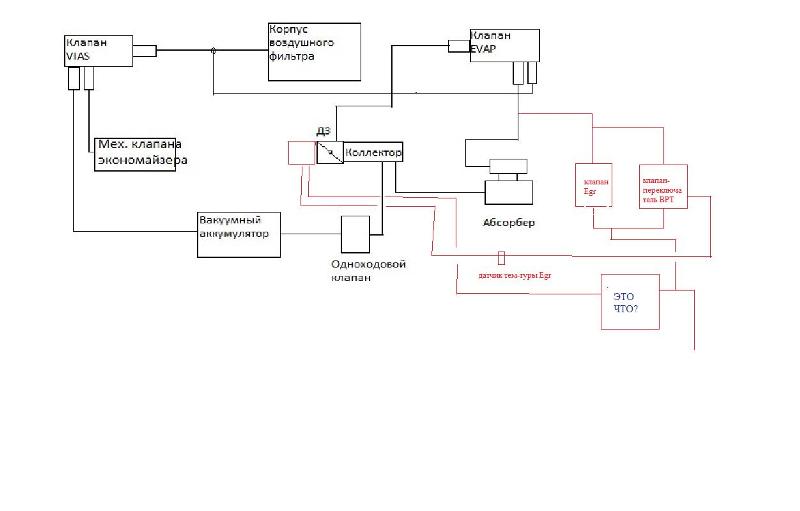
Вдогонку по клапану EGR: добавил в схему Holodoc'а отводы по клапану EGR (красным). Правильно ли? Ещё вопрос в самой схеме.
Вложения
Egr2.jpg
Аватара пользователя
rulik
Генерал-лейтенант
Сообщения: 2312
Зарегистрирован: 09 дек 2007 23:46
Автомобиль: А32, 1997, 3 литра, автомат (в багажнике)
Откуда: Берлин

Re: Как я восстановил клапан EVAP Nissan Maxima A33

Сообщение rulik »

Holodoc писал(а):И еще, возможно не в эту тему, но все же....
На нейтралке при плавном-плавном увеличении оборотов наблюдается такая ситуация: с 700 до 1000 оборты поднимаются плавно, "идут за педалью", затем резко прыгают до 1500 об/мин, и далее в течение 7-8 секунд поднимаются до 1800. Тросик не закусывает, тоже самое наблюдается если дозировать за сектор ДЗ. Напряжение на ДПДЗ возрастает плавно, без скачков от 0.45 до 4 В. Может это как то связано именно с тем что описал Егор - система Egr отсутствует, а мозги на нее рассчитывают.
Очень даже в тему. У меня наблюдается точно такая же байда. Только вот автоматическая коробка, видимо, сглаживает дерганье на малых оборотах. Но удержать обороты в некотором диапазоне тоже не получается ни с педали, ни с дросселя.
Если предположить, что система EGR может настолько сильно влиять на поведение двигателя на малых оборотах под нагрузкой, то стоит обратить внимание на эту схему из мануала.
EGRC-BPT.jpg
Речь веду о клапане EGRC-BPT. Там есть воздушный фильтр, через который подсасывается забортный неучтенный воздух в зависимости от давления выхлопных газов, то есть от оборотов. Он же, если я правильно понял схему, в зависимости от степени загаженности, напрямую влияет на работу клапана EGR. Нашим машинам плюс/минус 15 лет. Кто менял этот фильтр? Кто собирается это делать? Ответ один и очевиден - никто. Новый клапан в сборе будет стоить как чугунный мост. Вымачивать и вымывать в ВД-шке или ацетоне - мероприятие весьма сомнительное. Потому я лично забил на этот косяк. Пока инспекцию по выхлопу прохожу - никаких поползновений.
Есть вариант заглушить систему полностью, но мне он не подходит в виду страны проживания. Иначе не пройду ТО. Для остальных имеет смысл прислушаться к Egor 789. Думаю, он прав.
Это было моё мнение.
С удовольствием выслушаю обоснованные контраргументы )))
Вкус — это способность оценить не пробуя...
Чем позже тормозишь - тем дольше остаешься быстрым...
Я настолько хорошо воспитан, что даже когда посылаю naher, всегда перезваниваю и спрашиваю, как добрался...
Egor 789
Майор
Сообщения: 220
Зарегистрирован: 27 сен 2011 19:01
Автомобиль: Nissan Maxima A33 2003 3.0
Откуда: Москва

Re: Как я восстановил клапан EVAP Nissan Maxima A33

Сообщение Egor 789 »

И еще, возможно не в эту тему, но все же....
На нейтралке при плавном-плавном увеличении оборотов наблюдается такая ситуация: с 700 до 1000 оборты поднимаются плавно, "идут за педалью", затем резко прыгают до 1500 об/мин, и далее в течение 7-8 секунд поднимаются до 1800. Тросик не закусывает, тоже самое наблюдается если дозировать за сектор ДЗ. Напряжение на ДПДЗ возрастает плавно, без скачков от 0.45 до 4 В. Может это как то связано именно с тем что описал Егор - система Egr отсутствует, а мозги на нее рассчитывают.[/quote]

По этому поводу переживать не стоит. Я тоже несколько раз экспериментировал с этим явлением с помощью сканера. Дело в том что ЭБУ чтобы выйти с режима ХХ вносит определенный коридор для показаний ДПДЗ. Т.е. предположим на ХХ ДПДЗ показывает 0,5В , и это не означает что если ДПДЗ покажет 0,51В ЭБУ выведет двигатель из режима ХХ в мощностной, при таком значении ДПДЗ он воспринимает это как погрешность, при этом фактически вы немного приоткрыли ДЗ педалью газа и дали чуть больше воздуха. И в этот момент ЭБУ вместо того чтобы поднять обороты начинает прикрывать КХХ чтобы вернуть ХХ, он ведь считает что 0,51В еще ХХ. В результате КХХ уже полностью закрыт и уменьшить обороты уже не может и обороты ХХ медленно растут. И если ДЗ еще чуть приоткрыть (скажем до 5,5В) показания ДПДЗ выходят из коридора погрешности, ЭБУ переходит на мощностной режим и КХХ резко дает больше воздуха, т.к. он должен пропорционально открываться ДЗ. Вот вам и резкий взлет оборотов.
Ответить