моторчик стеклоомывателя
Модераторы: Бармаглот, тах, Анатолий Васильев, Gamlet
-
Веркина Ласточка
- Новичок
- Сообщения: 3
- Зарегистрирован: 05 фев 2015 13:17
- Автомобиль: Nissan maxima,1995,АКПП,140 л.с.
Re: Моторчик стеклоомывателя
-
Веркина Ласточка
- Новичок
- Сообщения: 3
- Зарегистрирован: 05 фев 2015 13:17
- Автомобиль: Nissan maxima,1995,АКПП,140 л.с.
Re: моторчик стеклоомывателя
-
тах
- Маршал
- Сообщения: 9743
- Зарегистрирован: 21 сен 2008 12:12
- Автомобиль: А32 ЦЕФИРО 1998г 2.0 АКПП
- Откуда: НОВОСИБИРСК
Re: моторчик стеклоомывателя
отгнивают провода, смотри темы, типа ремонт моторчика омывателяВеркина Ласточка писал(а):Проверили.Все проводки и фишки посмотрели.Все в порядке.Почему не работает-то???
КРАТКОЕ ОГЛАВЛЕНИЕ ФОРУМА. СПИСОК ОСНОВНЫХ ТЕМ
- Stasmaxima
- Администрация клуба
- Сообщения: 3259
- Зарегистрирован: 29 июл 2004 09:28
- Автомобиль: Были все максимы. Сейчас Z51 и !!!M109R!!!!
- Откуда: Москва
- Контактная информация:
Re: моторчик стеклоомывателя
Насос работает, на клеммах проводов есть и + и - , а водичка не брызгает? Замерзла, зима однако...Веркина Ласточка писал(а):Проверили.Все проводки и фишки посмотрели.Все в порядке.Почему не работает-то???
Часы работы: с 10 до 19 часов.

-
Евгений1982
- Лейтенант
- Сообщения: 77
- Зарегистрирован: 30 ноя 2014 09:36
- Автомобиль: maxima A33 2001 МКПП 2.0
Re: моторчик стеклоомывателя
-
тах
- Маршал
- Сообщения: 9743
- Зарегистрирован: 21 сен 2008 12:12
- Автомобиль: А32 ЦЕФИРО 1998г 2.0 АКПП
- Откуда: НОВОСИБИРСК
Re: моторчик стеклоомывателя
рядом с бачком омывателяЕвгений1982 писал(а):Скажите, а где моторчик находиться? Как добраться до клемы?
Ссылка на книгу
Nissan_A33 rus инструкция по эксплуатации, устройство ремонт.rar
КРАТКОЕ ОГЛАВЛЕНИЕ ФОРУМА. СПИСОК ОСНОВНЫХ ТЕМ
-
Евгений1982
- Лейтенант
- Сообщения: 77
- Зарегистрирован: 30 ноя 2014 09:36
- Автомобиль: maxima A33 2001 МКПП 2.0
Re: моторчик стеклоомывателя
-
Евгений1982
- Лейтенант
- Сообщения: 77
- Зарегистрирован: 30 ноя 2014 09:36
- Автомобиль: maxima A33 2001 МКПП 2.0
Re: моторчик стеклоомывателя
- allert
- Маршал
- Сообщения: 9285
- Зарегистрирован: 04 апр 2006 23:24
- Автомобиль: 32 QX 99г. мкпп vq20 ,Teana J32 vq25 11г., Almera B10 акпп 06г.,Teana J32 vq25 13г.
- Откуда: Москва
- Контактная информация:
Re: моторчик стеклоомывателя
-
Евгений1982
- Лейтенант
- Сообщения: 77
- Зарегистрирован: 30 ноя 2014 09:36
- Автомобиль: maxima A33 2001 МКПП 2.0
Re: моторчик стеклоомывателя
- g@mer
- Генерал-майор
- Сообщения: 1540
- Зарегистрирован: 08 авг 2008 23:01
- Автомобиль: MaximaQX33 3.0акпп,ваз2107-88го и 96го,Мурано 2004
- Откуда: Одесса
Re: моторчик стеклоомывателя
-
Irbis93
- Рядовой
- Сообщения: 32
- Зарегистрирован: 10 окт 2014 12:38
- Автомобиль: Nissan Maxima QX A32 '97 2.0 manual
- Откуда: г. Армавир
Re: Моторчик стеклоомывателя
-
gavrilov
- Генерал-майор
- Сообщения: 1036
- Зарегистрирован: 18 янв 2008 11:51
- Автомобиль: Maxima 3.0 SE. 2005г.
- Откуда: Иркутск
- Контактная информация:
Re: Моторчик стеклоомывателя
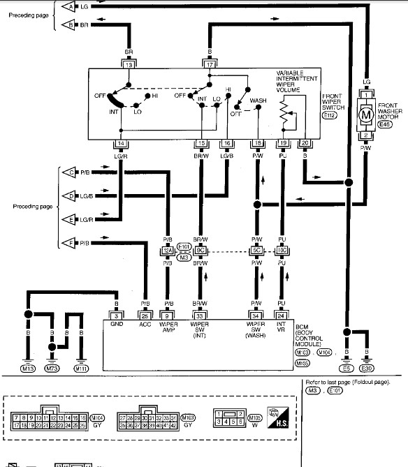
Подключи в соответствии с мануаломIrbis93 писал(а):Привет всем. машина досталась мне с обрывом в цепи омывателя. (вообще там много колхоза) Провел я новую проводку, а куда подцепить не знаю, тк если подключаю его на рычажок срабатывают дворники (моторчик сквозной, замыкает проводку). Куда его подцепить что бы все работало как надо? Вообще куда должна идти проводка от моторчика изначально (вроде на компьютер какой-то?)
-
Irbis93
- Рядовой
- Сообщения: 32
- Зарегистрирован: 10 окт 2014 12:38
- Автомобиль: Nissan Maxima QX A32 '97 2.0 manual
- Откуда: г. Армавир
Re: Моторчик стеклоомывателя
большое спасибо. но для тупого могли бы вы на схеме пометить "че куда пихать". А то не особо шарю).gavrilov писал(а):Подключи в соответствии с мануаломIrbis93 писал(а):Привет всем. машина досталась мне с обрывом в цепи омывателя. (вообще там много колхоза) Провел я новую проводку, а куда подцепить не знаю, тк если подключаю его на рычажок срабатывают дворники (моторчик сквозной, замыкает проводку). Куда его подцепить что бы все работало как надо? Вообще куда должна идти проводка от моторчика изначально (вроде на компьютер какой-то?)
UPD: Вроде разобрался! минус на 20й предохранитель, а плюс на рычажок, так?
UPD2: Все! Сделал, работает!) Спасибо!
-
gavrilov
- Генерал-майор
- Сообщения: 1036
- Зарегистрирован: 18 янв 2008 11:51
- Автомобиль: Maxima 3.0 SE. 2005г.
- Откуда: Иркутск
- Контактная информация:
Re: Моторчик стеклоомывателя
Irbis93 писал(а):
UPD: Вроде разобрался! минус на 20й предохранитель, а плюс на рычажок, так?
UPD2: Все! Сделал, работает!) Спасибо!
Вот и хорошо.
Молодец, сам разобрался!