лямбды

Модераторы: Бармаглот, тах, Анатолий Васильев, Gamlet

Ростик
Рядовой
Сообщения: 10
Зарегистрирован: 04 сен 2010 22:34
Автомобиль: Nissan, Maxima, 1997, 3.0, MKПП.

Re: лямбды

Сообщение Ростик »

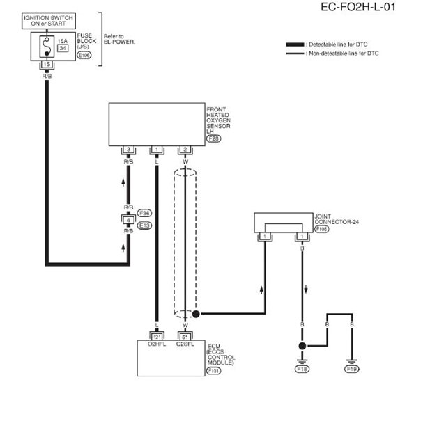
У меня Мах 32 '97г 3.0
На выпуске стоит только одна лямда.(впереди)
Причом, диагностика ни нашо не жалуется.
В фактических параметрах, предусмотрено отображается одного сигнала лямды.
По схеме указано две лямды (два банка). Стоит одна.
Или так было установлено заводом, или кто то до меня удалил одну лямду.
Кто чего подскажет.
тах
Маршал
Сообщения: 9743
Зарегистрирован: 21 сен 2008 12:12
Автомобиль: А32 ЦЕФИРО 1998г 2.0 АКПП
Откуда: НОВОСИБИРСК

Re: лямбды

Сообщение тах »

Ростик писал(а):Или так было установлено заводом, или кто то до меня удалил одну лямду.
Кто чего подскажет.
сюда заходишь, свой номер вбиваешь и смотри http://www.japancats.ru/
вторая лямбда, после ката на смесеобразование не влияет
по этой ссылке можно найти: темы, мануал и другие вопросы Вас интересующие
КРАТКОЕ ОГЛАВЛЕНИЕ ФОРУМА. СПИСОК ОСНОВНЫХ ТЕМ
VadimF
Капитан
Сообщения: 173
Зарегистрирован: 10 фев 2010 09:34
Автомобиль: А32 3.0 МКПП 1998г серебро
Откуда: Казахстан Кокчетав
Контактная информация:

Re: лямбды

Сообщение VadimF »

Должны быть 2-е до ката и все. Хорошо видно под машиной.Под капотом по разъемам 1-банк1, 2-банк2.
тах
Маршал
Сообщения: 9743
Зарегистрирован: 21 сен 2008 12:12
Автомобиль: А32 ЦЕФИРО 1998г 2.0 АКПП
Откуда: НОВОСИБИРСК

Re: лямбды

Сообщение тах »

VadimF писал(а):Должны быть 2-е до ката и все.
нашел - хоршо, исправляй, ставь вторую.
по этой ссылке можно найти: темы, мануал и другие вопросы Вас интересующие
КРАТКОЕ ОГЛАВЛЕНИЕ ФОРУМА. СПИСОК ОСНОВНЫХ ТЕМ
VadimF
Капитан
Сообщения: 173
Зарегистрирован: 10 фев 2010 09:34
Автомобиль: А32 3.0 МКПП 1998г серебро
Откуда: Казахстан Кокчетав
Контактная информация:

Re: лямбды

Сообщение VadimF »

Первый над всасывающим коллектором возле первой катушки, второй между двигателем и вентилятором радиатора напротив надписи 3000. Оба 3-ех. контактные
Еще раз выложил http://pic.lg.ua/show/de58/
Вложения
400_thumb.jpg
fed_mik
Рядовой
Сообщения: 30
Зарегистрирован: 01 окт 2010 11:29
Автомобиль: nissan A32, 1998, 3.0, АКПП
Откуда: Чувашская Республика (чебы)

Re: лямбды

Сообщение fed_mik »

что то как то не сходится по проводам.
ВАЗ ЛЗ сигнал (черный) - на черный проводки;
ВАЗ ЛЗ подогрев (белый) - на любой белый проводки;
ВАЗ ЛЗ второй подогрев (белый) на второй белый проводки;
ВАЗ ЛЗ сигнальная масса (серый) - на новый провод и под болт кронштейна у разьема.
а по картинке мануала
f00c9d446341.jpg
таких цветов совсем нет!
я так понял по мануалу -
красно-черный - +12 в на подогрев. - надо на белый подогрева ваз лз
синий - ?? на какой цвет ваз лз?
белый - на черный ваз лз.
на массу - второй белый провод ваз лз.

как я понимаю с ЕКУ выходит 2 провода - 1 сигнальный - 2-ой земля (типа опорника для сигнала)?
Правильно ли рассуждаю?
VadimF
Капитан
Сообщения: 173
Зарегистрирован: 10 фев 2010 09:34
Автомобиль: А32 3.0 МКПП 1998г серебро
Откуда: Казахстан Кокчетав
Контактная информация:

Re: лямбды

Сообщение VadimF »

По мануалу ты смотриш схему до разъема от лямбды. А в описании говорилось о подключения вазовского л.зонда к разъему от ниссановского, тоесть от ниссановского л.з откусываеш разъем с проводами(2-белых и один черный) и припаеваеш вазовский.
Если тебя интересует по схеме мануала, то красный "+" на белый ВаЗ, синий"-" на белый ВаЗ, белый-сигнальный на черный ВаЗ, вазовский серый на массу.
fed_mik
Рядовой
Сообщения: 30
Зарегистрирован: 01 окт 2010 11:29
Автомобиль: nissan A32, 1998, 3.0, АКПП
Откуда: Чувашская Республика (чебы)

Re: лямбды

Сообщение fed_mik »

спасиб за инфу..
странно что по мануалу только до разъема инфу дают.
Bodibilder
Рядовой
Сообщения: 48
Зарегистрирован: 17 июл 2010 00:16
Автомобиль: nissan maxima qx a32 3литра АКПП
Контактная информация:

Re: лямбды

Сообщение Bodibilder »

всем привет....возможно ли что моя проблема с большим расходом это дело неисправных лямд???но чек не горит!!!как проверить их исправность???и могут ли это тупить именно они??
VadimF
Капитан
Сообщения: 173
Зарегистрирован: 10 фев 2010 09:34
Автомобиль: А32 3.0 МКПП 1998г серебро
Откуда: Казахстан Кокчетав
Контактная информация:

Re: лямбды

Сообщение VadimF »

Чек гореть не будет. Проверка л.з. прочитай по ссылке http://automn.ru/nissan-maxima-qx/nissa ... d-788.html.
Но лучше проверить на диагностическом оборудовании.
Arhat
Подполковник
Сообщения: 366
Зарегистрирован: 20 сен 2009 12:11
Автомобиль: Был Ниссан, Максима, 1997 г., 3л, МКПП. Сейчас Пежо 308, 1,6л.
Откуда: Москва

Лямбды???

Сообщение Arhat »

Доброго времени суток! Какая то непонятная фигня (для меня пока что). После капремона движка (форсунка ЗАЛИВАЛА!!!!Затроил,гарь вонючая и масло с бензином смешалось, случился взрыв в горшке,и шатун погнуло), увеличился расход на 2 литра, и запашок из выхлопной неприятный, химический. После высоких оборотов в большинстве случаев обороты сбрасыватся до 450-500, и выравниваются на 650. Посмотрел на VCONS-100, по показаниям лямдов - О2 и О2П:стоят на нолях, иногда при подгазовке поднимаются до 400 и снова на ноли. Лямбды загнулись или может можно их почистить (перед ремонтом могли, теоретически, загрязниться) ?????
VadimF
Капитан
Сообщения: 173
Зарегистрирован: 10 фев 2010 09:34
Автомобиль: А32 3.0 МКПП 1998г серебро
Откуда: Казахстан Кокчетав
Контактная информация:

Re: лямбды

Сообщение VadimF »

Да, лямбды загнулись. Наверно их убило несгоревшее топливо когда лила форсунка. Можно конечно проверить питание на подогрев, но скорее сами лямбды. Чистить их бесполезно, меняй на ВАЗовские.
Arhat
Подполковник
Сообщения: 366
Зарегистрирован: 20 сен 2009 12:11
Автомобиль: Был Ниссан, Максима, 1997 г., 3л, МКПП. Сейчас Пежо 308, 1,6л.
Откуда: Москва

Re: лямбды

Сообщение Arhat »

VadimF писал(а):Да, лямбды загнулись. Наверно их убило несгоревшее топливо когда лила форсунка. Можно конечно проверить питание на подогрев, но скорее сами лямбды. Чистить их бесполезно, меняй на ВАЗовские.
Хреново ... )))) И запах из выхлопной тоже изза них? Кстати, посмотрел на смесь топлива: БОГ и БОГ. А где эти лямбы находятся (О2 и О2П), и какие вазовские? Я что то читал здесь, но совсем запутался )))) А б/у нельзя?
Аватара пользователя
allert
Маршал
Сообщения: 9285
Зарегистрирован: 04 апр 2006 23:24
Автомобиль: 32 QX 99г. мкпп vq20 ,Teana J32 vq25 11г., Almera B10 акпп 06г.,Teana J32 vq25 13г.
Откуда: Москва
Контактная информация:

Re: лямбды

Сообщение allert »

б.у нельзя. смысла нет. лямбды в приемных трубах - можно добраться снизу. "ваз"-овские - это собственно бош. есть смысл ставить "универсальные" бош - цена то та же - просто у них разъем не припаян - придется самому.

З.Ы запах не из-за них - свидетельствует о загрязненном катализаторе - чистый в нагретом состоянии отдает миндалем - загрязненный - тухлыми яйцами. впрочем - поменяешь лямбды, покатаешься с газком на нормальной смеси - может пройдет.
Жизнь покажет...
VadimF
Капитан
Сообщения: 173
Зарегистрирован: 10 фев 2010 09:34
Автомобиль: А32 3.0 МКПП 1998г серебро
Откуда: Казахстан Кокчетав
Контактная информация:

Re: лямбды

Сообщение VadimF »

viewtopic.php?f=9&t=22125 это про б.у лямбды
http://www.cefiro.ru/experience/showart ... &thiscat=2 лямбда от ВАЗа
Ответить