Передний подрамник А33 замена сайлент блоков
Модераторы: Бармаглот, тах, Анатолий Васильев, Gamlet
-
Egor 789
- Майор
- Сообщения: 220
- Зарегистрирован: 27 сен 2011 19:01
- Автомобиль: Nissan Maxima A33 2003 3.0
- Откуда: Москва
Re: Передний подрамник А33 замена сайлент блоков
-
gostandart
- Капитан
- Сообщения: 102
- Зарегистрирован: 20 мар 2010 08:37
- Автомобиль: A33, 2003, АКПП, 3.0
- Откуда: Краснодар
Re: Передний подрамник А33 замена сайлент блоков
Немного конкретизирую приведенные в данном топике сведения (и без меня уже неплохо, но больше - лучше).
Моя максима А33, 3л, автомат, 100 тыс. ровно пробег, 2003 год.
Менял всю подвеску спереди и рулевую рейку (но пишу только о сайлент-блоках подрамника), сам нуждался в быстром подборе запчастей.
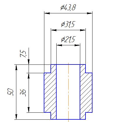
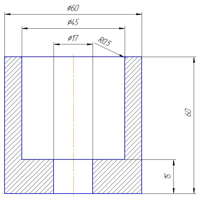
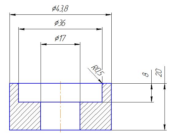
Итак, передняя и задняя пара сайлент-блоков различается и не продается именно для нас в нужном виде. Поэтому благодаря этому топику были куплены 4 сайлент-блока (Sidem 871621 примерно за 250 руб./шт. на exist, аналогичен Febest MAB-031, но не Febest:) На тот момент, я не думал, что нужны только ДВА сайлента (спереди-то другие...). Далее они (ДВА) проточены как указано ранее в топике, а именно до таких размеров (см. габаритный эскиз "Задний сайлент-блок подрамника") силами токаря.
Осталось найти передние сайлент-блоки и желательно, чтобы токарь больше не был нужен (долго ходить и просит 1000 руб.) По каталогам повезло найти Febest NAB-011 (купил 2 шт. по 550 руб./шт. на exist), который предназначен для подрамника другого ниссана постарше. Столь подходящий вариант нашел только у Febest. Всё, что нужно поправить - это отрезать "лишнюю" длину внутренней втулки до 50 мм. Другое отличие - длина наружной втулки составляет 33мм вместо 36мм на родном (думал запрессовать, обмазав резьбовым фиксатором, но как-то 3мм вряд ли повлияют на усилие страгивания
Большим вопросом для меня стали демонтаж и монтаж этих сайлент-блоков (делал сам), т.к. не хочу колхозить кувалдой (да и вряд ли живым останешься при таком способе:). ПРИШЛОСЬ заказать у токаря съемник для ПЕРЕДНИХ сайлент-блоков(вытачивали 2 компонента из Ст3 (толщины лучше не уменьшать, у меня начало проминать немного даже с такими размерами...), но понадобится еще хороший болт/шпилька, например, от старого съемника пружин). Размеры для удобства приведены в приложении: "Выжимка А" (наружный диаметр 43,8 мм не увеличивайте, т.к. из-за некоторой овальности посадочного отверстия в подрамнике ~0,5 мм по диаметру Выжимка А тяжеловато проходит) и "Выжимка Б" (для переднего сайлент-блока). Задние сайлент-блоки выдавливал так же, но Выжимка А по наружному диаметру должна быть ~44,5-45 мм (у меня просто в гараже нашлась), а в качестве Выжимки Б отрезал трубу подходящую с внутренним диаметром около 47 мм, но, по возможности, лучше заказать токарю. Усилие страгивания приличное - крутил гайку ключом с удлинителем (может, только у меня так...)
-
gostandart
- Капитан
- Сообщения: 102
- Зарегистрирован: 20 мар 2010 08:37
- Автомобиль: A33, 2003, АКПП, 3.0
- Откуда: Краснодар
Re: Передний подрамник А33 замена сайлент блоков
Получилось так: см. фото "Результат".
Надеюсь, поможет кому-нибудь.
- Вложения
-
- Результат - вид снизу
- Подрамник вид снизу.JPG (75.01 КБ) 22570 просмотров
-
- Результат - вид сверху
- Подрамник вид сверху.JPG (77.83 КБ) 22570 просмотров
-
gostandart
- Капитан
- Сообщения: 102
- Зарегистрирован: 20 мар 2010 08:37
- Автомобиль: A33, 2003, АКПП, 3.0
- Откуда: Краснодар
Re: Передний подрамник А33 замена сайлент блоков
Egor 789, если даже Вы не локализовали проблему с глухим стуком, возможно, проблема очень необычная. Предлагаю вариант рассмотреть в сопряжении рычага (соединительная ось (bush link pin) и его сайлент-блока в рычаге). У меня, например, левый рычаг легко разобрался, фактически, выпал. А вот правый пришлось резать, чтобы рассоединить эту ось с рычагом...Egor 789 писал(а):В том то и дело, что всю переднюю подвеску перебрал, а глухой стук остался. На форуме я у многих читал про подобную проблему и вот надеялся, что это может быть подрамник. Спасибо за ответ........
Я бы поменял местами эти оси - перекинул стороны. Они одинаковые, насколько я рассматривал демонтированные образцы. На exist также только один номер отмечается, значит, точно одинаковые, стоимость, кстати, всего 850 руб./шт.
- esl
- Генерал-майор
- Сообщения: 1503
- Зарегистрирован: 01 мар 2007 20:55
- Автомобиль: А33 2002 3.0 мех.
- Откуда: Москва
Re: Передний подрамник А33 замена сайлент блоков
- rulik
- Генерал-лейтенант
- Сообщения: 2312
- Зарегистрирован: 09 дек 2007 23:46
- Автомобиль: А32, 1997, 3 литра, автомат (в багажнике)
- Откуда: Берлин
Re: Передний подрамник А33 замена сайлент блоков
Если одна втулка приржавела, а другая нет, то что? У меня точно так же было. После замены рычагов стуки глухие остались. Да их и не может не быть при таких размерах передних сайлентов )))
Чем позже тормозишь - тем дольше остаешься быстрым...
Я настолько хорошо воспитан, что даже когда посылаю naher, всегда перезваниваю и спрашиваю, как добрался...
-
gostandart
- Капитан
- Сообщения: 102
- Зарегистрирован: 20 мар 2010 08:37
- Автомобиль: A33, 2003, АКПП, 3.0
- Откуда: Краснодар
Re: Передний подрамник А33 замена сайлент блоков
Утверждать я не стану - предложение лишь для уточнения - а вдруг?!rulik писал(а):И что это дает?
Если одна втулка приржавела, а другая нет, то что? У меня точно так же было. После замены рычагов стуки глухие остались. Да их и не может не быть при таких размерах передних сайлентов )))
Тем не менее, могу представить, что втулка и ось могут постучать друг об друга (если накопились отклонения в размерах за срок эксплуатации соединения), несмотря на ржавчину и т.п. Не просто так ведь эта ось на 4 серьезных болтах крепится.
Та втулка, которая не приржавела, будет двигаться, а, значит, истираться об сайлент-блок (у меня двигалась, динамометрический ключ к левому рычагу у меня не подлазит из-за АКПП, поэтому затягивал просто по внутреннему впечатлению
-
Egor 789
- Майор
- Сообщения: 220
- Зарегистрирован: 27 сен 2011 19:01
- Автомобиль: Nissan Maxima A33 2003 3.0
- Откуда: Москва
Re: Передний подрамник А33 замена сайлент блоков
У меня вопросы к Gostandart и к Fog_174 :
1. По вашему опыту, передние сайлентблоки подрамника также были изношены?, или вы их махнули на всякий случай?
2. Когда вы снимали приемную трубу глушителя, вы меняли уплотнительные кольца между коллекторами и трубами? По моему прошлому опыту, когда я заморачивался катализаторами,
после демонтажа-монтажа приемной трубы первый раз я не поменял эти кольца и в результате получил подсос в этих стыках и лямбды стали давать неверный сигнал, отсюда неверная была смесь, расход и т.д.. После повторного демонтажа приемной трубы (тот еще геморой) четко было видно места подсосов по черным налетам, как только установил новые кольца - проблема ушла.
3. На форуме Cefiro.ru один парень написал, что заменил задние сайленты подрамника не снимая подрамник (он подобрал втулки от рено). Как вы считаете возможно ли это?
Уж очень не хочется из-за подрамника снова снимать приемную трубу.....
-
gostandart
- Капитан
- Сообщения: 102
- Зарегистрирован: 20 мар 2010 08:37
- Автомобиль: A33, 2003, АКПП, 3.0
- Откуда: Краснодар
Передний подрамник А33 замена сайлент блоков
0. Я имел в виду не износ ВТУЛКИ, а износ ОСИ.Egor 789 писал(а):Спасибо за подсказку, втулки передних рычагов тоже проверял. Похоже, что проблема именно в задних сайлентблоках переднего подрамника.
У меня вопросы к Gostandart и к Fog_174 :
1. По вашему опыту, передние сайлентблоки подрамника также были изношены?, или вы их махнули на всякий случай?
2. Когда вы снимали приемную трубу глушителя, вы меняли уплотнительные кольца между коллекторами и трубами? По моему прошлому опыту, когда я заморачивался катализаторами,
после демонтажа-монтажа приемной трубы первый раз я не поменял эти кольца и в результате получил подсос в этих стыках и лямбды стали давать неверный сигнал, отсюда неверная была смесь, расход и т.д.. После повторного демонтажа приемной трубы (тот еще геморой) четко было видно места подсосов по черным налетам, как только установил новые кольца - проблема ушла.
3. На форуме Cefiro.ru один парень написал, что заменил задние сайленты подрамника не снимая подрамник (он подобрал втулки от рено). Как вы считаете возможно ли это?
Уж очень не хочется из-за подрамника снова снимать приемную трубу.....
1. Опыта никакого - первый раз увидел только на своей машине. На моей машине - были невразумительные трещины на всех сайлент-блоках подрамника. Помимо этого оригиналы имеют несколько ослабленную жесткость, т.к. упругий элемент частично полый, а заменные - цельные. Эффект при рулении ощутимый. На глаз сказать, что да - сайлент-блок несправен я не могу ни про передние, ни про задние.
2. Менял, недорого, около 500 руб. за обе, но зато спокоен. Монтаж оказался проще, чем я ожидал. Меня тоже именно труба напрягала.
3. Да, я тоже читал и удивлялся про замену задних сайлент-блоков без демонтажа подрамника. Конечно, реально все сделать. Выпилить старый сайлент блок надфилями и т.п. Трудоемкость будет потрясающая при неадекватном качестве работы. А вот установить новые - запрессовать - я себе не представляю как, усилие что на выпрессовывание, что на запрессовывание в моем случае были весьма немалыми. Без съемника аккуратно сделать не получится, т.е. СНИМАТЬ и не сомневаться. Приемная труба - мелочь. Подрамник мне запомнился именно выпрессовыванием.
-
Egor 789
- Майор
- Сообщения: 220
- Зарегистрирован: 27 сен 2011 19:01
- Автомобиль: Nissan Maxima A33 2003 3.0
- Откуда: Москва
Re: Передний подрамник А33 замена сайлент блоков
Я вот тоже считаю, что родные сайленты изначально слишком прослаблены из-за этих полостей, причем на моем предыдущем максе 2001 г.в. при пробеге 220 т.к. такой проблемы не было. А вот на нынешнем 2003 г.в. уже на пробеге 40 т.к. появился этот стук. При этом сам подрамник данной модели относительно небольшого размера и пространственно не сильно разнесен, т.е. точки крепления подрамника расположены относительно близко друг к другу. И все это вместе дает сильный отрицательный эффект при рулежке и курсовой устойчивости. Наверно каждый владелец максимы замечал, что если на скорости дергать руль туда-сюда на 10 см. машина практически не реагирует и едет прямо. И все это из-за маленького подрамника с мягкими сайлентблоками. По этому при ремонте подрамника лучше ставить жесткие втулки , правда комфорта поубавиться. Кстати на Тианах подрамник также на мягких втулках, но он намного больше разнесен в размерах и руль соответственно намного острее.
-
Egor 789
- Майор
- Сообщения: 220
- Зарегистрирован: 27 сен 2011 19:01
- Автомобиль: Nissan Maxima A33 2003 3.0
- Откуда: Москва
Re: Передний подрамник А33 замена сайлент блоков
-
gostandart
- Капитан
- Сообщения: 102
- Зарегистрирован: 20 мар 2010 08:37
- Автомобиль: A33, 2003, АКПП, 3.0
- Откуда: Краснодар
Передний подрамник А33 замена сайлент блоков
Могу заверить, что машина стала собраннее, никаких 10-сантиметровых дерганий и рядом нет: все точно до миллиметра и без "резины". Не импреза, конечно.Egor 789 писал(а):Еще вопрос: не сильно ли жестко после ремонта машина стала преодолевать резкие стыки? Просто она и на мягких сайлентах подрамника стыки очень сильно чувствует
Также могу заверить, что замена всех рычагов и этих сайлент-блоков с H&R+Koni (минус 30мм), которые стояли и раньше, КОМФОРТА ТОЛЬКО ДОБАВИЛИ. Нет дрожи от дороги и вобщем стало тише (измеряли прибором по случаю). Полагаю, именно вибрация от "лишних" движений сайлент-блоков и дает неприятный шум, к которому постепенно привыкаешь и считаешь это нормальным.
Не сомневайтесь, даже с моей подвеской стыки на новых сайлент-блоках проходятся легче. Через трамвайные пути я переползаю, конечно, но 3 см углубления на любой скорости можно не заметить.
-
Egor 789
- Майор
- Сообщения: 220
- Зарегистрирован: 27 сен 2011 19:01
- Автомобиль: Nissan Maxima A33 2003 3.0
- Откуда: Москва
Re: Передний подрамник А33 замена сайлент блоков
-
gostandart
- Капитан
- Сообщения: 102
- Зарегистрирован: 20 мар 2010 08:37
- Автомобиль: A33, 2003, АКПП, 3.0
- Откуда: Краснодар
Передний подрамник А33 замена сайлент блоков
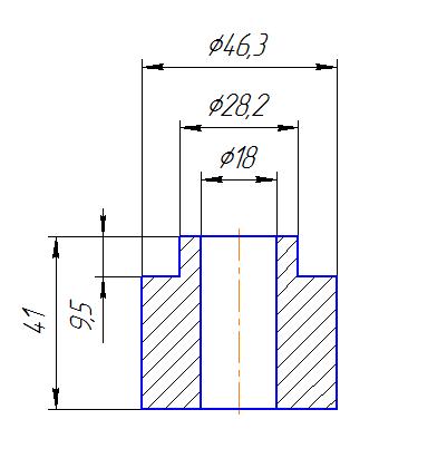
Добрый вечер, Egor 789, извините, что долго не отвечал.Egor 789 писал(а):Скажите уважаемый gostandart, внешний диаметр заднего сайлентблока по вашим данным 46,3 мм., этот размер вы сняли с родного или нового сайлента? Просто до этого на обоих форумах речь шла про 45 мм.?! Спрашиваю по тому, что смог найти втулки внешним ровно 45 мм. и внутренним 18 мм. Будет ли он плотно сидеть в обойме по вашему мнению?
Все размеры сняты "вживую" и лично, чтобы исключить неточности. В этом конкретном случае я измерял непостредственно отверстие в подрамнике. Кстати, его реально измерить ничего не снимая, кроме одной гайки. Но Вам не нужно этого делать.
Сейчас схожу в гараж и измерю сайлент-блоки (осталось еще 2 новых), которые запрессованы и успешно работают.
Новые не нашел, но они 46,3мм в диаметре.
Для Вашей уверенности нашел старый - он немного овальный (как и втулки под него в подрамнике), поэтому я измерил его самый малый диаметр - 45,9мм. Я бы не устанавливал прослабленный на 1 мм сайлент-блок точно. И Вам не рекомендую.
Прикладываю фото измерения, сделанное только что:

Если понадобятся уточнения - обращайтесь, если нужно - повторю измерения, мне тема помогла очень сильно.
-
Egor 789
- Майор
- Сообщения: 220
- Зарегистрирован: 27 сен 2011 19:01
- Автомобиль: Nissan Maxima A33 2003 3.0
- Откуда: Москва
Re: Передний подрамник А33 замена сайлент блоков
И скорей всего эти полости устанавливаются так чтобы подрамник мог амортизировать вдоль кузова!?