подушки двигателя. ( опоры двигателя )
Модераторы: Бармаглот, тах, Анатолий Васильев, Gamlet
- Stasmaxima
- Администрация клуба
- Сообщения: 3259
- Зарегистрирован: 29 июл 2004 09:28
- Автомобиль: Были все максимы. Сейчас Z51 и !!!M109R!!!!
- Откуда: Москва
- Контактная информация:
Re: подушки двигателя. ( опоры двигателя )
Часы работы: с 10 до 19 часов.

- fidonet
- Капитан
- Сообщения: 127
- Зарегистрирован: 04 апр 2011 14:08
- Автомобиль: Maxima QX (A33) 3.0 SE, 2005, A/T
- Откуда: Moscow
Re: подушки двигателя. ( опоры двигателя )
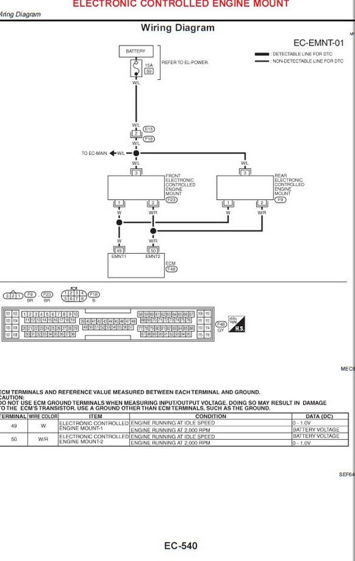
Провода-то я уже отключил. Буду снимать подушки, смотреть состояние... Меня вот интересует, почему нет напряжения на клемме №2 разъема от ECM. И должно ли быть напряжение на разъеме №1, если поднять холостые обороты движки выше 2000/мин, просто стоя на месте? Как я понял из сервисного мануала, машина должна быть именно в движении, т.к. указывается, что ECM включает подушку, контроллируя показания всех трёх датчиков (Crankshaft position sensor (POS), Engine speed (POS signal), Vehicle speed sensor).Stasmaxima писал(а):Провода отключи, рваные подушки меняй...
-
gavrilov
- Генерал-майор
- Сообщения: 1036
- Зарегистрирован: 18 янв 2008 11:51
- Автомобиль: Maxima 3.0 SE. 2005г.
- Откуда: Иркутск
- Контактная информация:
Re: подушки двигателя. ( опоры двигателя )
"+" с преда - подушка - ЕСМ (пин 49,50).
Т.е управление по "-".
- fidonet
- Капитан
- Сообщения: 127
- Зарегистрирован: 04 апр 2011 14:08
- Автомобиль: Maxima QX (A33) 3.0 SE, 2005, A/T
- Откуда: Moscow
Re: подушки двигателя. ( опоры двигателя )
Ага, то есть мне нужно мерить напряжение между клеммами № 2, 1 и "+" АКБ ?gavrilov писал(а):Схема такая
"+" с преда - подушка - ЕСМ (пин 49,50).
Т.е управление по "-".
-
gavrilov
- Генерал-майор
- Сообщения: 1036
- Зарегистрирован: 18 янв 2008 11:51
- Автомобиль: Maxima 3.0 SE. 2005г.
- Откуда: Иркутск
- Контактная информация:
Re: подушки двигателя. ( опоры двигателя )
Только зачем.
И в мануале(лист прикрепил), замеры относительно "-"
- fidonet
- Капитан
- Сообщения: 127
- Зарегистрирован: 04 апр 2011 14:08
- Автомобиль: Maxima QX (A33) 3.0 SE, 2005, A/T
- Откуда: Moscow
Re: подушки двигателя. ( опоры двигателя )
Хочу убедиться в том, что ECM с терминалов 49 и 50 даёт команды на подушку при соответствующих режимах работы двигателя.gavrilov писал(а):Можно и относительно"+"
Только зачем.
И в мануале(лист прикрепил), замеры относительно "-"
Измерял напругу с разъема на подушку тестером между клеммой #2 разъема и минусом АКБ - тишина, между клеммой #1 разъема и минусом АКБ - аналогично. Поэтому и интересуюсь, как правильно измерять.
ЗЫ: Исправный соленоид в опоре на контактах какое должен показывать сопротивление? Его реально проверить?
-
gavrilov
- Генерал-майор
- Сообщения: 1036
- Зарегистрирован: 18 янв 2008 11:51
- Автомобиль: Maxima 3.0 SE. 2005г.
- Откуда: Иркутск
- Контактная информация:
Re: подушки двигателя. ( опоры двигателя )
При отсутствии "команды" на пинах 1 и 2 +12В. При подаче команды на соответствующий пин, напряжение на нём "0".
- fidonet
- Капитан
- Сообщения: 127
- Зарегистрирован: 04 апр 2011 14:08
- Автомобиль: Maxima QX (A33) 3.0 SE, 2005, A/T
- Откуда: Moscow
Re: подушки двигателя. ( опоры двигателя )
Ну так вот я измерял между "-" АКБ и этими пинами 1 и 2 - результат = 0В. Получается, ЕСМ никакие сигналы на управление подушками не даёт.gavrilov писал(а):На 3-ем пине всегда +12.
При отсутствии "команды" на пинах 1 и 2 +12В. При подаче команды на соответствующий пин, напряжение на нём "0".
-
gavrilov
- Генерал-майор
- Сообщения: 1036
- Зарегистрирован: 18 янв 2008 11:51
- Автомобиль: Maxima 3.0 SE. 2005г.
- Откуда: Иркутск
- Контактная информация:
Re: подушки двигателя. ( опоры двигателя )
Нет, не правильно.fidonet писал(а):Ну так вот я измерял между "-" АКБ и этими пинами 1 и 2 - результат = 0В. Получается, ЕСМ никакие сигналы на управление подушками не даёт.gavrilov писал(а):На 3-ем пине всегда +12.
При отсутствии "команды" на пинах 1 и 2 +12В. При подаче команды на соответствующий пин, напряжение на нём "0".
Получается, что у подушки обрыв обмоток исполнительного механизма.
Вот если "я измерял между "-" АКБ и этими пинами 1 и 2 - результат = 12В",
то да "ЕСМ никакие сигналы на управление подушками не даёт"
Или мерил не правильно...
Вот, наглядно
- fidonet
- Капитан
- Сообщения: 127
- Зарегистрирован: 04 апр 2011 14:08
- Автомобиль: Maxima QX (A33) 3.0 SE, 2005, A/T
- Откуда: Moscow
Re: подушки двигателя. ( опоры двигателя )
Ну то, что у подушки обрыв обмоток - то вполне вероятно.gavrilov писал(а):Нет, не правильно.fidonet писал(а):Ну так вот я измерял между "-" АКБ и этими пинами 1 и 2 - результат = 0В. Получается, ЕСМ никакие сигналы на управление подушками не даёт.gavrilov писал(а):На 3-ем пине всегда +12.
При отсутствии "команды" на пинах 1 и 2 +12В. При подаче команды на соответствующий пин, напряжение на нём "0".
Получается, что у подушки обрыв обмоток исполнительного механизма.
Вот если "я измерял между "-" АКБ и этими пинами 1 и 2 - результат = 12В",
то да "ЕСМ никакие сигналы на управление подушками не даёт"
Или мерил не правильно...
Вот, наглядно
Замерил ещё раз. На ХХ ставил тестер между "плюсом" АКБ и 49-м пином с разъема кабеля, ведущего к ЕСМ, результат +12, а между 50-м и "плюсом" АКБ результат +1В.
-
gavrilov
- Генерал-майор
- Сообщения: 1036
- Зарегистрирован: 18 янв 2008 11:51
- Автомобиль: Maxima 3.0 SE. 2005г.
- Откуда: Иркутск
- Контактная информация:
Re: подушки двигателя. ( опоры двигателя )
- fidonet
- Капитан
- Сообщения: 127
- Зарегистрирован: 04 апр 2011 14:08
- Автомобиль: Maxima QX (A33) 3.0 SE, 2005, A/T
- Откуда: Moscow
Re: подушки двигателя. ( опоры двигателя )
Уфф, ну слава Богу! Тогда поменяю подушку и пока успокоюсь на этомgavrilov писал(а):Если так, то всё у тебя работает правильно
-
санек 1982
- Капитан
- Сообщения: 153
- Зарегистрирован: 27 апр 2014 09:07
- Автомобиль: Maxima
Re: подушки двигателя. ( опоры двигателя )
Кстати почему в поиске по форуму набиваю вопрос а ни чего не находит? Даже ввел название данного раздела , все равно ни чего не нашел? не удобно!
- fidonet
- Капитан
- Сообщения: 127
- Зарегистрирован: 04 апр 2011 14:08
- Автомобиль: Maxima QX (A33) 3.0 SE, 2005, A/T
- Откуда: Moscow
Re: подушки двигателя. ( опоры двигателя )
Пинается на переключениях между "D" и "R" ?санек 1982 писал(а):порвалась передняя активная подушка двс, начались пинки ,заказал оригинальную 8300р.
Кстати почему в поиске по форуму набиваю вопрос а ни чего не находит? Даже ввел название данного раздела , все равно ни чего не нашел? не удобно!
ЗЫ: Поиск тоже не работает, причем уже достаточно давно.
-
санек 1982
- Капитан
- Сообщения: 153
- Зарегистрирован: 27 апр 2014 09:07
- Автомобиль: Maxima
Re: подушки двигателя. ( опоры двигателя )
ну с 1 на 2 известный баг, а тут началось со 2 на 3 и в основном когда газ потом тормоз и сразу машина не остановилась опять газ следует пинок-рывок....поменяю подушку посмотрю, на диагностике был по акпп мне мужики сразу на подушку указали: наD держал тормоз и газ давал маленько, так двигатель такой ход имеет сильный и видно что подушке жопа...fidonet писал(а):Пинается на переключениях между "D" и "R" ?санек 1982 писал(а):порвалась передняя активная подушка двс, начались пинки ,заказал оригинальную 8300р.
Кстати почему в поиске по форуму набиваю вопрос а ни чего не находит? Даже ввел название данного раздела , все равно ни чего не нашел? не удобно!
ЗЫ: Поиск тоже не работает, причем уже достаточно давно.