подсветка приборной панели

Модераторы: Бармаглот, тах, Анатолий Васильев, Gamlet

Аватара пользователя
allert
Маршал
Сообщения: 9285
Зарегистрирован: 04 апр 2006 23:24
Автомобиль: 32 QX 99г. мкпп vq20 ,Teana J32 vq25 11г., Almera B10 акпп 06г.,Teana J32 vq25 13г.
Откуда: Москва
Контактная информация:

Re: подсветка приборной панели

Сообщение allert »

это лампочки перегорели. ну глянь ты поиском - ставят все кто во что горазд, в том числе светодиоды...
Жизнь покажет...
Аватара пользователя
rulik
Генерал-лейтенант
Сообщения: 2312
Зарегистрирован: 09 дек 2007 23:46
Автомобиль: А32, 1997, 3 литра, автомат (в багажнике)
Откуда: Берлин

Re: подсветка приборной панели

Сообщение rulik »

Я просто не в курсе, не интересовался этим вопросом...
Разве на А33 подсвечено просто лампочками? Здается мне, что там всё сложнее немного.
Вкус — это способность оценить не пробуя...
Чем позже тормозишь - тем дольше остаешься быстрым...
Я настолько хорошо воспитан, что даже когда посылаю naher, всегда перезваниваю и спрашиваю, как добрался...
Аватара пользователя
DAKalimov
Генерал-полковник
Сообщения: 3166
Зарегистрирован: 08 окт 2007 15:57
Автомобиль: Nissan Maxima A33 2000 VQ2.0DE АКПП Серебристая
Откуда: Москва(Канаш Чувашской Республики)

Re: подсветка приборной панели

Сообщение DAKalimov »

Там лампа-неонка, вроде как. Проверять по мере уменьшения сложноси - сначала кнопку (там внутри платка, проверить, что не спалена), потом лампу.

з.ы. Предохранитель - нижний ряд, второй справа. На 10А.
Слишком грустно быть бессмертным
Те же лица день за днем
Те же глупые ответы
На вопрос - "Зачем живем?".
ЕЖИК
Лейтенант
Сообщения: 50
Зарегистрирован: 06 мар 2009 15:02
Автомобиль: ниссан maxima vq 30 de МКП 1997 год

Re: подсветка приборной панели

Сообщение ЕЖИК »

я как то купил для габаритов и салона диодные лампочки. Так они у меня не светят вообще ни как. говорят что полярность другая, а если в приборную панель вставить диодные лампочки, то они будут светить или опять из-за полярности ничего не получится.
по моему лампочки которые я покупал произведены в россии.
тах
Маршал
Сообщения: 9743
Зарегистрирован: 21 сен 2008 12:12
Автомобиль: А32 ЦЕФИРО 1998г 2.0 АКПП
Откуда: НОВОСИБИРСК

Re: подсветка приборной панели

Сообщение тах »

по этой ссылке можно найти: темы, мануал и другие вопросы Вас интересующие
КРАТКОЕ ОГЛАВЛЕНИЕ ФОРУМА. СПИСОК ОСНОВНЫХ ТЕМ
Аватара пользователя
Zui
Рядовой
Сообщения: 31
Зарегистрирован: 04 мар 2011 23:17
Автомобиль: Nissan Maxima 2005 МКПП , Ford Focus II 2007 МКПП
Откуда: Москва
Контактная информация:

Re: подсветка приборной панели

Сообщение Zui »

Всем спасибо))Оказалось что лампочки все в приборке были обгорелые,сами работали а стёкла чёрные,сделал кайфово,подсветку спидометра и тахометра вставил белые диоды,а на 2 компьютера где пробег и второй сделал синие диоды,получилось супер)))Потом как темно будет на улице сфоткаю покажу)))
Аватара пользователя
DAKalimov
Генерал-полковник
Сообщения: 3166
Зарегистрирован: 08 окт 2007 15:57
Автомобиль: Nissan Maxima A33 2000 VQ2.0DE АКПП Серебристая
Откуда: Москва(Канаш Чувашской Республики)

Re: подсветка приборной панели

Сообщение DAKalimov »

У вас не оптитрон чтоль?? Странно, ни разу не видел 33 максиму с обычной приборкой ...
Слишком грустно быть бессмертным
Те же лица день за днем
Те же глупые ответы
На вопрос - "Зачем живем?".
Аватара пользователя
Zui
Рядовой
Сообщения: 31
Зарегистрирован: 04 мар 2011 23:17
Автомобиль: Nissan Maxima 2005 МКПП , Ford Focus II 2007 МКПП
Откуда: Москва
Контактная информация:

Re: подсветка приборной панели

Сообщение Zui »

DAKalimov писал(а):У вас не оптитрон чтоль?? Странно, ни разу не видел 33 максиму с обычной приборкой ...
А что такое оптитрон?)))
А всё прочитал))Нет обычная,и ещё 4 максимки у знакомых,у всех разные комплектации и у всех тоже обычные стоят)))
Последний раз редактировалось Zui 24 мар 2011 17:15, всего редактировалось 1 раз.
Аватара пользователя
Cadaver
Генерал-майор
Сообщения: 1637
Зарегистрирован: 28 окт 2008 18:10
Автомобиль: Toyota Land Cruiser Prado, 4 л., АКПП, 2009 год. Была А33, 3 л, АКПП, 2001 г., европейка
Откуда: Железнодорожный, Москва

Re: подсветка приборной панели

Сообщение Cadaver »

Молочно-белого цвета подсветка
Как-то так...
Аватара пользователя
Василич
Майор
Сообщения: 269
Зарегистрирован: 31 мар 2009 15:17
Автомобиль: Ниссан Максима QX 3.0 АКПП 1998 г. черный. X-TRAIL 2.0 CVT 2008 г. черный мет.
Откуда: Воронеж

Re: подсветка приборной панели

Сообщение Василич »

Люди подскажите код лампы подсветки приборов на А32 :?:
тах
Маршал
Сообщения: 9743
Зарегистрирован: 21 сен 2008 12:12
Автомобиль: А32 ЦЕФИРО 1998г 2.0 АКПП
Откуда: НОВОСИБИРСК

Re: подсветка приборной панели

Сообщение тах »

Василич писал(а):Люди подскажите код лампы подсветки приборов на А32 :?:
выбирай какая нужна

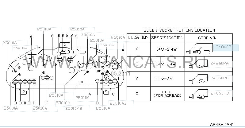
ЭЛЕКТРИКА КУЗОВА (СЧЁТЧИК И ДАТЧИК) http://www.japancats.ru/nissan/Parts.as ... EAR%20VIEW
Лампочки панели приборов А32.JPG
по этой ссылке можно найти: темы, мануал и другие вопросы Вас интересующие
КРАТКОЕ ОГЛАВЛЕНИЕ ФОРУМА. СПИСОК ОСНОВНЫХ ТЕМ
Аватара пользователя
Василич
Майор
Сообщения: 269
Зарегистрирован: 31 мар 2009 15:17
Автомобиль: Ниссан Максима QX 3.0 АКПП 1998 г. черный. X-TRAIL 2.0 CVT 2008 г. черный мет.
Откуда: Воронеж

Re: подсветка приборной панели

Сообщение Василич »

Спасибо ТАХ, по твоей ссылке код бьется, а если по моему VINу, то EXIST пишет, что на данной модели такая лампа не используется, во как бывает :(
тах
Маршал
Сообщения: 9743
Зарегистрирован: 21 сен 2008 12:12
Автомобиль: А32 ЦЕФИРО 1998г 2.0 АКПП
Откуда: НОВОСИБИРСК

Re: подсветка приборной панели

Сообщение тах »

Василич писал(а): по ссылке код бьется, а если по моему VINу, то EXIST пишет, что на данной модели такая лампа не используется, во как бывает :(
конечно лучше использовать Электронные каталоги NISSAN FAST тогда будет точнее, не факт конечно, но всё ж, более точно, чем EXIST.
по этой ссылке можно найти: темы, мануал и другие вопросы Вас интересующие
КРАТКОЕ ОГЛАВЛЕНИЕ ФОРУМА. СПИСОК ОСНОВНЫХ ТЕМ
Аватара пользователя
cyborr
Подполковник
Сообщения: 325
Зарегистрирован: 09 июн 2010 00:52
Автомобиль: Nissan Maхima 2.0 МКПП 1997 г.в. рестайлинг
Откуда: Москва
Контактная информация:

Re: подсветка приборной панели

Сообщение cyborr »

Подсветку приборки, а заодно и всех кнопок аварийки, обогрева заднего стекла и кнопок климата сделал на светодиодах.
Самым удачным вариантом стала покупка в сетевом автомагазине Москвы (название писать вроде нельзя тут?). Там продают готовые сборки светодиод с двумя резисторами. Сборка с одним резитором и вообще без него быстро сгорела.
Видел следующие цвета: Белый, зелёный, синий, красный.
Какие-то есть с цоколями, какие-то без. С цоколями самые дорогие 24 рубля/штука. Цоколь можно выкинуть в нашу приборку он не лезет.
тах
Маршал
Сообщения: 9743
Зарегистрирован: 21 сен 2008 12:12
Автомобиль: А32 ЦЕФИРО 1998г 2.0 АКПП
Откуда: НОВОСИБИРСК

Re: подсветка приборной панели

Сообщение тах »

cyborr писал(а):Подсветку приборки... Самым удачным вариантом стала покупка в сетевом автомагазине Москвы (название писать вроде нельзя тут?).
пиши, правда не факт, что в нем они будут завтра, а вот название диодов и фото крайне желательно, не все могут приехать в этот магазин, а поискать в рядом стоящих вполне по силам.
- если нет названия и фото диодов, это так, ни о чем, пользы от этого нет, ведь непонятно о чем идет разговор
по этой ссылке можно найти: темы, мануал и другие вопросы Вас интересующие
КРАТКОЕ ОГЛАВЛЕНИЕ ФОРУМА. СПИСОК ОСНОВНЫХ ТЕМ
Ответить