Управление на руле

Обсуждения вопросов, связанных с автомобильным аудио и видео

Модераторы: тах, Gamlet, Mazay

Аватара пользователя
DAKalimov
Генерал-полковник
Сообщения: 3166
Зарегистрирован: 08 окт 2007 15:57
Автомобиль: Nissan Maxima A33 2000 VQ2.0DE АКПП Серебристая
Откуда: Москва(Канаш Чувашской Республики)

Re: Управление на руле

Сообщение DAKalimov »

После замены штатной магнитолы очень обламывался из-за отсутствия управления на руле. Через наш сайт нашел производителя адаптеров - триома. В пятницу купил, в субботу установил. Теперь все как раньше, управление звуком без отвлекания от дороги. Установить проще пареной репы, даже думать не надо.
Слишком грустно быть бессмертным
Те же лица день за днем
Те же глупые ответы
На вопрос - "Зачем живем?".
Аватара пользователя
biker
Соавтор сайта
Сообщения: 4207
Зарегистрирован: 14 апр 2005 10:23
Автомобиль: Infiniti QX56 +7(962)888-3-808
Откуда: Сочи
Контактная информация:

Re: Управление на руле

Сообщение biker »

ну дак давай фотки ссылки и т.д. а то хвастатьсявсе могут
Окажу бескорыстную помощь соклубникам в ремонте вашего автомобиля в сочи
промывка форсунок, компьютерная диагностика, доставим и установим контрактный двигатель, АКПП или отремонтируем ваш.

Телефон +7(8622) 95-71-45
С уважением, Сергей
Аватара пользователя
DAKalimov
Генерал-полковник
Сообщения: 3166
Зарегистрирован: 08 окт 2007 15:57
Автомобиль: Nissan Maxima A33 2000 VQ2.0DE АКПП Серебристая
Откуда: Москва(Канаш Чувашской Республики)

Re: Управление на руле

Сообщение DAKalimov »

Вот каталог:
http://www.trioma.ru/products/kry.shtml

Вот тот девайс, который я приобрел
http://www.trioma.ru/instructions/pioneer%205.0.pdf

Процесс подключения не фоткал - там все предельно понятно из инструкциию.
Слишком грустно быть бессмертным
Те же лица день за днем
Те же глупые ответы
На вопрос - "Зачем живем?".
Kotkautov
Новичок
Сообщения: 1
Зарегистрирован: 08 май 2012 20:19
Автомобиль: Nissan Maxima QX A33 3.0

Re: Управление на руле

Сообщение Kotkautov »

И вот наконец-то я стал счастливым обладателем Макса, и сразу к вам читать, смотреть, изучать!
Сечас подумываю о смене штатного ГУ, т.к. оч неудобно резать сд диски в ченжер...
Выбрал SONY XAV-E622, ту которую уже ставил "Fox", но самому кавырять, панель и мудрить с проводкой я боюсь, т.к. руки у меня не особо из того места растут, хотелось бы сделать всё по уму, оснавательно и сохранить управление на штатном рулевом джостике как у "Fox".
Прошу помощи кто знает как всё это дело подключить, или себе подключал, помочь сделать мне, само сабой не за так... или подсказать хороший сервис где могут все сделать???
за рание всем спасибо!!!
Egor 789
Майор
Сообщения: 220
Зарегистрирован: 27 сен 2011 19:01
Автомобиль: Nissan Maxima A33 2003 3.0
Откуда: Москва

Re: Управление на руле

Сообщение Egor 789 »

Для тех кто не готов платить 2000-3000р за адаптер совместимости кнопок на руле, могу написать как с помощью 2-х резисторов подружить кнопки vol+ и vol- с магнитолами где есть вход под проводной пульт миниджек 3,5мм (например pieoneer или sony)
Аватара пользователя
kelk
Капитан
Сообщения: 111
Зарегистрирован: 26 май 2011 20:25
Автомобиль: Ниссан-максима 2003, 2 л, АКПП
Откуда: Череповец

Re: Управление на руле

Сообщение kelk »

Egor 789 писал(а):Для тех кто не готов платить 2000-3000р за адаптер совместимости кнопок на руле, могу написать как с помощью 2-х резисторов подружить кнопки vol+ и vol- с магнитолами где есть вход под проводной пульт миниджек 3,5мм (например pieoneer или sony)
Egor 789, хотелось бы увидеть этот девайс! :D
Egor 789
Майор
Сообщения: 220
Зарегистрирован: 27 сен 2011 19:01
Автомобиль: Nissan Maxima A33 2003 3.0
Откуда: Москва

Re: Управление на руле

Сообщение Egor 789 »

kelk писал(а):
Egor 789 писал(а):Для тех кто не готов платить 2000-3000р за адаптер совместимости кнопок на руле, могу написать как с помощью 2-х резисторов подружить кнопки vol+ и vol- с магнитолами где есть вход под проводной пульт миниджек 3,5мм (например pieoneer или sony)
Egor 789, хотелось бы увидеть этот девайс! :D
Вообще эту идею я взял у этого автора
http://www.drive2.ru/cars/nissan/maxima ... 6599/#post
за что ему огромное спасибо. Также самостоятельно пытался с помощью подбора сопротивлений поймать больше функций, но в результате смог добиться (как и у автора) регулировку только громкости. Но лично для меня это вполне достаточно, манипуляции громкостью это самая частая манипуляция в моем случае.. Цена вопроса своими руками 30р. Если что из его странички будет не понятно, я расскажу подробнее
Egor 789
Майор
Сообщения: 220
Зарегистрирован: 27 сен 2011 19:01
Автомобиль: Nissan Maxima A33 2003 3.0
Откуда: Москва

Re: Управление на руле

Сообщение Egor 789 »

А вообще ребята почитайте еще вот эту статью, то что проделал этот автор можно сделать и на максе. Почему я не стал идти его путем........ Дело в том что я не хочу нарушать целостность блока управления магнитолой на руле, заморочка у меня такая - чем меньше нарушаю "сток" тем спокойней
Аватара пользователя
kelk
Капитан
Сообщения: 111
Зарегистрирован: 26 май 2011 20:25
Автомобиль: Ниссан-максима 2003, 2 л, АКПП
Откуда: Череповец

Re: Управление на руле

Сообщение kelk »

Egor 789 писал(а):
kelk писал(а):
Egor 789 писал(а):Для тех кто не готов платить 2000-3000р за адаптер совместимости кнопок на руле, могу написать как с помощью 2-х резисторов подружить кнопки vol+ и vol- с магнитолами где есть вход под проводной пульт миниджек 3,5мм (например pieoneer или sony)
Egor 789, хотелось бы увидеть этот девайс! :D
Вообще эту идею я взял у этого автора
http://www.drive2.ru/cars/nissan/maxima ... 6599/#post
за что ему огромное спасибо. Также самостоятельно пытался с помощью подбора сопротивлений поймать больше функций, но в результате смог добиться (как и у автора) регулировку только громкости. Но лично для меня это вполне достаточно, манипуляции громкостью это самая частая манипуляция в моем случае.. Цена вопроса своими руками 30р. Если что из его странички будет не понятно, я расскажу подробнее
А конкретно можно пояснить что и куда подсоединяется? :(
Не понятно по фоткам :oops:
Egor 789
Майор
Сообщения: 220
Зарегистрирован: 27 сен 2011 19:01
Автомобиль: Nissan Maxima A33 2003 3.0
Откуда: Москва

Re: Управление на руле

Сообщение Egor 789 »

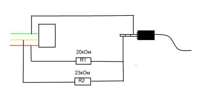
Вот, лови......
Вложения
Схема УНР.jpg
Схема УНР.jpg (16.05 КБ) 12016 просмотров
Kuzicheff
Новичок
Сообщения: 2
Зарегистрирован: 06 май 2012 17:27
Автомобиль: Nissan maxima A 33 2005 г 2.0 AT

Re: Управление на руле

Сообщение Kuzicheff »

Народ а рестайлинговые кнопки реально подключить ?
Egor 789
Майор
Сообщения: 220
Зарегистрирован: 27 сен 2011 19:01
Автомобиль: Nissan Maxima A33 2003 3.0
Откуда: Москва

Re: Управление на руле

Сообщение Egor 789 »

Kuzicheff писал(а):Народ а рестайлинговые кнопки реально подключить ?
Если разъем NS 08 (см. 1-е сообщение в этой ветке) такой же на рестайлинговой магнитоле , то можно тем же макаром. Если он другой (но имеет 2 или 3 провода) то думаю также можно подобрать сопротивления
Аватара пользователя
kelk
Капитан
Сообщения: 111
Зарегистрирован: 26 май 2011 20:25
Автомобиль: Ниссан-максима 2003, 2 л, АКПП
Откуда: Череповец

Re: Управление на руле

Сообщение kelk »

Egor 789 писал(а):Вот, лови......
Сегодня экспериментировал :D , получается только убавление громкости! :(
Менял провода, все равно только убавление? :(
Egor 789
Майор
Сообщения: 220
Зарегистрирован: 27 сен 2011 19:01
Автомобиль: Nissan Maxima A33 2003 3.0
Откуда: Москва

Re: Управление на руле

Сообщение Egor 789 »

kelk писал(а):
Egor 789 писал(а):Вот, лови......
Сегодня экспериментировал :D , получается только убавление громкости! :(
Менял провода, все равно только убавление? :(
У меня тоже не сразу вышло. Надо комбинировать сопротивления которые в сумме дадут 23 Ом (10+5+5+3 или 5+5+5+5+2+1). Видимо у резисторов есть своя погрешность, надо подбирать............
Аватара пользователя
kelk
Капитан
Сообщения: 111
Зарегистрирован: 26 май 2011 20:25
Автомобиль: Ниссан-максима 2003, 2 л, АКПП
Откуда: Череповец

Re: Управление на руле

Сообщение kelk »

Egor 789 писал(а):
kelk писал(а): Сегодня экспериментировал :D , получается только убавление громкости! :(
Менял провода, все равно только убавление? :(
У меня тоже не сразу вышло. Надо комбинировать сопротивления которые в сумме дадут 23 Ом (10+5+5+3 или 5+5+5+5+2+1). Видимо у резисторов есть своя погрешность, надо подбирать............
Всю эту сумму подключать последовательно?
Ответить