Климат-контроль USA, фаренгейты в цельсии, руководство!

Модераторы: Бармаглот, тах, Анатолий Васильев, Gamlet

Аватара пользователя
Jonyk
Рядовой
Сообщения: 47
Зарегистрирован: 07 дек 2007 23:49
Автомобиль: MAXIMA J30 GXE BOSE (USA), 1993, АКПП
Откуда: Москва

Re: Климат контроль J30 USA, фаренгейты в цельсии, руководство!

Сообщение Jonyk »

diimas писал(а):jonik
Есть идеи?
Припаять на плате перемычку, я у себя так сделал, см. мои фото в начале темы, у меня тоже проводов небыло.
Если один человек собрал, другой завсегда разобрать сможет.
Аватара пользователя
mosrespect
Рядовой
Сообщения: 12
Зарегистрирован: 19 фев 2009 00:38
Автомобиль: A33B, 3.0 GLE автомат

Re: Климат-контроль USA, фаренгейты в цельсии, руководство!

Сообщение mosrespect »

Jonyk
куда ее на A33B паять то? твоя схема для J30 вроде... нет более простого способа чтоль, неколхозного? типа перекодировки климат контроля?
Аватара пользователя
Jonyk
Рядовой
Сообщения: 47
Зарегистрирован: 07 дек 2007 23:49
Автомобиль: MAXIMA J30 GXE BOSE (USA), 1993, АКПП
Откуда: Москва

Re: Климат-контроль USA, фаренгейты в цельсии, руководство!

Сообщение Jonyk »

mosrespect писал(а):Jonyk
куда ее на A33B паять то? твоя схема для J30 вроде... нет более простого способа чтоль, неколхозного? типа перекодировки климат контроля?
Почему "колхозный"?
Если нужно как при заводской сборке то поменяй жгут проводки на канадский вариант.
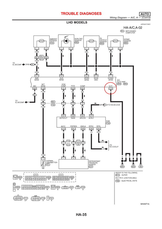
Блоки не перекодируются, фаренгейты на цельсии меняются только схемой подключения, смотри в начале темы все обведено красными кругами download/file.php?id=6842&mode=view
Если один человек собрал, другой завсегда разобрать сможет.
diimas
Майор
Сообщения: 217
Зарегистрирован: 19 янв 2009 12:56
Автомобиль: Nissan maxima A33B 3.0 акпп 2000
Откуда: Краснодар

Re: Климат-контроль USA, фаренгейты в цельсии, руководство!

Сообщение diimas »

если получится отпишись
а то я пробовал но у меня не получилась
Аватара пользователя
Jonyk
Рядовой
Сообщения: 47
Зарегистрирован: 07 дек 2007 23:49
Автомобиль: MAXIMA J30 GXE BOSE (USA), 1993, АКПП
Откуда: Москва

Re: Климат-контроль USA, фаренгейты в цельсии, руководство!

Сообщение Jonyk »

diimas писал(а):если получится отпишись
а то я пробовал но у меня не получилась
а что не получилось?
Перемычку надо паять на плате где припаян разъем с 14-м и 11-м контактом, в разъеме со стороны жгута проводки ни проводов ни контактов нет. Можешь получше сфотать, я тебе нарисую в какие места припаять надо, принцип такойже как и на J30.
Если один человек собрал, другой завсегда разобрать сможет.
diimas
Майор
Сообщения: 217
Зарегистрирован: 19 янв 2009 12:56
Автомобиль: Nissan maxima A33B 3.0 акпп 2000
Откуда: Краснодар

Re: Климат-контроль USA, фаренгейты в цельсии, руководство!

Сообщение diimas »

я подключался к самому 14 контакту и на массу
реакции ни какой
EME
Рядовой
Сообщения: 24
Зарегистрирован: 26 май 2009 12:00
Автомобиль: nissan-maxima, 1996, VQ-30, АКПП, ( американец)

Re: Климат-контроль USA, фаренгейты в цельсии, руководство!

Сообщение EME »

Всем привет, такой вопрос, если кто знает, на панели кправления климатом ( 32, американка ) один разьем и внем 8 штырьков, 2 из них отделены перегородкой. На дисплее градусы цельсия есть .Собственно сам вопрос - куда паять перемычку????
diimas
Майор
Сообщения: 217
Зарегистрирован: 19 янв 2009 12:56
Автомобиль: Nissan maxima A33B 3.0 акпп 2000
Откуда: Краснодар

Re: Климат-контроль USA, фаренгейты в цельсии, руководство!

Сообщение diimas »

на первой странице
человек все доходчиво изложил и сфографировал
смотришь свою схему ищешь контакт №14 и припаиваешь на общую землю
Ромич
Лейтенант
Сообщения: 66
Зарегистрирован: 28 сен 2008 22:09
Автомобиль: maxima A33

Re: Климат-контроль USA, фаренгейты в цельсии, руководство!

Сообщение Ромич »

Всем привет ! есть уьные головы?? вообщем дело такое нужно переподключить !! вот что у меня стоит : и что хочу поставить помогите плиз !!!!!!
Вложения
а это хотелось бы поставить
а это хотелось бы поставить
а это хотелось бы поставить
а это хотелось бы поставить
вот то что стоит
вот то что стоит
вот то что стоит
вот то что стоит
diimas
Майор
Сообщения: 217
Зарегистрирован: 19 янв 2009 12:56
Автомобиль: Nissan maxima A33B 3.0 акпп 2000
Откуда: Краснодар

Re: Климат-контроль USA, фаренгейты в цельсии, руководство!

Сообщение diimas »

народ подскажите
вот посмотрел у джоника
и посматрел у ромича
стал разбирать свой климат но у меня плата свя на микропайке вот и думаю получится у меня такая хреновина или нет
гляньте может что подскажете
ромич вот мой климат точно такой как и у тебя только крутилка с другой стороны
может ткнешь пальцем куда поятся
спасибо
Вложения
DSC00065.JPG
DSC00065.JPG (24.26 КБ) 7884 просмотра
DSC00064.JPG
DSC00064.JPG (20.01 КБ) 7886 просмотров
DSC00063.JPG
DSC00063.JPG (20.4 КБ) 7880 просмотров
Ромич
Лейтенант
Сообщения: 66
Зарегистрирован: 28 сен 2008 22:09
Автомобиль: maxima A33

Re: Климат-контроль USA, фаренгейты в цельсии, руководство!

Сообщение Ромич »

вот тебе на твоём рисунке нарисовал как у меня расписаны ножки !!
вот схемка для сверки !!!!
Вложения
DSC00063.JPG
DSC00063.JPG (20.19 КБ) 7867 просмотров
%D0%9A%D0%BB%D0%B8%D0%BC%D0%B0%D1%82%20%D0%9033.JPG
Ромич
Лейтенант
Сообщения: 66
Зарегистрирован: 28 сен 2008 22:09
Автомобиль: maxima A33

Re: Климат-контроль USA, фаренгейты в цельсии, руководство!

Сообщение Ромич »

крутилка у меня с другой строны потому что я всё брал от цефиры максимок н разборе небыло
сам всё переделал поменял кучу проводов (потом скину отчёт и фото) всё собирал по этой схем !!!
diimas
Майор
Сообщения: 217
Зарегистрирован: 19 янв 2009 12:56
Автомобиль: Nissan maxima A33B 3.0 акпп 2000
Откуда: Краснодар

Re: Климат-контроль USA, фаренгейты в цельсии, руководство!

Сообщение diimas »

ели я правильно понял
схмемы идентичные
тоесть вот по схе мне понятно что можно взять 14 контакт и перекинуть на 11 это и будет земля
если я неправ поправьте пожалуйста
просто на плате падать на землю нереально (микропайки и нет широких дорожек)
принимаю все советы.
Ромич
Лейтенант
Сообщения: 66
Зарегистрирован: 28 сен 2008 22:09
Автомобиль: maxima A33

Re: Климат-контроль USA, фаренгейты в цельсии, руководство!

Сообщение Ромич »

да просто с 14 ножки провод соедени с 11 и всё
Ромич
Лейтенант
Сообщения: 66
Зарегистрирован: 28 сен 2008 22:09
Автомобиль: maxima A33

Re: Климат-контроль USA, фаренгейты в цельсии, руководство!

Сообщение Ромич »

11 по идее должен быть чёрного цвета !
Ответить