Постоянно загорается AIR BAG

Модераторы: Бармаглот, тах, Анатолий Васильев, Gamlet

Аватара пользователя
allert
Маршал
Сообщения: 9285
Зарегистрирован: 04 апр 2006 23:24
Автомобиль: 32 QX 99г. мкпп vq20 ,Teana J32 vq25 11г., Almera B10 акпп 06г.,Teana J32 vq25 13г.
Откуда: Москва
Контактная информация:

Re: Постоянно загорается AIR BAG

Сообщение allert »

Доктор Зло писал(а):Ошибка пропала и не появлялась. Разъём собираюсь залить силиконовой смазкой. И изолентой замотаю, раз помогает.
ну просто чтобы он не смещался - видимо там очень чуткий датчик - стоит чуток прыгнуть сопротивлению из-за смещения контактов - и система зажигает ошибку
Жизнь покажет...
ultrarus4
Рядовой
Сообщения: 44
Зарегистрирован: 18 авг 2014 12:36
Автомобиль: Maxima A32 '98 3.0 МКПП LSD

Re: Постоянно загорается AIR BAG

Сообщение ultrarus4 »

Ребят, вопрос на засыпку.
Случайно замкнул минусовую дорожку на задней стороне щитка приборов. Насколько я понял это общий минус на спидометр/одометр, уровень топлива и лампу airbag. При этом перестал работать спидометр/одометр, уровень топлива зашкалил в максимум и загорелась лампа аирбега. Восстановил отгоревшую дорожку кусочком фольги и изолентой. Спидометр/одометр и уровень топлива работают. Но лампа аирбега постоянно горит. На игру с концевиком двери не реагирует - горит перманентно.
Идеи?
тах
Маршал
Сообщения: 9743
Зарегистрирован: 21 сен 2008 12:12
Автомобиль: А32 ЦЕФИРО 1998г 2.0 АКПП
Откуда: НОВОСИБИРСК

Re: Постоянно загорается AIR BAG

Сообщение тах »

ultrarus4 писал(а):Ребят, вопрос на засыпку.
............
Идеи?
предохранитель
по этой ссылке можно найти: темы, мануал и другие вопросы Вас интересующие
КРАТКОЕ ОГЛАВЛЕНИЕ ФОРУМА. СПИСОК ОСНОВНЫХ ТЕМ
gavrilov
Генерал-майор
Сообщения: 1036
Зарегистрирован: 18 янв 2008 11:51
Автомобиль: Maxima 3.0 SE. 2005г.
Откуда: Иркутск
Контактная информация:

Re: Постоянно загорается AIR BAG

Сообщение gavrilov »

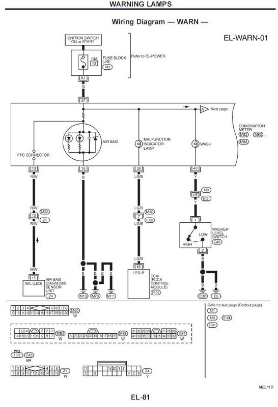
На 13 пине должен быть "-".
Проследить дорожку до светодиода.


Схема airb_А32..jpg
Аватара пользователя
Pusha_Lugansk
Капитан
Сообщения: 103
Зарегистрирован: 14 май 2009 10:07
Автомобиль: Nissan Maxima QX A33 2005г, V2.0, АКПП

Re: Постоянно загорается AIR BAG

Сообщение Pusha_Lugansk »

Всем привет. Как то мне в этой теме помогали. Прошу помощи снова. Отдавал на реставрацию рейки авто и после стала гореть ошибка аирбега. Криворукие специ говорят мол езжай на гарантийку пусть ошибку скинут. Я ж парень опытный )) могу и сам скинуть. Вобщем после всех манипуляций режим самодиагностики показывает ошибку в руле и не обнуляется. Постоянно мигает один длинный и два коротких. На гарантийке попытались скинуть ошибку, но она сразу выскакивает. Комп показывает короткое замыкание. Все кнопки на руле и сигнал работают. Что это и где его искать? Кто сталкивался?
Аватара пользователя
allert
Маршал
Сообщения: 9285
Зарегистрирован: 04 апр 2006 23:24
Автомобиль: 32 QX 99г. мкпп vq20 ,Teana J32 vq25 11г., Almera B10 акпп 06г.,Teana J32 vq25 13г.
Откуда: Москва
Контактная информация:

Re: Постоянно загорается AIR BAG

Сообщение allert »

Pusha_Lugansk писал(а):Отдавал на реставрацию рейки авто и после стала гореть ошибка аирбега.
Есть печальное предположение что таки умудрились порвать шлейф в руле...
Жизнь покажет...
Аватара пользователя
Pusha_Lugansk
Капитан
Сообщения: 103
Зарегистрирован: 14 май 2009 10:07
Автомобиль: Nissan Maxima QX A33 2005г, V2.0, АКПП

Re: Постоянно загорается AIR BAG

Сообщение Pusha_Lugansk »

allert писал(а):
Pusha_Lugansk писал(а):Отдавал на реставрацию рейки авто и после стала гореть ошибка аирбега.
Есть печальное предположение что таки умудрились порвать шлейф в руле...
Я так понимаю, что если бы порвали шлейф то не работало бы ничего. А так сигнал и кнопки на руле всё работает.
gavrilov
Генерал-майор
Сообщения: 1036
Зарегистрирован: 18 янв 2008 11:51
Автомобиль: Maxima 3.0 SE. 2005г.
Откуда: Иркутск
Контактная информация:

Re: Постоянно загорается AIR BAG

Сообщение gavrilov »

Не порван, а надорвана та часть, где проходят дорожки на airbeg.
"Кривые ручки" не правильно установили шлейф...
Тестер в руки и проверить - делов на 2мин.
Аватара пользователя
Pusha_Lugansk
Капитан
Сообщения: 103
Зарегистрирован: 14 май 2009 10:07
Автомобиль: Nissan Maxima QX A33 2005г, V2.0, АКПП

Re: Постоянно загорается AIR BAG

Сообщение Pusha_Lugansk »

gavrilov писал(а):Не порван, а надорвана та часть, где проходят дорожки на airbeg.
"Кривые ручки" не правильно установили шлейф...
Тестер в руки и проверить - делов на 2мин.
Вообщем продолжение. Шлейф прозвонили он цел. При отключении подушки при диагностике ошибка "поврежден шлейф или повреждена подушка", а при подключении обратно показывает короткое замыкание. СТОшники приговорили подушку. Какие есть догадки?
Аватара пользователя
allert
Маршал
Сообщения: 9285
Зарегистрирован: 04 апр 2006 23:24
Автомобиль: 32 QX 99г. мкпп vq20 ,Teana J32 vq25 11г., Almera B10 акпп 06г.,Teana J32 vq25 13г.
Откуда: Москва
Контактная информация:

Re: Постоянно загорается AIR BAG

Сообщение allert »

Pusha_Lugansk писал(а):
gavrilov писал(а):Не порван, а надорвана та часть, где проходят дорожки на airbeg.
"Кривые ручки" не правильно установили шлейф...
Тестер в руки и проверить - делов на 2мин.
Вообщем продолжение. Шлейф прозвонили он цел. При отключении подушки при диагностике ошибка "поврежден шлейф или повреждена подушка", а при подключении обратно показывает короткое замыкание. СТОшники приговорили подушку. Какие есть догадки?
Неправильно прозвонили.
Жизнь покажет...
тах
Маршал
Сообщения: 9743
Зарегистрирован: 21 сен 2008 12:12
Автомобиль: А32 ЦЕФИРО 1998г 2.0 АКПП
Откуда: НОВОСИБИРСК

Re: Постоянно загорается AIR BAG

Сообщение тах »

Pusha_Lugansk писал(а):
gavrilov писал(а): Вообщем продолжение. Шлейф прозвонили он цел. При отключении подушки при диагностике ошибка "поврежден шлейф или повреждена подушка", а при подключении обратно показывает короткое замыкание. СТОшники приговорили подушку. Какие есть догадки?
прозванивали где? там где реставрировал рейку?
по этой ссылке можно найти: темы, мануал и другие вопросы Вас интересующие
КРАТКОЕ ОГЛАВЛЕНИЕ ФОРУМА. СПИСОК ОСНОВНЫХ ТЕМ
Аватара пользователя
Pusha_Lugansk
Капитан
Сообщения: 103
Зарегистрирован: 14 май 2009 10:07
Автомобиль: Nissan Maxima QX A33 2005г, V2.0, АКПП

Re: Постоянно загорается AIR BAG

Сообщение Pusha_Lugansk »

тах писал(а):
Pusha_Lugansk писал(а):
gavrilov писал(а): Вообщем продолжение. Шлейф прозвонили он цел. При отключении подушки при диагностике ошибка "поврежден шлейф или повреждена подушка", а при подключении обратно показывает короткое замыкание. СТОшники приговорили подушку. Какие есть догадки?
прозванивали где? там где реставрировал рейку?
Нет, на тоётовской станции.
тах
Маршал
Сообщения: 9743
Зарегистрирован: 21 сен 2008 12:12
Автомобиль: А32 ЦЕФИРО 1998г 2.0 АКПП
Откуда: НОВОСИБИРСК

Re: Постоянно загорается AIR BAG

Сообщение тах »

Pusha_Lugansk писал(а): Нет, на тоётовской станции.
не верится, что подушка сама по себе, сломалась сразу после ремонта рейки.....
по этой ссылке можно найти: темы, мануал и другие вопросы Вас интересующие
КРАТКОЕ ОГЛАВЛЕНИЕ ФОРУМА. СПИСОК ОСНОВНЫХ ТЕМ
Аватара пользователя
Pusha_Lugansk
Капитан
Сообщения: 103
Зарегистрирован: 14 май 2009 10:07
Автомобиль: Nissan Maxima QX A33 2005г, V2.0, АКПП

Re: Постоянно загорается AIR BAG

Сообщение Pusha_Lugansk »

тах писал(а):
Pusha_Lugansk писал(а): Нет, на тоётовской станции.
не верится, что подушка сама по себе, сломалась сразу после ремонта рейки.....
Правда, за день до реставрации рейки делал химчистку салона (потолок, стойки, пол). Может что то залили в руль, но на следующее утро всё работало.
gavrilov
Генерал-майор
Сообщения: 1036
Зарегистрирован: 18 янв 2008 11:51
Автомобиль: Maxima 3.0 SE. 2005г.
Откуда: Иркутск
Контактная информация:

Re: Постоянно загорается AIR BAG

Сообщение gavrilov »

Pusha_Lugansk писал(а): Вообщем продолжение. Шлейф прозвонили он цел. При отключении подушки при диагностике ошибка "поврежден шлейф или повреждена подушка", а при подключении обратно показывает короткое замыкание. СТОшники приговорили подушку. Какие есть догадки?
Не нужно гадать.

Проверка элементарная..
Вместо подушки, в разъём подключи "обманку" - сопротивление 2-3 Ома.
Если лампа погаснет, дело в подушке.

P.S. Где вы таких "мастеров" находите, в двух проводах не могут разобраться...
Ответить