А32 стала мигать аварийка
Модераторы: Бармаглот, тах, Анатолий Васильев, Gamlet
-
kenzoo
- Рядовой
- Сообщения: 26
- Зарегистрирован: 19 дек 2010 11:13
- Автомобиль: nissan maxima a32 QX, 1995, 2 литра, МКПП.
А32 стала мигать аварийка
минут 10 постоял покурил, раз и все аварийка успокоилась, завел машину, заглушил и все нормально, что это такое было чтоб в следующий раз знать?
- Добрый Кот
- Генерал-майор
- Сообщения: 1551
- Зарегистрирован: 01 окт 2010 19:29
- Автомобиль: Maxima A33 2004 2,0 --> Infiniti EX35 2008
- Откуда: Миргород, Украина
Re: Аварийка! что такое?
приходит только с умением водить машину!
-
kenzoo
- Рядовой
- Сообщения: 26
- Зарегистрирован: 19 дек 2010 11:13
- Автомобиль: nissan maxima a32 QX, 1995, 2 литра, МКПП.
Re: Аварийка! что такое?
- -=CRAZY=-
- Майор
- Сообщения: 268
- Зарегистрирован: 28 сен 2006 20:47
- Автомобиль: Infiniti i30 1996 black, Maxima SE3.5 2004 silver
- Откуда: Кыргызстан
- Контактная информация:
Re: Аварийка! что такое?
-
kenzoo
- Рядовой
- Сообщения: 26
- Зарегистрирован: 19 дек 2010 11:13
- Автомобиль: nissan maxima a32 QX, 1995, 2 литра, МКПП.
Re: Аварийка! что такое?
-
kruzalus
- Новичок
- Сообщения: 2
- Зарегистрирован: 16 янв 2016 22:49
- Автомобиль: Maxima A33 2004 2л. механика
Re: Аварийка! что такое?
- Stasmaxima
- Администрация клуба
- Сообщения: 3259
- Зарегистрирован: 29 июл 2004 09:28
- Автомобиль: Были все максимы. Сейчас Z51 и !!!M109R!!!!
- Откуда: Москва
- Контактная информация:
Re: Аварийка! что такое?
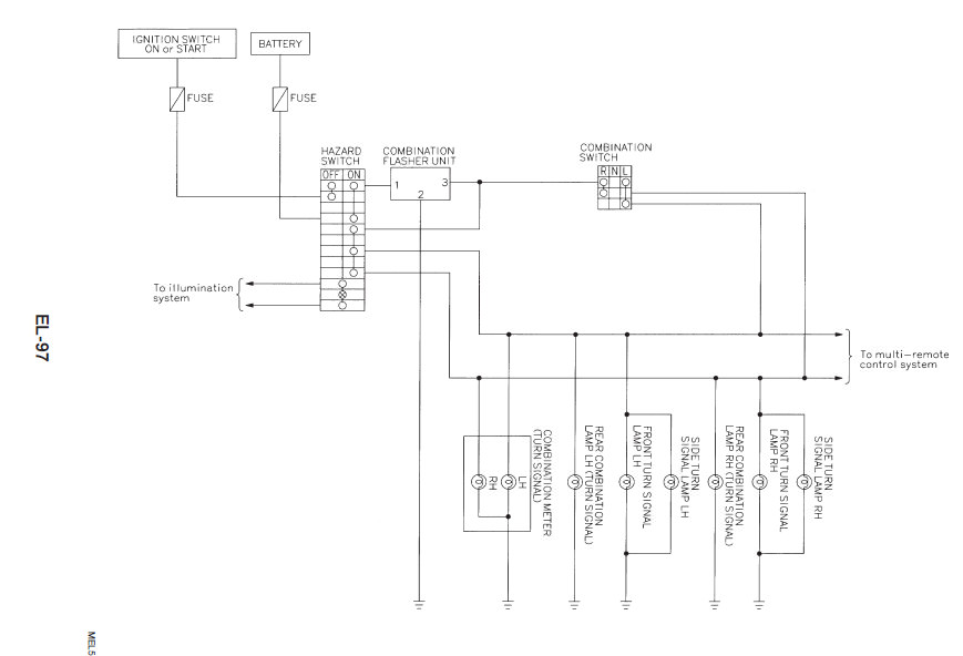
т.е. ты нажал "красную кнопку" и поворотники на левой стороне автомобиля просто горят и не моргают?kruzalus писал(а):Добрый вечер. Сегодня проверял работу аварийки, так вот при её включении горит только левая сторона (перед,крыло,зад). В режиме поворотников работают обе стороны - и правая и левая. В чем может быть причина?
Часы работы: с 10 до 19 часов.

-
kruzalus
- Новичок
- Сообщения: 2
- Зарегистрирован: 16 янв 2016 22:49
- Автомобиль: Maxima A33 2004 2л. механика
Re: Аварийка! что такое?
-
gavrilov
- Генерал-майор
- Сообщения: 1036
- Зарегистрирован: 18 янв 2008 11:51
- Автомобиль: Maxima 3.0 SE. 2005г.
- Откуда: Иркутск
- Контактная информация:
Re: Аварийка! что такое?
Разбирай, смотри/проверяй
- Stasmaxima
- Администрация клуба
- Сообщения: 3259
- Зарегистрирован: 29 июл 2004 09:28
- Автомобиль: Были все максимы. Сейчас Z51 и !!!M109R!!!!
- Откуда: Москва
- Контактная информация:
Re: Аварийка! что такое?
точно, кнопка сдохла...Причина, скорей всего, в самой кнопке и(или) её контактах.
Часы работы: с 10 до 19 часов.

- Stasmaxima
- Администрация клуба
- Сообщения: 3259
- Зарегистрирован: 29 июл 2004 09:28
- Автомобиль: Были все максимы. Сейчас Z51 и !!!M109R!!!!
- Откуда: Москва
- Контактная информация:
Re: Аварийка! что такое?
точно, кнопка сдохла...Причина, скорей всего, в самой кнопке и(или) её контактах.
Часы работы: с 10 до 19 часов.
