ДХО ( Дневные ходовые огни ) за 15 минут А32

Модераторы: Бармаглот, тах, Анатолий Васильев, Gamlet

Аватара пользователя
Yanezh
Лейтенант
Сообщения: 95
Зарегистрирован: 29 авг 2011 09:37
Автомобиль: Nissan MaximaQX А32 1998г 3.0 АКПП
Откуда: Нижний Новгород

Re: ДХО ( Дневные ходовые огни ) за 15 минут А32

Сообщение Yanezh »

S.t.a.l.k.e.r. писал(а):Возникнут вопросы задавай, что знаю помогу.
Так тогда можно просто через кнопку сделать, если найти этот провод который подает + к часам и климату, правда придется каждый раз при необходимости ее нажимать, но зато получится то что хотелось бы, честно говоря не очень хочется разбирать центральную панель чтобы провода кидать на часы и климат, не люблю без очень надобности лазить, прошлые машины все перекрутил по болтику, а энту жалко лишний раз тыркать
S.t.a.l.k.e.r.
Генерал-майор
Сообщения: 1146
Зарегистрирован: 03 июл 2011 15:06
Автомобиль: Maxima А32 3л МКПП 1997 г.в. араб ГБО
Откуда: Волгоград

Re: ДХО ( Дневные ходовые огни ) за 15 минут А32

Сообщение S.t.a.l.k.e.r. »

Но всё-равно у тебя не получится без разборки панели сделать что-нибудь с проводкой. Разбирается там не сложно, максимум минут десять. А про включение противотуманок с габаритами - так это заводская тема. Ты не сможешь включить передние противотуманки пока не включены габариты. А задние противотуманки работают только в паре с ближним светом. Здесь просто объяснялось, как сделать цепь питания передних противотуманок без габаритов, потому что иногда габариты забывают выключать, и в результате садится аккумулятор. А бросив противотуманки от зажигания мы получаем ходовые огни, дающие право не включать дополнительные световые приборы в дневное время и которые ни когда не забудешь погасить, поскольку цепь питания рвётся тогда когда мы глушим двигатель.
Аватара пользователя
Yanezh
Лейтенант
Сообщения: 95
Зарегистрирован: 29 авг 2011 09:37
Автомобиль: Nissan MaximaQX А32 1998г 3.0 АКПП
Откуда: Нижний Новгород

Re: ДХО ( Дневные ходовые огни ) за 15 минут А32

Сообщение Yanezh »

Будет время посмотрю что да как, а может сделаю как в начале темы. Спасибо!
S.t.a.l.k.e.r.
Генерал-майор
Сообщения: 1146
Зарегистрирован: 03 июл 2011 15:06
Автомобиль: Maxima А32 3л МКПП 1997 г.в. араб ГБО
Откуда: Волгоград

Re: ДХО ( Дневные ходовые огни ) за 15 минут А32

Сообщение S.t.a.l.k.e.r. »

Не за что, удачи!
iden
Рядовой
Сообщения: 49
Зарегистрирован: 04 мар 2013 23:19
Автомобиль: Maxima A32 97г (дорестайл, европа) 2.0 АКПП

Re: ДХО ( Дневные ходовые огни ) за 15 минут А32

Сообщение iden »

А может кто обьяснить суть этой переделки. Я чет не вкурил совсем, причем тут обогрев заднего стекла? Как и за счет чего ПТФ начинают врубаться с зажиганием и с ним же отрубаться?
И откуда вообще на подрулевом переключателе противотуманки, они же рядом с часами, или на 95г они были на подрулевом?
S.t.a.l.k.e.r.
Генерал-майор
Сообщения: 1146
Зарегистрирован: 03 июл 2011 15:06
Автомобиль: Maxima А32 3л МКПП 1997 г.в. араб ГБО
Откуда: Волгоград

Re: ДХО ( Дневные ходовые огни ) за 15 минут А32

Сообщение S.t.a.l.k.e.r. »

На разных комплектациях по разному. У меня например рядом с часами кнопка включения обогрева заднего стекла и аварийка. А кнопка передних противотуманок вообще дополнительно ставиться в места под комбинацией приборов. А суть переделки такова - противотуманки у всех включаются через реле, в стандартном исполнении управляющий "плюс" на реле появляется только после включения габаритов, а надо сделать так, чтобы он (плюс) брался от зажигания. Разговор идёт о "плюсе" поскольку управление с кнопки минусовое. Реле противотуманок находится под капотом в блоке с другими реле.
iden
Рядовой
Сообщения: 49
Зарегистрирован: 04 мар 2013 23:19
Автомобиль: Maxima A32 97г (дорестайл, европа) 2.0 АКПП

Re: ДХО ( Дневные ходовые огни ) за 15 минут А32

Сообщение iden »

У меня например рядом с часами кнопка включения обогрева заднего стекла и аварийка. А кнопка передних противотуманок вообще дополнительно ставиться в места под комбинацией приборов.
Гы. У меня диаметрально наоборот. ПТФ рядом с аварийкой и часами, а подогрев стекла под приборкой :) Не знал, что так бывает :)
а надо сделать так, чтобы он (плюс) брался от зажигания
Походу понял, т.е. на реле обогрева плюс появляется при зажигании и поэтому оттуда и берем, но по сути можно было кинуть на любой плюс от зажигания, просто обогрев ближе всего. :)

А то я думал, нафига людям включение ПТФ вместе с обогревом заднего стекла :D
S.t.a.l.k.e.r.
Генерал-майор
Сообщения: 1146
Зарегистрирован: 03 июл 2011 15:06
Автомобиль: Maxima А32 3л МКПП 1997 г.в. араб ГБО
Откуда: Волгоград

Re: ДХО ( Дневные ходовые огни ) за 15 минут А32

Сообщение S.t.a.l.k.e.r. »

Небольшое дополнение - управляющий "плюс" можешь взять с любого другого реле в блоке, лишь бы он появлялся при включении зажигания, я например взял плюс от реле включения компрессора кондиционера.
Zaalman
Капитан
Сообщения: 117
Зарегистрирован: 14 май 2007 18:06
Автомобиль: Nissan Maxima QX A32 VQ30DE АКПП 1998г.
Откуда: Свердловская обл.
Контактная информация:

Re: ДХО ( Дневные ходовые огни ) за 15 минут А32

Сообщение Zaalman »

Сделал, как в начале статьи.
Провод к реле туманок резать предусмотрительно не стал.
Просто вытащил его из фишки, обмотнул изолентой,а на его место вставил другой, второй конец которого к реле обогрева.
Ну как у автора.
Поездил пару дней...
Вернул всё назад. не понравилось то, что при заведённом двигателе нельзя теперь выключить туманки!
Хочу чтобы их все-таки можно было выключать на подрулевом...
Изображение
"За покой и мир
В жизни не отдам
Ветер с пылью пополам!"
Аватара пользователя
matsusonic
Подполковник
Сообщения: 343
Зарегистрирован: 11 май 2011 11:59
Автомобиль: Nissan Maxima А33, 2000г. 3.0, на ручке
Откуда: Екат - Пермь

Re: ДХО ( Дневные ходовые огни ) за 15 минут А32

Сообщение matsusonic »

у меня туманки запитаны от ЗЖ (в рулевой колонке от рычага переключения) - можно выключить при заведенном и включить при выключенном как габариты :)
Zaalman
Капитан
Сообщения: 117
Зарегистрирован: 14 май 2007 18:06
Автомобиль: Nissan Maxima QX A32 VQ30DE АКПП 1998г.
Откуда: Свердловская обл.
Контактная информация:

Re: ДХО ( Дневные ходовые огни ) за 15 минут А32

Сообщение Zaalman »

На прошлой машине делал включение туманок от рычага АКПП.
Вот!
Было так: Заводишь-не горят; При снятии с парковки через микрушку подается питание на реле, ну и так далее... Ведь ДХО это же ходовые огни! Значит должны гореть на ходу и необязательно им светить на парковке!
На Максимке хочу сделать что-то похожее с сохранением штатного включения туманок.
Схемка уже накидана. В процессе продумывания ньюансов и ожидания легкого плюса за бортом. Жалко шевелить провода при отрицательных температурах.
Сигнал хочу взять с переключателя АКПП. ставим реле с нормально замкнутыми контактами паралельно реле разрешения запуска,.. А дальше могут быть различные вариации, вплоть до включения вполнакала.
Как Вам моя идея?
Имеет право на жизнь?
Изображение
"За покой и мир
В жизни не отдам
Ветер с пылью пополам!"
S.t.a.l.k.e.r.
Генерал-майор
Сообщения: 1146
Зарегистрирован: 03 июл 2011 15:06
Автомобиль: Maxima А32 3л МКПП 1997 г.в. араб ГБО
Откуда: Волгоград

Re: ДХО ( Дневные ходовые огни ) за 15 минут А32

Сообщение S.t.a.l.k.e.r. »

Вполне! Идея не плохая, тем более от АКПП на комбинацию приборов приходит (если не ошибаюсь) минусовой сигнал. Но это управляющий минус. Просто стоит не забывать, что управляющий плюс на реле передних противотуманных огней появляется после включения габаритных огней.
gavrilov
Генерал-майор
Сообщения: 1036
Зарегистрирован: 18 янв 2008 11:51
Автомобиль: Maxima 3.0 SE. 2005г.
Откуда: Иркутск
Контактная информация:

Re: ДХО ( Дневные ходовые огни ) за 15 минут А32

Сообщение gavrilov »

Zaalman писал(а):На прошлой машине делал включение туманок от рычага АКПП.
Вот!
Было так: Заводишь-не горят; При снятии с парковки через микрушку подается питание на реле, ну и так далее... Ведь ДХО это же ходовые огни! Значит должны гореть на ходу и необязательно им светить на парковке!
На Максимке хочу сделать что-то похожее с сохранением штатного включения туманок.
Схемка уже накидана. В процессе продумывания ньюансов и ожидания легкого плюса за бортом. Жалко шевелить провода при отрицательных температурах.
Сигнал хочу взять с переключателя АКПП. ставим реле с нормально замкнутыми контактами паралельно реле разрешения запуска,.. А дальше могут быть различные вариации, вплоть до включения вполнакала.
Как Вам моя идея?
Имеет право на жизнь?
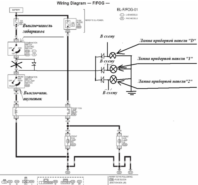
Вот схема. 4диода и 40см провода.
Работает с 2010г.
Вложения
Свет днём.jpg
Zaalman
Капитан
Сообщения: 117
Зарегистрирован: 14 май 2007 18:06
Автомобиль: Nissan Maxima QX A32 VQ30DE АКПП 1998г.
Откуда: Свердловская обл.
Контактная информация:

Re: ДХО ( Дневные ходовые огни ) за 15 минут А32

Сообщение Zaalman »

Да, согласен.
Так намного проще.
Только на моей прибоке лампочек нет!
Но площадки под них видел уже.
Спасибо.
Изображение
"За покой и мир
В жизни не отдам
Ветер с пылью пополам!"
S.t.a.l.k.e.r.
Генерал-майор
Сообщения: 1146
Зарегистрирован: 03 июл 2011 15:06
Автомобиль: Maxima А32 3л МКПП 1997 г.в. араб ГБО
Откуда: Волгоград

Re: ДХО ( Дневные ходовые огни ) за 15 минут А32

Сообщение S.t.a.l.k.e.r. »

Zaalman писал(а):Да, согласен.
Так намного проще.
Только на моей прибоке лампочек нет!
Но площадки под них видел уже.
Спасибо.
Посмотри по дорожкам на плате, у тебя если нет лампочек, то скорее всего и проводов нет, по которым на них сигнал приходит. У меня на АКПП так было, места под лампочки есть, а лампочек и проводов нет.
Ответить