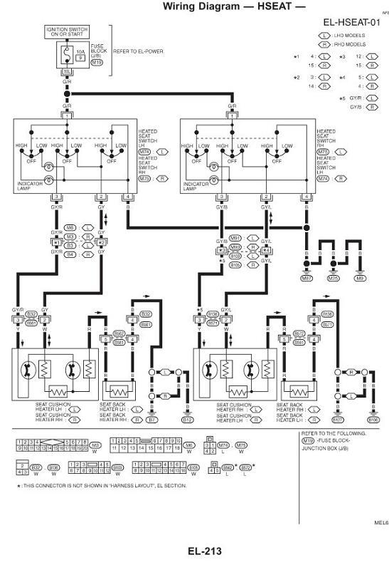
Подогрев сидений
Модераторы: Бармаглот, тах, Анатолий Васильев, Gamlet
- savage
- Майор
- Сообщения: 276
- Зарегистрирован: 13 июл 2011 20:38
- Автомобиль: MAXIMA QX A33 2001г. 3.0 Green
Re: Подогрев сидений
Окажу помощь в безвозмездной диагностике двигателя через ОБД2 и акпп, абс, срс через консальт 1 в Санкт-Петербурге.
- Юрий Владимирович
- Капитан
- Сообщения: 135
- Зарегистрирован: 30 дек 2009 17:13
- Автомобиль: Nissan Maxima QX A33 2005 2.0 механика
- Откуда: Пензенская губерня.
Re: Подогрев сидений
- Добрый Кот
- Генерал-майор
- Сообщения: 1551
- Зарегистрирован: 01 окт 2010 19:29
- Автомобиль: Maxima A33 2004 2,0 --> Infiniti EX35 2008
- Откуда: Миргород, Украина
Re: Подогрев сидений
без разбора консоли...Юрий Владимирович писал(а):Подскажите кто-нибудь, как добраться до клавиши включения подогрева сидений, чтобы ничего не поуродовать, как вытаскивать?
Тоненькой отверткой поддеваешь кнопку с одной и другой стороны - тянешь на себя,длины провода хватит.
После разьединения фишку не упусти во внутрь.
приходит только с умением водить машину!
- Юрий Владимирович
- Капитан
- Сообщения: 135
- Зарегистрирован: 30 дек 2009 17:13
- Автомобиль: Nissan Maxima QX A33 2005 2.0 механика
- Откуда: Пензенская губерня.
Re: Подогрев сидений
- Добрый Кот
- Генерал-майор
- Сообщения: 1551
- Зарегистрирован: 01 окт 2010 19:29
- Автомобиль: Maxima A33 2004 2,0 --> Infiniti EX35 2008
- Откуда: Миргород, Украина
Re: Подогрев сидений
Разбирать в тепле,на холоде хрупкое.Юрий Владимирович писал(а):Теперь подскажите как поменять лампочку и что за лампочка в клавише?
На фишке с тыльной стороны(где соединение) по бокам по две защелки - тонкой отверткой поддевать и вытаскивать.
Лампочка маленькая там на 12 Вт с длинными усиками(полярность значения не имеет при установке).
с виду резинка на "пьедестале" - снять резинку.
Старую лампочку снять(усики отматываются, можно иголкой),а новую так же поставить.Обратно собрать фишку.
приходит только с умением водить машину!
- Юрий Владимирович
- Капитан
- Сообщения: 135
- Зарегистрирован: 30 дек 2009 17:13
- Автомобиль: Nissan Maxima QX A33 2005 2.0 механика
- Откуда: Пензенская губерня.
Re: Подогрев сидений
Re: Подогрев сидений
Тоже решил поменять сгоревший штатный. И оставить все это дело на старой кнопке. Единственный ступор, это соединение нижнего элемента с родной проводкой. На новом 2 контакта - красный и черный, на родном 3 -красный, белый и желтый. С красными понятно, а с остальными?жданов-сити писал(а):У меня перестал работать подогрев подушки водительского сидения (работал только подогрев спинки). Вот решил исправить данное неудобство. Для этого был приобретён комплект подогрева сидения Емеля УК, который состоит из двух элементов - на спинку (с встроенным термистором) и на подушку. Планировалось заменить один элемент на подушке, а в спинке оставить родной.
После разбора сидения выяснилось, что
1. Качество изготовления родных элементов нагрева намного превышает качество изготовления Емели.
2. Менять можно только 2 элемента вместе - на спинке и на подушке, т.к. разница в сопротивлении родного нагревателя и Емели отличается в разы.
Было решено разобрать пассажирское сидение, переставить местами подушки водителя и пассажира (таким образом под водителем оказался родной нагреватель, т.к. нагрузка на сидение водителя намного больше , чем на сидение пассажира, мы предположили, что новый Емеля тут крякнет быстрее, чем б/у родной), а на пассажирском сидении было заменено 2 элемента - в спинке и в подушке. Скорость нагрева у Емели и родных одинаковая. Единственный минус - теперь в пассажирском сидении одно положение вкл/выкл (это потому что был куплен Емеля УК, а не УК1 или УК2). Но это мелочь.
Наш родной подогрев сидений:
Спираль, кстати, можно спаять, но это будет недолговечно.
- allert
- Маршал
- Сообщения: 9285
- Зарегистрирован: 04 апр 2006 23:24
- Автомобиль: 32 QX 99г. мкпп vq20 ,Teana J32 vq25 11г., Almera B10 акпп 06г.,Teana J32 vq25 13г.
- Откуда: Москва
- Контактная информация:
Re: Подогрев сидений
Что тебя удивило - на штатном же ДВА режима - посмотри на каком что подается от штатной кнопки... и используй одно из ее положений.На новом 2 контакта - красный и черный, на родном 3 -красный, белый и желтый. С красными понятно, а с остальными?
Re: Подогрев сидений
Так и на новом 2 режима.allert писал(а):Что тебя удивило - на штатном же ДВА режима - посмотри на каком что подается от штатной кнопки... и используй одно из ее положений.На новом 2 контакта - красный и черный, на родном 3 -красный, белый и желтый. С красными понятно, а с остальными?
- allert
- Маршал
- Сообщения: 9285
- Зарегистрирован: 04 апр 2006 23:24
- Автомобиль: 32 QX 99г. мкпп vq20 ,Teana J32 vq25 11г., Almera B10 акпп 06г.,Teana J32 vq25 13г.
- Откуда: Москва
- Контактная информация:
Re: Подогрев сидений
Так и на новом 2 режима.[/quote]
На 2-х контактах? как ты себе это представляешь?
Re: Подогрев сидений
Да, на 2 контактах. У кнопки 3 положения как и у родной - low-off-hi. Насколько я понимаю hi/low и в штатном обогреве задается только кнопкой. ЧТо касается 3 проводов от нижнего модуля, то один скорее всего дает инфу о нахождении (или нет ) задницы на подушке. Вопрос собственно - который из них.allert писал(а):
На 2-х контактах? как ты себе это представляешь?
- allert
- Маршал
- Сообщения: 9285
- Зарегистрирован: 04 апр 2006 23:24
- Автомобиль: 32 QX 99г. мкпп vq20 ,Teana J32 vq25 11г., Almera B10 акпп 06г.,Teana J32 vq25 13г.
- Откуда: Москва
- Контактная информация:
Re: Подогрев сидений
-
gavrilov
- Генерал-майор
- Сообщения: 1036
- Зарегистрирован: 18 янв 2008 11:51
- Автомобиль: Maxima 3.0 SE. 2005г.
- Откуда: Иркутск
- Контактная информация:
Re: Подогрев сидений
Тоже менял, ставил "Емелю".
Старый подогрев снимаешь, новый ставишь.
Сложностей с коммутацией не помню.
Качество нагревателя Емели выше штатного (толстые углеволоконные нагреватели в параллель)
Re: Подогрев сидений
-
gavrilov
- Генерал-майор
- Сообщения: 1036
- Зарегистрирован: 18 янв 2008 11:51
- Автомобиль: Maxima 3.0 SE. 2005г.
- Откуда: Иркутск
- Контактная информация:
Re: Подогрев сидений
В параллель максимальная мощность.
Последовательно - малая мощность.
Датчиков нет.
Есть термореле на 60градусов(если правильно помню)


