Подскажите где находится реле бензонасоса
Модераторы: Бармаглот, тах, Анатолий Васильев, Gamlet
Подскажите где находится реле бензонасоса
- Stasmaxima
- Администрация клуба
- Сообщения: 3259
- Зарегистрирован: 29 июл 2004 09:28
- Автомобиль: Были все максимы. Сейчас Z51 и !!!M109R!!!!
- Откуда: Москва
- Контактная информация:
-
тах
- Маршал
- Сообщения: 9743
- Зарегистрирован: 21 сен 2008 12:12
- Автомобиль: А32 ЦЕФИРО 1998г 2.0 АКПП
- Откуда: НОВОСИБИРСК
Re: Подскажите где находится реле бензонасоса
КРАТКОЕ ОГЛАВЛЕНИЕ ФОРУМА. СПИСОК ОСНОВНЫХ ТЕМ
Re: Подскажите где находится реле бензонасоса
- kaiv
- Капитан
- Сообщения: 111
- Зарегистрирован: 27 апр 2013 15:57
- Автомобиль: Nissan Maxima A32,1997 г.в., VQ20DE, МКПП
- Контактная информация:
Re: Подскажите где находится реле бензонасоса
-
S.t.a.l.k.e.r.
- Генерал-майор
- Сообщения: 1146
- Зарегистрирован: 03 июл 2011 15:06
- Автомобиль: Maxima А32 3л МКПП 1997 г.в. араб ГБО
- Откуда: Волгоград
Re: Подскажите где находится реле бензонасоса
- kaiv
- Капитан
- Сообщения: 111
- Зарегистрирован: 27 апр 2013 15:57
- Автомобиль: Nissan Maxima A32,1997 г.в., VQ20DE, МКПП
- Контактная информация:
Re: Подскажите где находится реле бензонасоса
ага понял, спасибо! вот же они его засадили так засадили...S.t.a.l.k.e.r. писал(а):Реле топливного насоса находится за блоком управления на первой фотографии (где у тебя проходит силовой кабель на усилитель), откручиваешь этот блок и в коробе стойки у тебя будет место под два реле, одно из них реле бензонасоса.
- kaiv
- Капитан
- Сообщения: 111
- Зарегистрирован: 27 апр 2013 15:57
- Автомобиль: Nissan Maxima A32,1997 г.в., VQ20DE, МКПП
- Контактная информация:
Re: Подскажите где находится реле бензонасоса
-
S.t.a.l.k.e.r.
- Генерал-майор
- Сообщения: 1146
- Зарегистрирован: 03 июл 2011 15:06
- Автомобиль: Maxima А32 3л МКПП 1997 г.в. араб ГБО
- Откуда: Волгоград
Re: Подскажите где находится реле бензонасоса
- kaiv
- Капитан
- Сообщения: 111
- Зарегистрирован: 27 апр 2013 15:57
- Автомобиль: Nissan Maxima A32,1997 г.в., VQ20DE, МКПП
- Контактная информация:
Re: Подскажите где находится реле бензонасоса
-
ldmitriy
- Лейтенант
- Сообщения: 78
- Зарегистрирован: 14 дек 2011 09:03
- Автомобиль: Maxima A33, 2001 г., 3.0, АКПП
- Откуда: Тверская обл.
- Контактная информация:
Re: Подскажите где находится реле бензонасоса
П.С. самодиагностика все по 0 показывает
-
gavrilov
- Генерал-майор
- Сообщения: 1036
- Зарегистрирован: 18 янв 2008 11:51
- Автомобиль: Maxima 3.0 SE. 2005г.
- Откуда: Иркутск
- Контактная информация:
Re: Подскажите где находится реле бензонасоса
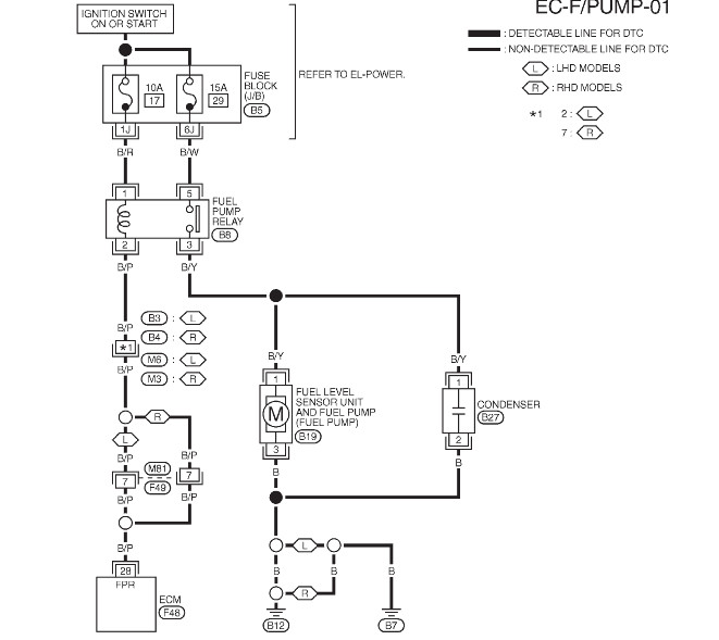
Вот схема.ldmitriy писал(а):Ребят добрый день, всем, подскажите что может быть? максимка а33 2001 год, вечером поставил у дома, утром не заводится, думаю ну или маф или бензонасос, маф отключил всеравно не заводится, снял заднюю седуху, положил руку на крышку бензонасоса, включаю зажигания, тихо, думаю ну всё, сдох, поеду от 10-ки покупать, принёс его домой, думаю надо проверить, как запитать, взял аккум от шурика и 2 провода, напрямую зацепил и норм качает, посмотрел что за контакты туда подходят, крайний "+" и средний из 5 "-", подключил тестер к фишке, думаю ну если есть питание, то покажет на асс, ведь должен накачать давление, не показыват, проверил 2 предохранителя в салоне, оба целы, что можно дальше проверить?
П.С. самодиагностика все по 0 показывает
1. силовые цепи проверь От преда до безонасоса. При замыкании контактов 5 и 3 на реле, насос должен работать.
2. Реле проверь. При подаче "-" на 2 контакт реле, оно должно сработать и вкл б.насос.
